Field Pro® 6040
Product Information
- Model #: 08839
- Serial #: 400000000 - 412847519
- Product Type: Riding Products
Loading...
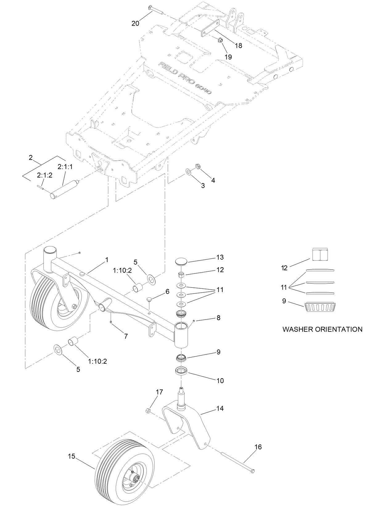
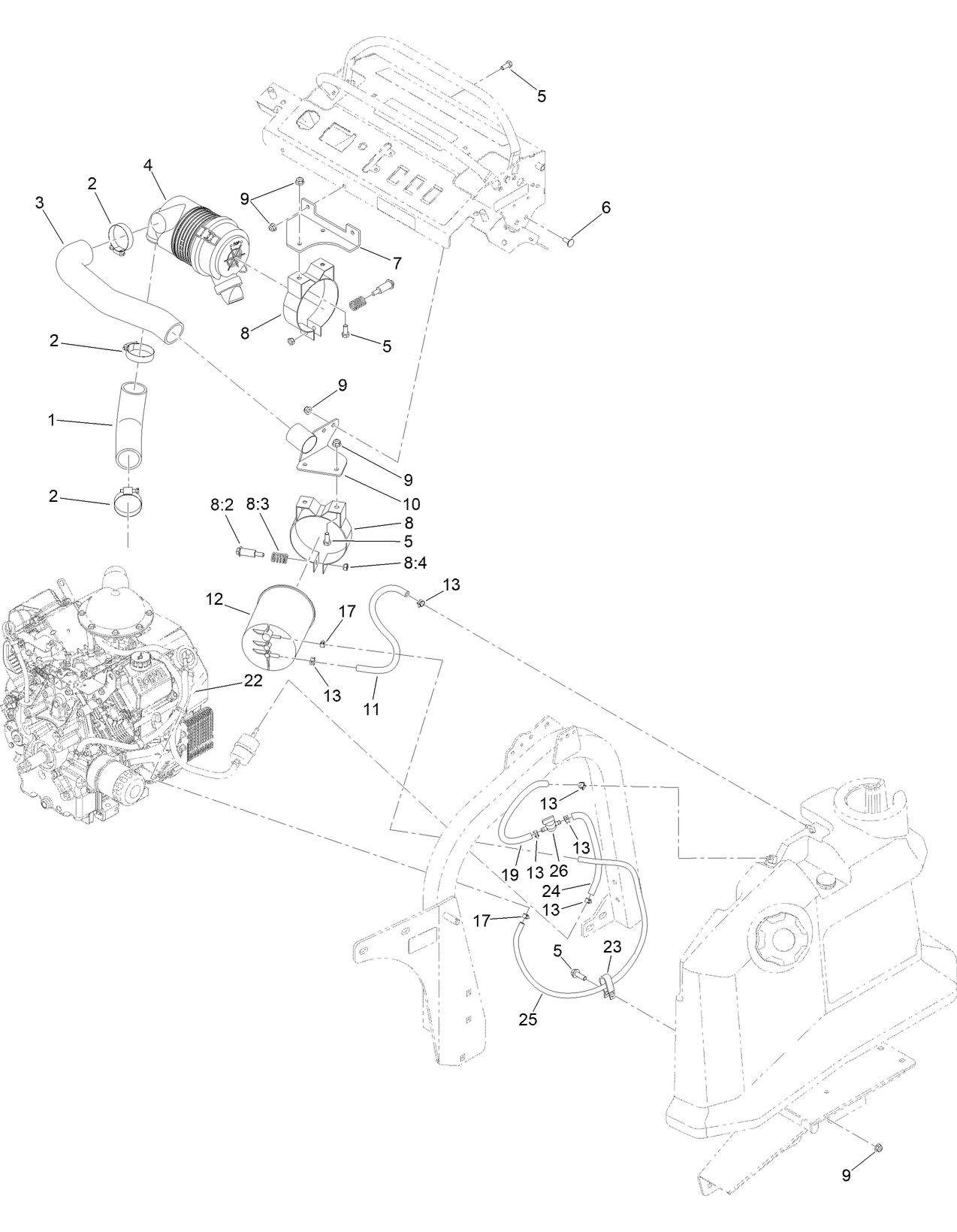
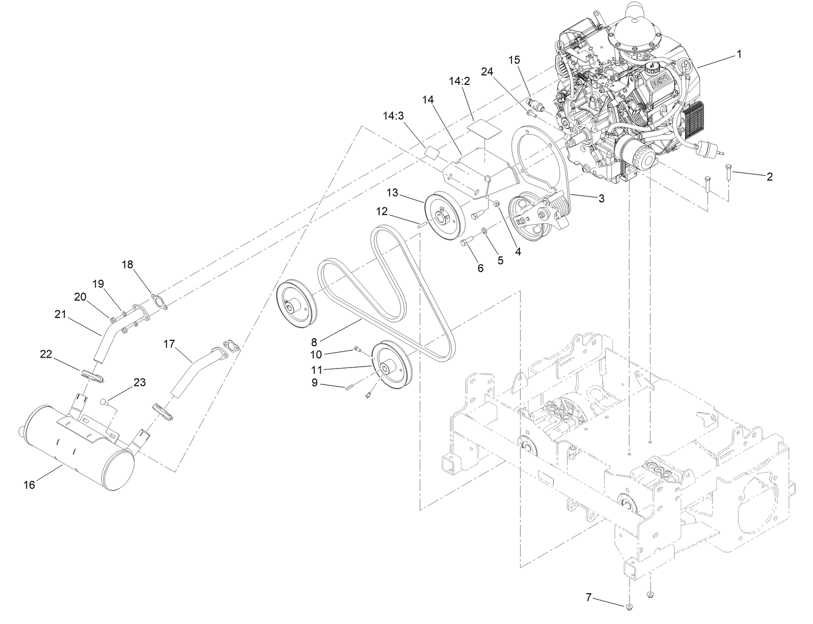
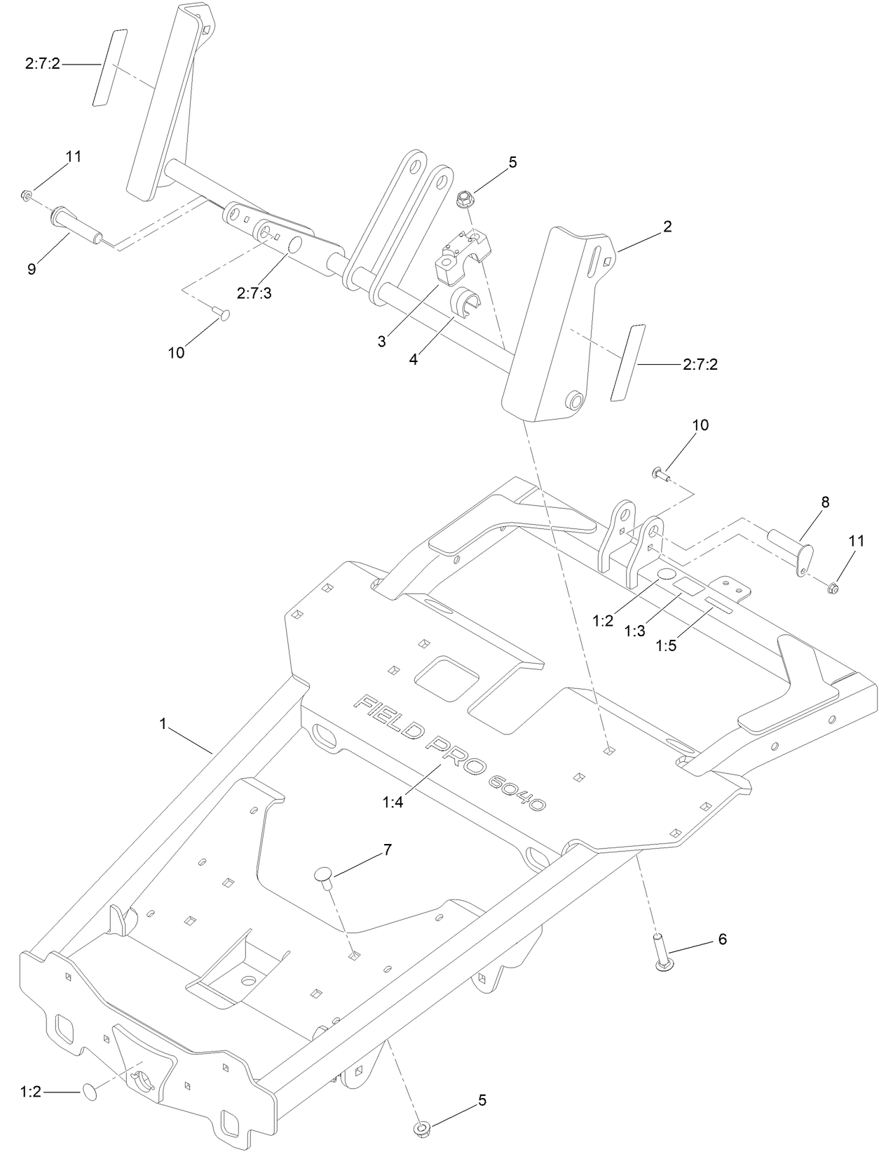
Assembly Drawings
Search for a part within assembly drawings:
-
Operator's Manual
-
Parts Catalog
-
Schematic Drawing - Electrical
-
Schematic Drawing - Hydraulic
Carbide Tine Toolbar (Part # 08846)
Great for loosening compacted infields with long-lasting carbide tips.
Mid-Mount Tool Carrier (Part # 08854)
Box Blade Accessory Tool Holder Kit (Part # 08861)
Receiver for the Field Edger, Planer Blade Kit, and Box Blade Extension Kit.
Planer Blade Kit (Part # 08862)
Set of three (3) planer blades to mount to the Box Blade Attachment Holder. Used to aggressively cut weeds under the grade.
Field Edger (Part # 08863)
Used for edging outfields for a clean edge, its 21” (53.3 cm) disc is built for commercial applications. Can be mounted on either the left or right side of the machine.
Root Cutter (Part # 08864)
Used to cut deep roots around outfield/infield barrier.
Laser Level Installation Kit (Part # 08865)
Allows an optional Laser Level Receiver System to integrate to a Field Pro 6040.
Weight Mount Kit (Part # 08869)
Allows three suitcase weights to be added for additional grading down pressure.
Weeder Tine Toolbar (Part # 08900)
Ideal for removing weeds and grass from infields.
Box Blade Extension Kit (Part # 08901)
Field Roller (Part # 08902)
Level and smooth playing fields.
Segmented Wide Rear Broom (Part # 08903)
Clear debris and provide a clean look to any area.
Draw Bar Hitch Kit (Part # 08904)
Allows connection to small third-party draw-bar style attachments.
Rear Storage and Tool Holder Kit (Part # 08905)
Convenient storage for supplies and holders for a rake, shovel or other tools.
Work Lights (Part # 08906)
Provide extra light for everyday operations.
SUNSHADE, FP (Part # 08909)
SPRAYER, FP (Part # 08910)
Toro 55 Gallon Premium Transmission/Hydraulic Fluid (Part # 108-1183)
Toro 55 Gallon Premium Transmission/Hydraulic Fluid. Designed for use in Toro equipment created by Toro engineers. If you are unsure of your equipment needs, do a model extreme serial number search to verify that this is the correct oil type for your equipment.
Toro 5 Gallon Premium Transmission/Hydraulic Fluid (Part # 108-1184)
Toro 5 Gallon Premium Transmission/Hydraulic Fluid. Designed for use in Toro equipment created by Toro engineers. If you are unsure of your equipment needs, do a model extreme serial number search to verify that this is the correct oil type for your equipment.
Toro 14 oz. All-Purpose Grease (Part # 108-1190)
Toro 14 oz. All-Purpose Grease. Designed for use in Toro equipment created by Toro engineers. If you are unsure of your equipment needs, do a model extreme serial number search to verify that this is the correct oil type for your equipment.
Toro 55 Gallon Premium Engine Oil 10W-30 (Part # 121-6392)
Toro 55 Gallon Premium Engine Oil 10W-30. Designed for use in Toro equipment created by Toro engineers. If you are unsure of your equipment needs, do a model extreme serial number search to verify that this is the correct oil type for your equipment.
Toro 5 Gallon Premium Engine Oil 10W-30 (Part # 121-6393)
Toro 5 Gallon Premium Engine Oil 10W-30. Designed for use in Toro equipment created by Toro engineers. If you are unsure of your equipment needs, do a model extreme serial number search to verify that this is the correct oil type for your equipment.
WIRELESS HOURMETER KIT (Part # 147-6630)
Exhaust Silencer Screen (Part # 93-9911)
Genuine OEM Part
-
Model #
08839 -
Serial #
400000000 - 412847519 -
Product Name
Field Pro® 6040 -
Product Brand
Toro -
Product Type
Riding Products
































