Revolution GrandStand® 48 in. (122 cm)
Product Information
- Model #: 18562
- Serial #: 400000000 - 414799999
- Product Type: Riding Products
Loading...
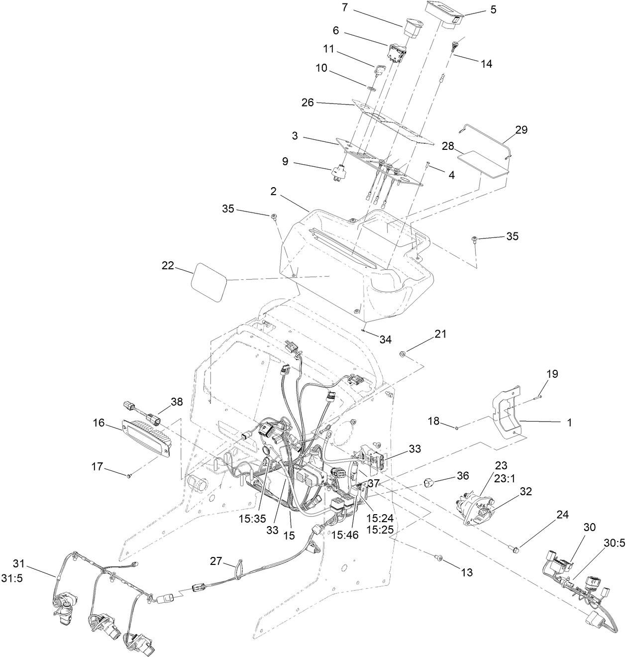
Assembly Drawings
Search for a part within assembly drawings:
-
Operator's Manual
-
Parts Catalog
-
Product Warranty
-
Setup Instructions
GrandStand Turbo Baffle Kit (Part # 107-1634)
GrandStand Turbo Baffle Kit. To best protect your investment and maintain optimal performance of your equipment, count on Toro genuine parts and accessories.
GrandStand Height of Cut Block Kit (Part # 133-1439)
Toro genuine height of cut blocks for GrandStand mowers. For peace of mind, insist on Toro genuine parts.
GrandStand Anti-scalp & Wear Bar Kit (Part # 133-1440)
Toro OEM anti-scalp deck wheels and wear bar. These wheels help prevent the deck from coming in contact with the ground when passing over a high spot, thus preventing the blade from slicing off or "scalping" large clumps of grass.
OIL-GEAR, SYNTHETIC, QUART (Part # 144-6880)
Please contact your local dealer
3 Bushell Soft Collection Bag for GrandStand Mowers (Part # 30104)
3 Bushell Soft Collection Bag for GrandStand Mowers. To best protect your investment and maintain optimal performance of your equipment, count on Toro genuine parts and accessories.
Please contact your local dealer
-
Model #
18562 -
Serial #
400000000 - 414799999 -
Product Name
Revolution GrandStand® 48 in. (122 cm) -
Product Brand
Toro -
Product Type
Riding Products -
Chassis Type
Stand On -
Swath
48 inch / 122 cm -
Discharge
Side Discharge -
Transmission Type
Electric/Gear -
Traction Type
Rear WD
-
Chassis: Height of Cut Range
1.5" - 5" (38-127mm) -
Drive System: Ground Speed
0-10 mph / 0-16kph -
Chassis: Tire Pressure
12-14psi (83-97kPa) -
Drive System: Gearbox Lubricant
5.0 Oz. TORO HV SYNTHETIC ELECTRIC MOTOR OIL




















