Groundsmaster® 4110-D
Product Information
- Model #: 30644
- Serial #: 412000000 - 416815608
- Product Type: Riding Products
Loading...
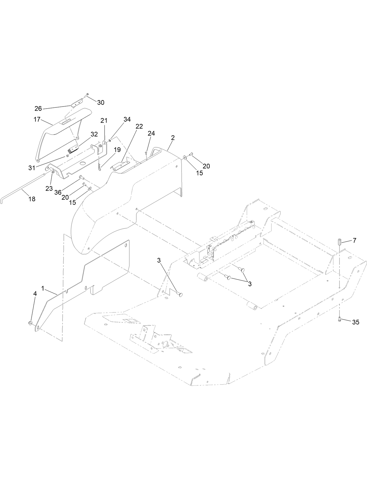
Assembly Drawings
Search for a part within assembly drawings:
-
Service Manual
-
Operator's Manual
-
Parts Catalog
-
Schematic Drawing - Electrical
-
Schematic Drawing - Hydraulic
-
ACMA Declaration of Conformity
-
EU/UK Declaration of Conformity
19.00 Inch Combination Blade (Part # 106-7166-03)
Toro 19.00 Inch OEM Combination blade. A Combination blade is a useful all in one blade, designed to give you more cutting options without having to change your blade. Bagging, Mulching or rear & side discharge, this blade can do it all. Created by Toro for the best performance, quality & fit, stick with a Toro OEM Blades. Be sure to verify model and serial number to ensure the correct Blade.
19.00 Inch Atomic® Mulching Blade (Part # 107-0215-03)
Toro 19.00 Inch OEM Atomic® mulching blade. The Toro Atomic® mulching blade is commonly referenced as a "Gator Style" or Gator Blade". The Atomic® Mulching Blade Provides the best quality of cut while mulching. This Toro blade has multiple applications. Be sure to verify model and serial number to ensure correct part.
7 Blade Service Pack- 19.00 Inch Atomic® Mulching Blade (Part # 108-1451)
Toro 19.00 Inch OEM Atomic® mulching blade (Part number 107-0215-03). The Toro Atomic® mulching blade is commonly referenced as a "Gator Style" or Gator Blade". The Atomic® Mulching Blade Provides the best quality of cut while mulching. This Toro blade has multiple applications. Be sure to verify model and serial number to ensure correct part.
19.00 Inch Flat Sail Blade (Part # 110-6116-03)
Toro 19.00 Inch OEM Flat blade. Flat blades are designed to keep air flow to a minimum. The lack of suction allows cut grass to exit the mower while keeping dust and debris levels down. Toro flat mower blades cause less engine strain than high lift blades. This Toro blade has multiple applications. Be sure to verify model and serial number to ensure the correct part.
7 Blade Service Pack- 19.00 Inch Flat Blade (Part # 110-6140)
Toro 19.00 Inch OEM Flat 7-blade service pack (Part number 110-6116-03). Flat blades are designed to keep air flow to a minimum. The lack of suction allows cut grass to exit the mower while keeping dust and debris levels down. Toro flat mower blades cause less engine strain than high lift blades. This Toro blade has multiple applications. Be sure to verify model and serial number to ensure the correct part.
Work Light Kit (Cab) (Part # 114-5610)
Provide extra light for everyday operations.
Fabric Backrest Extension Kit, Grammer Seat (Part # 119-7719)
Enhance operator comfort.
Large Seat Cover (Part # 120-5179)
Adds style and comfort to your ride.
Toro 55 Gallon Premium Engine Oil 10W-30 (Part # 121-6392)
Toro 55 Gallon Premium Engine Oil 10W-30. Designed for use in Toro equipment created by Toro engineers. If you are unsure of your equipment needs, do a model extreme serial number search to verify that this is the correct oil type for your equipment.
Toro 5 Gallon Premium Engine Oil 10W-30 (Part # 121-6393)
Toro 5 Gallon Premium Engine Oil 10W-30. Designed for use in Toro equipment created by Toro engineers. If you are unsure of your equipment needs, do a model extreme serial number search to verify that this is the correct oil type for your equipment.
Toro 55 Gallon Premium Engine Oil 15W-40 (Part # 121-6394)
Toro 55 Gallon Premium Engine Oil 15W-40. Designed for use in Toro equipment created by Toro engineers. If you are unsure of your equipment needs, do a model extreme serial number search to verify that this is the correct oil type for your equipment.
Toro 5 Gallon Premium Engine Oil 15W-40 (Part # 121-6395)
Toro 5 Gallon Premium Engine Oil 15W-40. Designed for use in Toro equipment created by Toro engineers. If you are unsure of your equipment needs, do a model extreme serial number search to verify that this is the correct oil type for your equipment.
7 Blade Service Pack- 19.00 Inch Combination Blade (Part # 130-2660)
Contains 106-7166-03 @ 7
Pivot Caster Scraper Kit (Part # 132-6114)
Toro 5 Gallon PX Extended Life Hydraulic Fluid (Part # 133-8086)
Toro 5 Gallon PX Extended Life Hydraulic Fluid. Designed for use in Toro equipment created by Toro engineers. If you are unsure of your equipment needs, do a model extreme serial number search to verify that this is the correct oil type for your equipment.
Toro 55 Gallon PX Extended Life Hydraulic Fluid (Part # 133-8087)
Toro 55 Gallon PX Extended Life Hydraulic Fluid. Designed for use in Toro equipment created by Toro engineers. If you are unsure of your equipment needs, do a model extreme serial number search to verify that this is the correct oil type for your equipment.
Skid Plate Kit (Part # 136-4360)
20 x 10 - 10 6-Ply High Traction Tire (Part # 136-4440)
Toro 20 x 10 - 10 6-Ply OEM High Traction Tire. Toro OEM replacement pneumatic tire. This tire delivers superior traction on turf, grass & pavement. Ideal replacement tire for your riding equipment.
26 x 12 - 12 6-Ply High Traction Tire (Part # 136-4442)
Toro 26 x 12 - 12 6-Ply OEM High Traction Tire. Toro OEM replacement pneumatic tire. This tire delivers superior traction on turf, grass & pavement. Ideal replacement tire for your riding equipment.
Semi Pneumatic Wheel (Part # 137-5529)
Wrench-Castor Cap/Latch (Part # 138-6367)
Toro OEM Wrench-Castor Cap/Latch.
Fuel Kit (Part # 139-1000)
Leaf Mulching Kit (Part # 30419)
Course mesh screen closes off back of cutting chamber for increased mulching of leaves.
Replacement Deck (Part # 30451)
Toro genuine part.
CE Kit (Part # 30453)
Beacon Kit (Part # 30661)
Mounts to top of cab or ROPS.
Lights Adapter Kit (Part # 30691)
Provide extra light for everyday operations.
Slope Sensor Kit (Part # 31252)
Increase safety on slopes.
Horn Kit (Part # 31511)
Alert people and other vehicles to create a safer environment.
Backup Alarm Kit (Part # 31512)
Increase safety and protect operator from dangerous situations.
4WD Flow Divider Kit (Part # 31526)
LED Light Kit (Part # 31590)
Allows operator to mow in low light conditions.
Additional Turn Signal (Part # 31671)
Turn signal lights for both corners in the front and rear.
Cab/ROPS Light Kit (Part # 31693)
MVP KIT 1000 HOUR (Part # 44967)
Contains 125-7025 @ 2, 75-1310 @ 1, 94-2621 @ 1, 115-9793 @ 1, 125-2915 @ 2, 125-8752 @ 2, 108-3814 @ 2, 108-3816 @ 2
8 Inch Foam Filled Pneumatic Caster Wheel Assembly (Part # 93-5974)
Toro 8 Inch Foam Filled Pneumatic Caster Wheel Assembly. Pneumatic OEM replacement caster wheel features a smooth maneuvering pneumatic tire and metal wheel assembly with high-quality components. Pneumatic tires offer more shock absorption then solid ties which gives them a smoother ride. These tires are non-marking, foam filled and engineered for long service life.
-
Model #
30644 -
Serial #
412000000 - 416815608 -
Product Name
Groundsmaster® 4110-D -
Product Brand
Toro -
Product Type
Riding Products


















































































































