26 in. (66 cm) Power Max 826 OHAE Two-Stage Gas Snow Blower
Product Information
- Model #: 37805
- Serial #: 416243856 - 416499999
- Product Type: Snowthrowers
Loading...
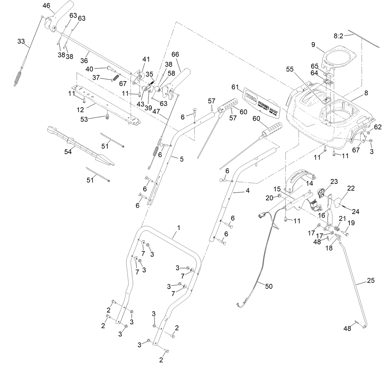
Assembly Drawings
Search for a part within assembly drawings:
-
Operator's Manual
-
Parts Catalog
-
Product Warranty
-
Quick Start Guide
-
ACMA Declaration of Conformity
Snow Blower Weight Kit (Part # 107-3815)
Toro genuine snow blower front weight kit equalizes weight distribution and holds the scraper blade closer to the ground. This kit is designed to enhance operator comfort, and adds extra weight to your snow blower allowing for a better balanced machine. recommended when used with Toro Snow Cab to keep machine balanced.
Snow Blower Snow Cab Kit (Part # 127-5960)
The Toro snow blower cab is the perfect addition to your Toro 2-stage snow blower. This easy-to-install cab protects you in the front, both sides and from above from blowing and swirling snow, sleet and wind. The Toro snow blower cab has clear, shatter resistant windows on 3 sides to ensure excellent visibility. In addition, the light-weight and tough, nylon reinforced, vinyl fabric resists tearing, abrasion, mold, mildew and rot. It's all designed to enhance your snow removal experience by making you more comfortable.
Snow Blower PowerMax Maintenance Kit (Part # 138-0702)
Toro maintenance kits contain everything the Do-it-yourselfers needs to keep your Toro machine running like new. It's an easy and Convenient way to ensure your Toro equipment will run its best year after year. All components are approved by Toro engineers for use with Toro engines.
Snow Blower Non-Marking Skid Replacement Kit for PowerMax Models (Part # 38211)
Replace your worn PowerMax Skid Shoes with this replacement non-marking skid kit. The kit contains 2 skid and the needed hardware. Worn skid shoes can cause damage to your pavement so check them annually for needed replacement. The Toro skid shoe for the SnowMaster is a 2 piece design with a metal bracket that attaches to the unit and a polyethylene shoe that protects the pavement.
Please contact your local dealer
Snow Blower Skid Replacement Kit for PowerMax Models (Part # 38212)
Replace your worn PowerMax Skid Shoes with this replacement skid kit. The kit contains 2 skid and the needed hardware. Worn skid shoes can cause damage to your pavement so check them annually for needed replacement.
Snow Blower Drift Breaker Kit (Part # 38213)
This drift breaker kit is for use with 24 in. and 26 in. Power Max Snowblowers. It will help to break down drifts in front of the auger housing and minimize snow accumulation across the top of the housing. This drift breaker will help optimize the performance of your Toro Snowblower.
Winter 0W-30 Synthetic Winter Engine Oil (Part # 38913)
Toro 0W-30 Synthetic Winter Engine Oil is engineered to provide superior performance and easy
starting in extreme cold temperatures. The easiest starting winter oil in extreme cold.
Two Stage Snow Blower Cover (Part # 490-7466)
Toro genuine snow blower cover. Specifically designed for Toro 2-Stage Power Max and Power Max HD models
Water resistant backing for extra weather protection
Heavy-duty abrasion resistant 600 Denier polyester fabric
Maintains flexibility, even on the coldest days
-
Model #
37805 -
Serial #
416243856 - 416499999 -
Product Name
26 in. (66 cm) Power Max 826 OHAE Two-Stage Gas Snow Blower -
Product Brand
Toro -
Product Type
Snowthrowers -
Chassis Type
Two Stage -
Swath
26 inch -
Discharge
Two Stage -
Engine/Motor Manufacturer
Toro -
Engine/Motor Size
252cc -
Engine/Motor Type
4 Cycle -
Engine Starter
Electric/Recoil -
Transmission Type
Friction Disc -
Traction Type
Rear WD





















