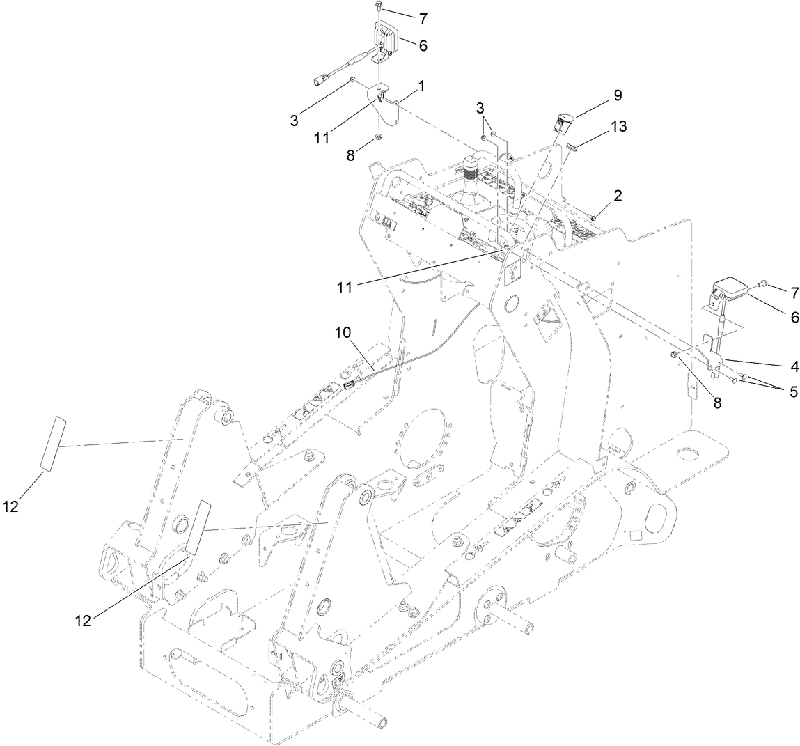
Dingo TX 1000 TURBO Light Kit
Product Information
- Model #: 145-4544
- Serial #: None - None
- Product Type: Compact Utility Loaders
Loading...
Assembly Drawings
Search for a part within assembly drawings:
-
Parts Catalog
-
Installation Instructions
-
Model #
145-4544 -
Serial #
None - None -
Product Name
Dingo TX 1000 TURBO Light Kit -
Product Brand
Toro -
Product Type
Compact Utility Loaders

