724-Z Tractor
Product Information
- Model #: Z1-24OE03
- Serial #: None - None
- Product Type: Riding Products
Loading...
Assembly Drawings
Search for a part within assembly drawings:
-
Service Manual
-
Operator's Manual
50" Side Discharge Mower (Part # 05-50ZS01)
48" Snow Blade (Part # 26-48BZ01)
Red Paint (Gallon) (Part # 361-11)
Genuine OEM Part
Red Paint (Part # 5340)
Genuine OEM Part
60" Side Discharge Mower (Part # C5-60ZS01)
-
Model #
Z1-24OE03 -
Serial #
None - None -
Product Name
724-Z Tractor -
Product Brand
Toro -
Product Type
Riding Products -
Product Series
Zero Radius Turn, 700 Series -
Swath
Deck Optional -
Discharge
Deck Optional -
Engine/Motor Manufacturer
Toro Power Plus/Onan -
Engine/Motor Size
24 hp -
Engine/Motor Type
4 Cycle -
Engine Starter
Electric -
Transmission Type
Hydrostatic
-
Engine: Bore
3.560" (90.42mm) -
Engine: Stroke
3.000" (76.20mm) -
Engine: Displacement
59.7 cu.in. (983cc) -
Engine: Compression Ratio
7.0:1 -
Engine: Rated Speed (maximum)
3600 RPM -
Engine: Power at Rated Speed
24hp (17.9kw) -
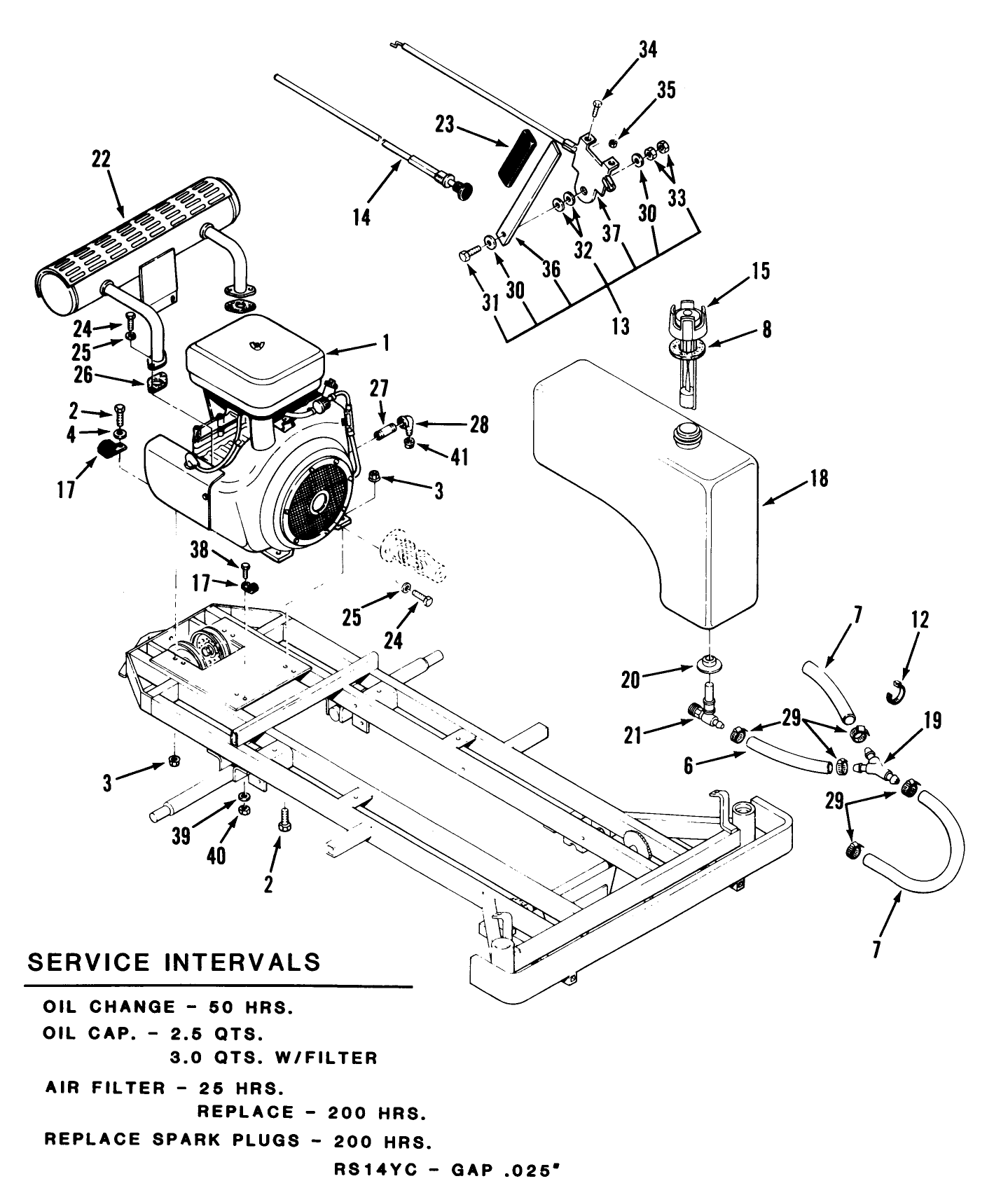
Engine: Oil Capacity (std) Base without Filter
1.5qts. (1.4L) -
Engine: Oil Capacity (high cap.) Base without Filter
2.7qts. (2.6L) -
Engine: Oil Filter Capacity
.3qts. (.3L) -
Engine: Crankshaft Rotation (Viewed from flywheel)
Clockwise -
Engine: Valve Clearance Intake (cold)
.005" (.13mm) -
Engine: Valve clearance Exhaust (cold)
.013" (.33mm) -
Engine: Ignition Timing (BTC)
20 Degrees -
Engine: Cylinder Compression
75/115 psi (517/793 kPa) -
Engine: Cylinder Bore Honed Diameter (Minimum)
3.5625" (90.49mm) -
Engine: Cylinder Bore Honed Diameter (Maximum)
3.5635" (90.51mm) -
Engine: Cylinder Tapper (Maximum)
0.003" (0.08mm) -
Engine: Block, Out of Round (Maximum)
0.003" (0.08mm) -
Engine: Block, Main Bearing I.D. (with out bearing)"Minimum"
2.1870"(55.55mm) -
Engine: Block, Main Bearing I.D. (with out bearing)"Maximum"
2.1880" (55.58mm) -
Engine: Block, Main Bearing I.D. Installed "Minimum"
2.0015" (50.84mm) -
Engine: Block, Main Bearing I.D. Installed "Maximum"
2.0040" (50.90mm) -
Engine: Camshaft Bearing Bore Installed "Minimum"
1.3757" (34.94mm) -
Engine: Camshaft Bearing Bore Installed "Maximum"
1.3787" (35.02mm) -
Engine: Crankshaft Main Bearing Journal Diameter "Minimum"
1.9992" (50.78mm) -
Engine: Crankshaft Main Bearing Journal Diameter "Maximum"
2.0000" (50.80mm) -
Engine: Crankshaft Main Bearing Clearance "Minimum"
0.0024" (0.061mm) -
Engine: Crankshaft Main Bearing Clearance "Maximum"
0.0042" (0.107mm) -
Engine: Crankshaft Connecting Rod Journal Diameter "Minimum"
1.6252" (41.28mm) -
Engine: Crankshaft Connecting Rod Journal Diameter "Maximum"
1.6260" (41.30mm) -
Engine: Crankshaft End Play " Minimum"
0.0060" (0.152mm) -
Engine: Crankshaft End Play " Maximum"
0.0120" (0.305mm) -
Engine: Connecting Rod, Large Bore Diameter Rod Torqued ( no bearing)"Minimum"
1.7505" (44.46mm) -
Engine: Connecting Rod, Large Bore Diameter Rod Torqued ( no bearing)"Maximum"
1.7510"(44.48mm) -
Engine: Connecting Rod Side Clearance "Minimum"
0.0020" (0.051mm) -
Engine: Connecting Rod Side Clearance "Maximum"
0.0160" (0.406mm) -
Engine: Piston Pin Bushing Bore "Minimum"
0.7504" (19.06mm) -
Engine: Piston Pin Bushing Bore "Maximum"
0.7508" (19.07mm) -
Engine: Connecting Rod Bearing To Crankshaft Clearance "Minimum"
0.0020" (0.051mm) -
Engine: Camshaft Bearing Journal Diameter "Minimum"
1.3740" (34.90mm) -
Engine: Camshaft Bearing Journal Diameter "Maximum"
1.3745" (34.91mm) -
Engine: Camshaft Bearing Clearance "Minimum"
0.0015" (0.038mm) -
Engine: Camshaft Bearing Clearance "Maximum"
0.0030" (0.076mm) -
Engine: Camshaft Lobe Height "Intake"
1.1670" (29.64mm) -
Engine: Camshaft Lobe Height "Exhaust"
1.1570" (29.39mm) -
Engine: Piston Clearance In Cylinder (90 Drgrees to pin 1.187" below top) "minimum"
0.0070" (0.178mm) -
Engine: Piston Clearance In Cylinder (90 Drgrees to pin 1.187" below top) "maximum"
0.0090" (0.229mm) -
Engine: Piston Pin Bore " Minimum"
0.7502" (19.06mm) -
Engine: Piston Pin Bore " Maximum"
0.7506" (19.07mm) -
Engine: Ring Groove Width Compression "Minimum"
0.0800" (2.032mm) -
Engine: Ring Groove Width Compression "Maximum"
0.0810" (2.057mm) -
Engine: Ring Groove Width Oil Control Ring "Minimum"
0.1880" (4.775mm) -
Engine: Ring Groove Width Oil Control Ring "Maximum"
0.1890" (4.801mm) -
Engine: Piston Pin Clearance in Piston "Minimum"
0.00004" (0.001mm) -
Engine: Piston Pin Clearance in Piston "Maximum"
0.00064" (0.016mm) -
Engine: Piston Pin Clearance in Connecting Rod " Minimum"
0.0002" (0.005mm) -
Engine: Piston Pin Clearance in Connecting Rod " Maximum"
0.0008" (0.020mm) -
Engine: Piston Pin Diameter "Minimum"
0.7500" (19.05mm) -
Engine: Piston Pin Diameter "Maximum"
0.7502" (19.06mm) -
Engine: Ring Clearance In Top Groove "Minimum"
0.0020" (0.051mm) -
Engine: Ring Clearance In Top Groove "Maximum"
0.0080" (0.203mm) -
Engine: Ring End Gap In Cylinder " Minimum"
0.0100" (0.254mm) -
Engine: Ring End Gap In Cylinder " Maximum"
0.0200" (0.508mm) -
Engine: Intake Valve Stem Diameter "Minimum"
0.3425" (8.700mm) -
Engine: Intake Valve Stem Diameter "Maximum"
0.3430" (8.712mm) -
Engine: Intake Valve Stem Clearance Stem To Guide "Minimum"
0.0010" (0.025mm) -
Engine: Intake Valve Stem Clearance Stem To Guide "Maximum"
0.0025" (0.064mm) -
Engine: Intake Valve Face Angle
44 Degrees -
Engine: Intake Seat Cylinder Head Bore Diameter " Minimum"
1.5645" (39.74mm) -
Engine: Intake Seat Cylinder Head Bore Diameter " Maximum"
1.5655" (39.76mm) -
Engine: Intake Seat Outside Diameter "Minimum"
1.5690" (39.85mm) -
Engine: Intake Seat Outside Diameter "Maximum"
1.5700" (39.88mm) -
Engine: Intake Valve Seat Width "Minimum"
0.0310" (0.787mm) -
Engine: Intake Valve Seat Width "Maximum"
0.0470" (1.194mm) -
Engine: Intake Valve Seat Angle
45 Degrees -
Engine: Exhaust Valve Stem Diameter "Minimum"
0.3410" (8.661mm) -
Engine: Exhaust Valve Stem Diameter "Maximum"
0.3420" (8.687mm) -
Engine: Exhaust Valve Clearance Stem to Guide "Minimum"
0.0025" (0.064mm) -
Engine: Exhaust Valve Clearance Stem to Guide "Maximum"
0.0040" (0.102mm) -
Engine: Exhaust Valve Face Angle
44 Degrees -
Engine: Exhaust Valve Seat Cylinder Head Bore "Minimum"
1.2510" (31.78mm) -
Engine: Exhaust Valve Seat Cylinder Head Bore "Maximum"
1.2520" (31.80mm) -
Engine: Exhaust Valve Seat Outside Diameter "Minimum"
1.2550" (31.88mm) -
Engine: Exhaust Valve Seat Outside Diameter "Maximum"
1.2560" (31.90mm) -
Engine: Exhaust Valve Seat Width "Minimum"
0.0310" (0.787mm) -
Engine: Exhaust Valve Seat Width "Maximum"
0.0470" (1.194mm) -
Engine: Exhaust Valve Seat Angle
45 Degrees -
Engine: Valve Guide Intake I.D. "Minimum"
0.3440" (8.738mm) -
Engine: Valve Guide Intake I.D. "Maximum"
0.3460" (8.788mm) -
Engine: Valve Guide Exhaust I.D. "Minimum"
0.3440" (8.738mm) -
Engine: Valve Guide Exhaust I.D. "Maximum"
0.3460" (8.788mm) -
Engine: Tappet Body Diameter "Minimum"
0.7475" (18.99mm) -
Engine: Tappet Body Diameter "Maximum"
0.7480" (19.00mm) -
Engine: Tappet Bore Diameter "Minimum"
0.7500" (19.05mm) -
Engine: Tappet Bore Diameter "Maximum"
0.7515" (19.09mm) -
Engine: Head Clearance In Bore "Minimum"
0.0020" (0.051mm) -
Engine: Head Clearance In Bore "Maximum"
0.0040" (0.102mm) -
Engine: Valve Spring Free Length (Approx.)
1.662" (42.21mm) -
Engine: Valve Spring Length Valve Open
1.125" (28.58mm) -
Engine: Valve Spring Length Valve Closed
1.375" (34.93mm) -
Engine: Head Spring Load Valve Open
71 lbs. (32 kg) -
Engine: Head Spring Load Valve Closed
38 lbs. (17 kg) -
Engine: Timing Gear Backlash "Minimum"
0.0010" (0.025mm) -
Engine: Timing Gear Backlash "Maximum"
0.0050" (0.127mm) -
Engine: Oil Pump Gear Backlash "Minimum"
0.0010" (0.025mm) -
Engine: Oil Pump Gear Backlash "Maximum"
0.0080" (0.203mm) -
Engine Torque: Gearcase Cover
8-10 ft.lbs. (11-14 Nm) -
Engine Torque: Rear Bearing Plate Screws
25-27 ft.lbs. (34-37Nm) -
Engine Torque: Starter Mounting Bolts
19-21 ft.lbs.(25-28Nm) -
Engine Torque: Connecting Rod Bolts
27-29 ft.lbs. (37-39Nm) -
Engine Torque: Flywheel Capscrews
50-55 ft.lbs. (67-75Nm) -
Engine Torque: Oil Base
18-23 ft.lbs.(24-31Nm) -
Engine Torque: Oil Pump
7-9 ft.lbs. (10-12Nm) -
Engine Torque: Valve Cover
4-8 ft.lbs. (5-11Nm) -
Engine Torque: Cylinder Head Nuts ( w/Compression Washers)
14 ft.lbs. (19Nm) -
Engine Torque: Cylinder Head Nuts ( w/o Compression Washers)
17 ft.lbs. (23Nm) -
Engine Torque: Intake Manifold Mounting Screws
6-10 ft.lbs. (8-14Nm) -
Engine Torque: Exhaust Manifold Mounting Screws
9-11 ft. lbs. (12-15Nm) -
Engine Torque: 1/4" Cylinder Block Stud & Nuts
7-9 ft.lbs. (10-12Nm) -
Engine Torque: 5/16" Cylinder Block Stud & Nuts
8-10 ft.lbs. (11-14Nm) -
Engine Torque: 3/8" Cylinder Block Stud & Nuts
18-23 ft.lbs. (24-31Nm) -
Engine: Spark Plug Gap
.025"/ .64mm
























