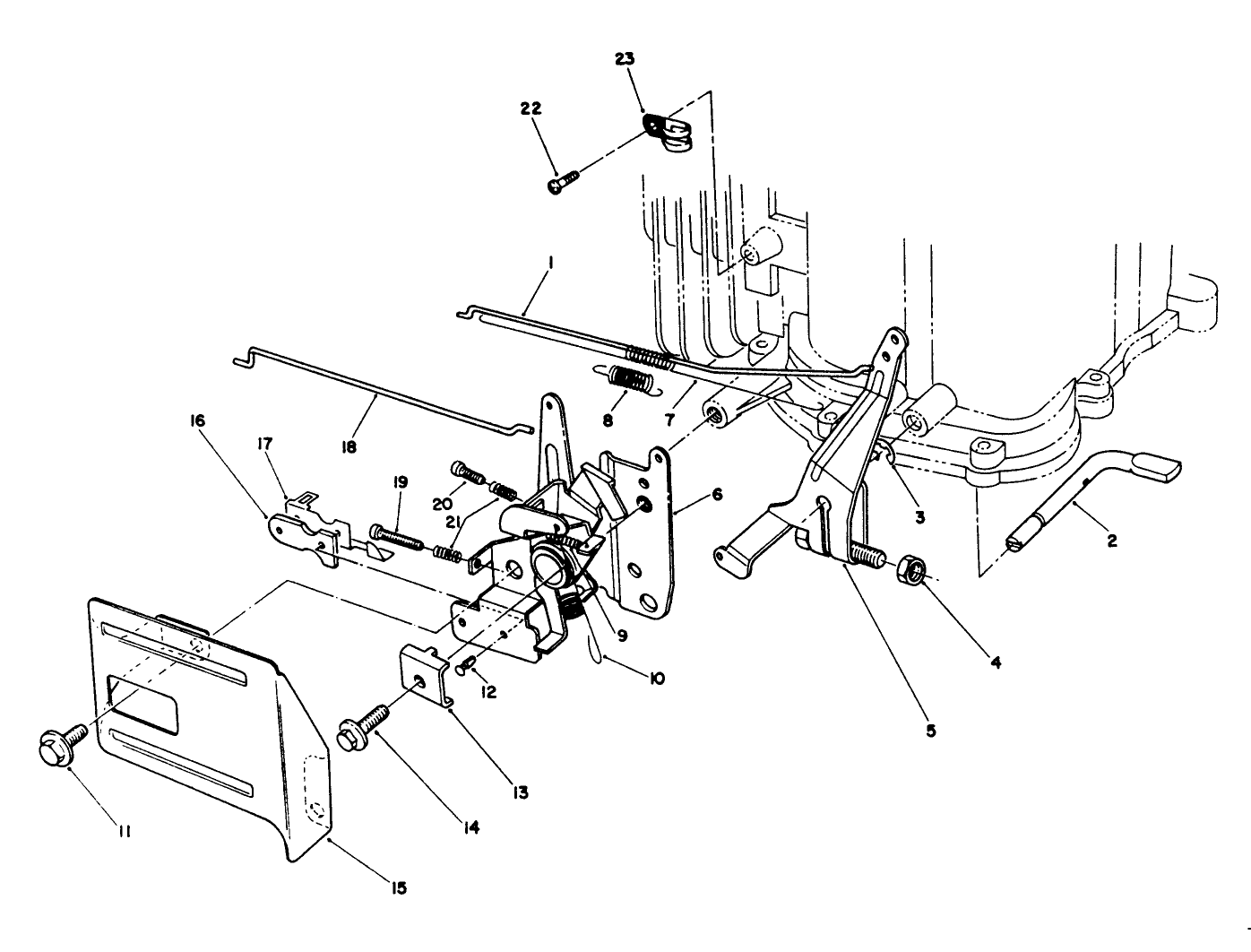
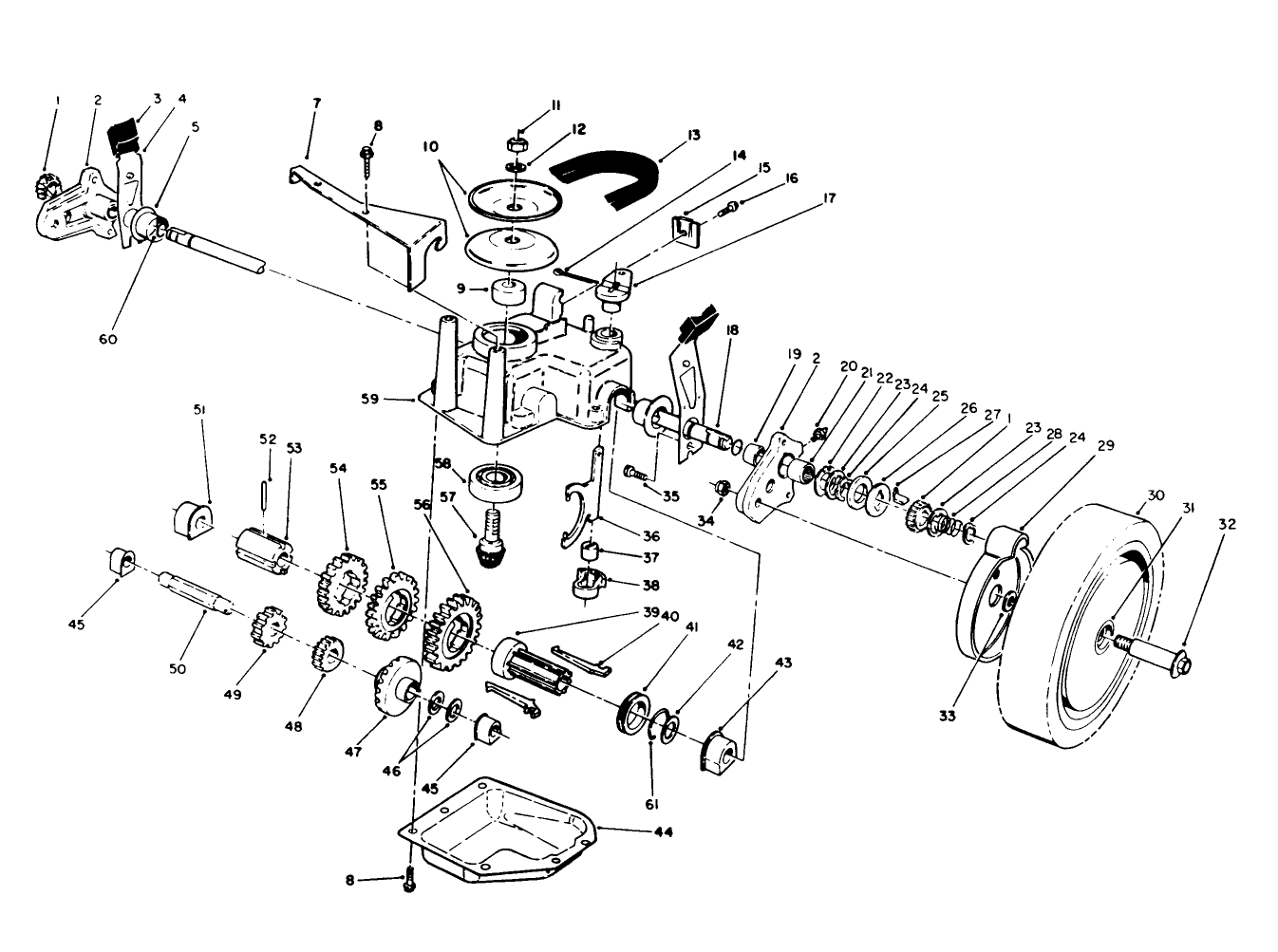
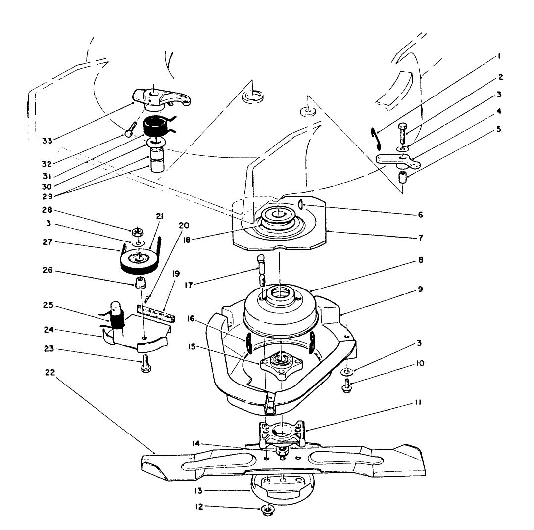
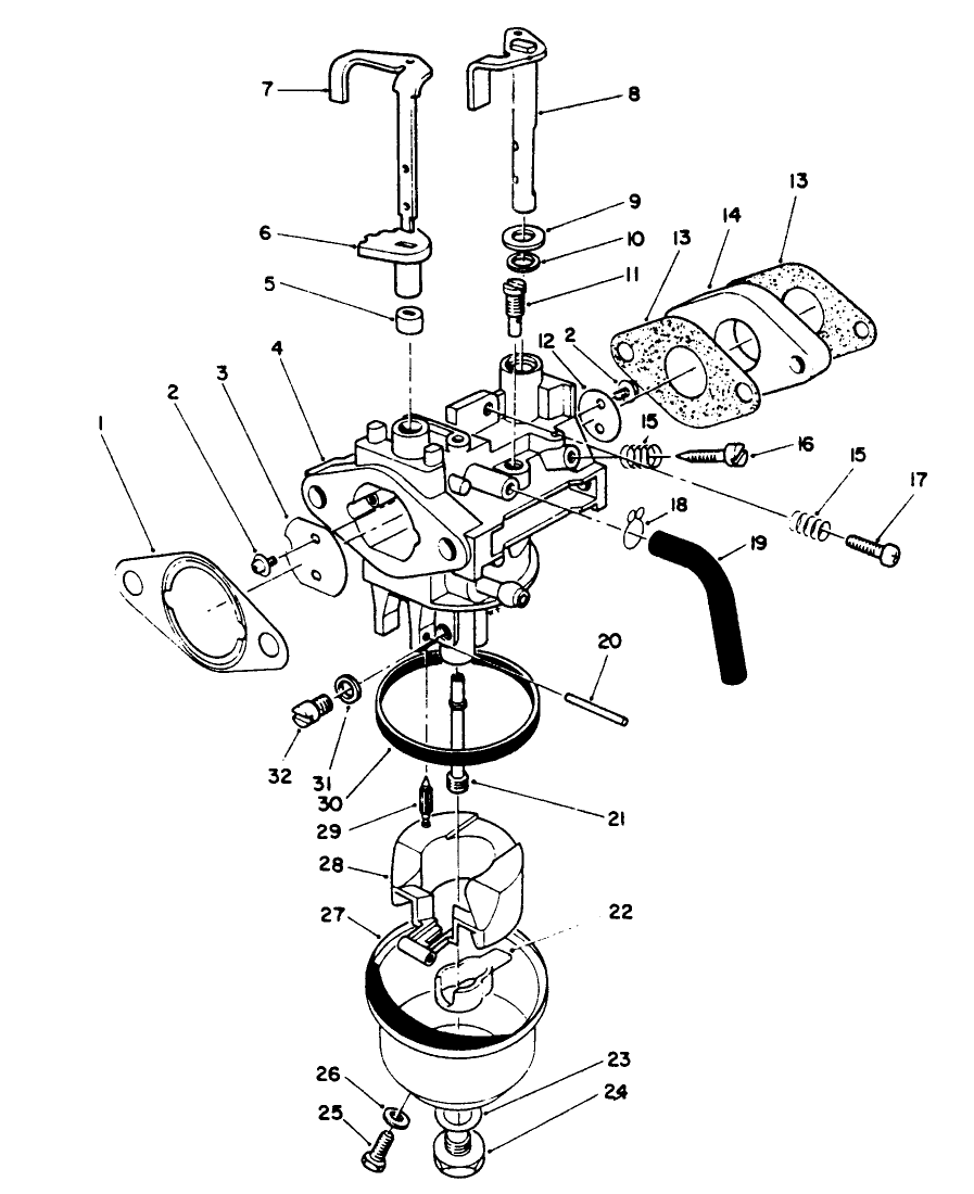
Image Not Found

Product Information

  • Model #: 20622
  • Serial #: 0003102 - 0999999
  • Product Type: Walk Behind Mowers
Image Not Found
Bagger Kit (Part # 43-0018)
Image Not Found
Leaf Shredder (Part # 59157)
Image Not Found
Side Discharge Chute (Part # 59168)
Image Not Found
21" Recycler Kit (Part # 59173)
  • Model #
    20622
  • Serial #
    0003102 - 0999999
  • Product Name
    Lawnmower
  • Product Brand
    Toro
  • Product Type
    Walk Behind Mowers
  • Product Series
    21" (53cm) 3 in 1 / Recycler
  • Chassis Type
    Cast Deck WPM
  • Swath
    21 inch
  • Discharge
    Rear Bagger
  • Engine/Motor Manufacturer
    Suzuki
  • Engine/Motor Size
    5 hp
  • Engine/Motor Type
    4 Cycle
  • Engine Starter
    Recoil
  • Transmission Type
    Gear
  • Engine: Bore & Stroke
    2.52" x 1.73" (64 x 44mm)
  • Engine: Displacement
    8.7 cu. in. (141cc)
  • Engine: Maximum Output
    4hp at 3600 rpm's
  • Engine: Maximum Torque
    6 ft. lbs (0.83 kg-m ) @ 2700 rpm's
  • Engine: Spark Plug
    NGK BPR6ES
  • Engine: Fuel Tank Capacity
    .26 Gallon (1.2 L)
  • Engine: Recommended Oil
    30 Weight or 10w-30 Multi-viscosity
  • Engine: Oil Capacity
    18.59 oz. (550 ml )
  • Engine: Ignition System
    Electronic Transistorized Ignition
  • Engine: Ignition Timing Degree
    25 BTDC +/- 2 degrees / 3000 rpm
  • Engine: Starting System
    Recoil / Electric (12volt)
  • Engine: Governor
    Centrifugal Mechanical
  • Engine: Oil Pump
    Trochoid oil pump
  • Engine: Carburetor
    Butterfly valve
  • Engine: Air Cleaner
    Polyurethane Foam element
  • Engine: Dry Weight
    26.5 lbs. (12.0 kg)
  • Engine: Crankshaft Diameter ( upper )
    0.8646/0.8654" (21.960/21.980mm)
  • Engine: Crankshaft Diameter ( lower)
    0.9826/0.9835" (24.959/24.980mm)
  • Engine: Crankshaft Deflection (max. wear limit)
    0.0020" (0.05mm)
  • Engine: Wear Limit on Cylinder Bore
    0.0039" (0.100mm)
  • Engine: Piston Diameter (std)
    2.5181/2.5187" (63.960/63.975mm)
  • Engine: Piston Diameter (max. wear limit)
    2.5163" (63.915mm)
  • Engine: Piston to Cylinder Clearance (std)
    0.0010/0.0022" (0.025/0.055mm)
  • Engine: Piston to Cylinder Clearance (max. wear limit)
    0.0047" (0.120mm)
  • Engine: Piston Pin Hole Diameter
    0.5904/0.5911" (15.006/15.014mm)
  • Engine: Piston Pin Diameter
    0.5904/0.5906" (14.995/15.000mm)
  • Engine: Piston Pin Clearance in Connecting Rod
    0.0002/0.0007" (0.006/0.019mm)
  • Engine: Piston Pin Clearance in Connecting Rod (max wear limit)
    0.0020" (0.05mm)
  • Engine: Piston Ring Grove Width (top & 2nd.)
    0.0598/0.0606" (1.52/1.54mm)
  • Engine: Piston Ring Thickness
    0.0579/0.0587" (1.47/1.49mm)
  • Engine: Piston Ring Clearance in Grove
    0.0012/0.0028" (0.03/0.07mm)
  • Engine: Piston Ring Clearance in Grove (max. wear limit)
    0.0039" (0.10mm)
  • Engine: Piston Ring End Gap
    0.0079/0.0158" (0.2/0.4mm)
  • Engine: Piston Ring End Gap (max. wear limit)
    0.0276" (0.70mm)
  • Engine: Connecting Rod Big End Side Clearance
    0.945/0.953" (24.00/24.20mm)
  • Engine: Connecting Rod Big End Side Diameter
    1.024/1.025" (26.015/26.025mm)
  • Engine: Crank Pin Diameter
    1.023/1.025" (26.015/26.025mm)
  • Engine: Crankpin Oil Clearance in Connecting Rod
    0.0006/0.0014" (0.015/0.035mm)
  • Engine: Crankpin Oil Clearance in Connecting Rod (max. wear limit)
    0.0031" (0.080mm)
  • Engine: Cylinder Head Distortion Limit
    0.0012" (0.03mm)
  • Engine: Valve Head Thickness
    0.0012/0.0028" (0.03/0.07mm)
  • Engine: Valve Head Thickness (max. wear limit)
    0.0079" (0.20mm)
  • Engine: Width of Valve Seat Contact
    0.0354/0.0433" (0.900/1.100mm)
  • Engine: Valve Lash
    .001/.005" (0.13mm)
  • Engine: Valve Stem Diameter ( Intake )
    0.2150/0.2156" (5.460/5.475mm)
  • Engine: Valve Stem Diameter (Exhaust)
    0.2142/0.2148" (5.440/5.455mm)
  • Engine: Valve Guide Inside Diameter (Intake)
    0.2165/0.2170" (5.500/5.512mm)
  • Engine: Valve Guide Inside Diameter (Exhaust)
    0.2165/0.2170" (5.500/5.512mm)
  • Engine: Valve Guide to Valve Stem Clearance (Intake)
    0.0010/0.0020" (0.025/0.052mm)
  • Engine: Valve Guide to Valve Stem Clearance Intake (max. wear limit)
    0.0039" (0.080mm)
  • Engine: Valve Guide to Valve Stem Clearance (Exhaust)
    0.0028/0.0018" (0.045/0.072mm)
  • Engine: Valve Guide to Valve Stem Clearance Exhaust (max wear limit)
    0.0039" (0.100mm)
  • Engine: Valve Guide Oversize
    0.0118" (0.3mm)
  • Engine: Valve Spring Free Length
    1.2598/1.3386" (32.0/34.0mm)
  • Engine: Valve Spring Free Length (max. wear limit)
    1.2205" (31.0mm)
  • Engine: Cam. Height
    1.2015/1.2038" (30.517/30.577mm)
  • Engine: Carburetor, Type
    Mikuni BV 18-13
  • Engine: Carburetor, Main Jet (High Altitude)
    82.5 (80 part # 81-1040 )
  • Engine: Carburetor, Main Air Jet
    0.0709" (1.8mm)
  • Engine: Carburetor, Pilot Jet
    40
  • Engine: Carburetor, Pilot Air Jet
    0.0394" (1.0mm)
  • Engine: Carburetor, Throttle Valve
    130
  • Engine: Carburetor, Pilot Outlet
    0.0276" (0.7mm)
  • Engine: Carburetor, Valve Seat
    0.0591" (1.5mm)
  • Engine: Carburetor, Air screw Turns Open
    1.0
  • Engine Torque: Cylinder Head Bolts
    13.0/20.0 ft.lbs. (1.8/2.8 kg-m)
  • Engine Torque: Flywheel Nut
    40.5/46.5 ft. lbs. (5.6/6.4 kg-m)
  • Engine Torque: Connecting Rod Nut
    4.5/7.0 ft.lbs (0.6/1.0kg-m)
  • Engine Torque: Conventional Bolts (5mm)
    1.5/3.0 ft.lbs. (0.2/0.4 kg-m)
  • Engine Torque: Conventional Bolts (6mm)
    3.0/5.0 ft.lbs. (0.4/0.7 kg-m)
  • Engine Torque: Conventional Bolts (8mm)
    7.0/11.5 ft. lbs (1.0/1.6 kg-m)
  • Engine Torque: Conventional Bolts (10mm)
    16.0/25.5 ft.lbs. (2.2/3.5 kg-m)
  • Engine Torque: "#7" Marked Bolts (5mm)
    2.0/4.5 ft.lbs. (0.3/0.6 kg-m)
  • Engine Torque: "#7" Marked Bolts (6mm)
    6.0/8.5 ft.lbs. (0.8/1.2 kg-m)
  • Engine Torque: "#7" Marked Bolts (8mm)
    13.0/20.0 ft.lbs. (1.8/2.8 kg-m)
  • Engine Torque: "#7" Marked Bolts (10mm)
    29.0/43.5 ft.lbs. (4.0/6.0 kg-m)
  • Chassis: Height of Cut Range
    1-3"; 1/2" increments
  • Drive System: Gearbox Lubricant
    6 oz. (170gm) #2 Lithium grease
  • Drive System: Ground Speed
    1.8 / 2.7 / 3.8 mph
  • Engine: Engine Oil Type
    18.5 oz. (.55l) 30w or 10w-30 / API SH or higher
  • Engine: Engine Speed
    3000±150 RPM
  • Engine: Ignition Coil Air Gap
    .015-.020" / .4-.5mm
  • Engine: Spark Plug Gap
    .030"/ .76mm

Register your product

Registering your product will ensure notification of important updates and expedite warranty service should it be necessary.

Register Now