21" Recycler II Super Pro
Product Information
- Model #: 20436
- Serial #: 39000001 - 39999999
- Product Type: Walk Behind Mowers
Loading...
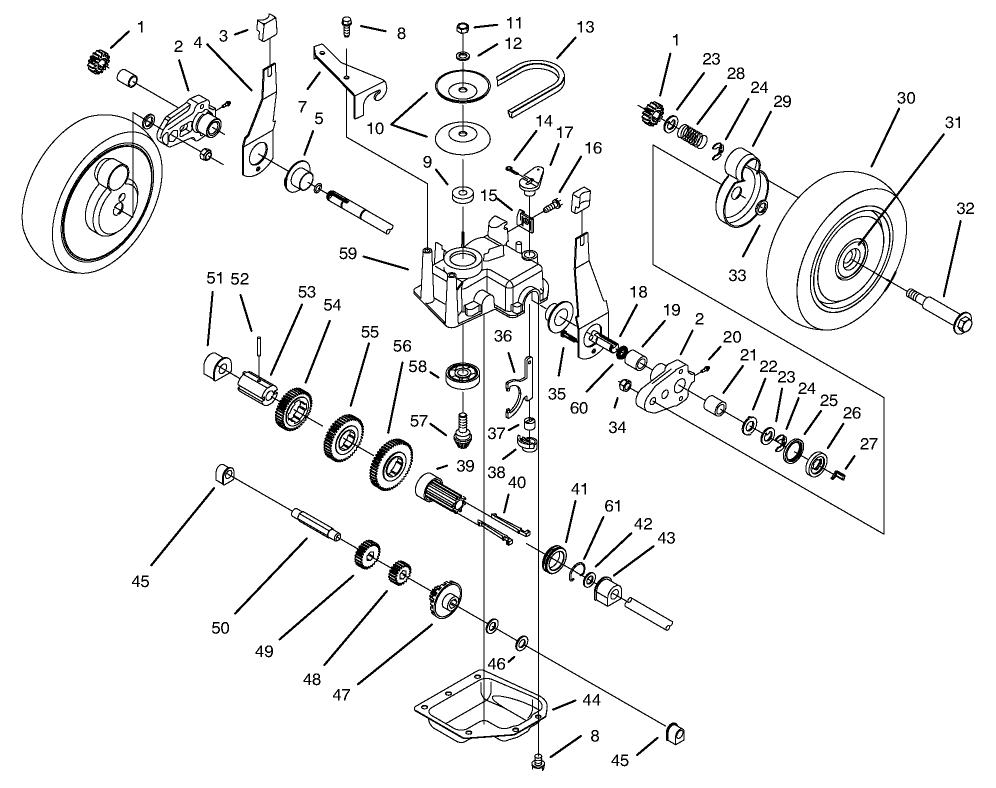
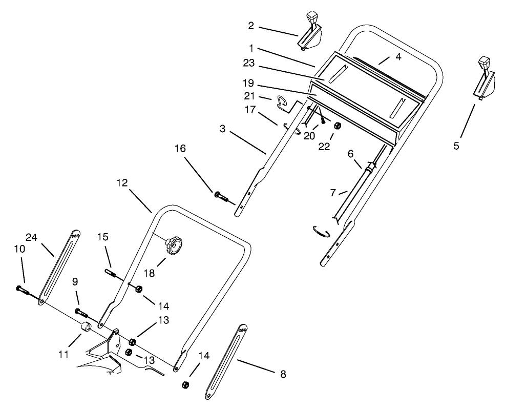
Assembly Drawings
Search for a part within assembly drawings:
-
Service Manual
-
Operator's Manual
-
Parts Catalog
Bagger Kit (Part # 59174)
Side Discharge Chute (Part # 59189)
-
Model #
20436 -
Serial #
39000001 - 39999999 -
Product Name
21" Recycler II Super Pro -
Product Brand
Toro -
Product Type
Walk Behind Mowers -
Product Series
21" (53cm) 3 in 1 / Recycler -
Chassis Type
Cast Deck WPM -
Swath
21 inch -
Discharge
Recycler -
Engine/Motor Manufacturer
Briggs & Stratton -
Engine/Motor Size
5 hp -
Engine/Motor Type
4 Cycle -
Engine Starter
Recoil -
Transmission Type
Gear
-
Engine: Bore
2 -11/16" (68.26mm) -
Engine: Stroke
2 -3/64" (51.99mm) -
Engine: Displacement
11.57 cu.in. (189.6cc) -
Engine: Torque (net)
5.4 ft.lbs. @ 2500 rpm -
Engine: Torque (gross)
6.1 ft.lbs. @ 2400 rpm -
Engine: Torque (gross)
6.7 ft.lbs. @ 2500 rpm -
Engine: Spark Plug (Resistor)
Champion RJ19LM -
Engine: Intake Valve Gap
0.005/0.007" (0.13/0.18mm) -
Engine: Exhaust Valve Gap
0.007/0.009" (0.18/0.23mm) -
Engine: Oil Capacity
1.25 pts. (0.6L) -
Engine: Horse Power
5.0 hp. -
Engine: Fuel Capacity
1.5 qts. (1.4L ) -
Engine: Air Filter
Paper Element -
Engine: Governor
Mechanical -
Engine: Weight
24.5 lbs. -
Engine: Bore
2.6885" (68.28mm) Max -
Engine: Stroke
2.04" (51.81mm) -
Engine: Displacement
190cc (11.57 cuin.) -
Engine: Cylinder Matereial
Aluminum alloy -
Engine: Crankshaft Bearing (Magneto)
Plain, aluminum alloy -
Engine: Crankshaft bearing (PTO)
Plain, aluminum alloy -
Engine: Connecting rod bearing (lower)
Plain, aluminum alloy -
Engine: Engine Rotation
Counterclockwise (as viewed from PTO end) -
Engine: Carburetor
Float-type, Wolbro with dust seals on choke & throttle -
Engine: Fuel
Unleaded regular gasoline -
Engine: Fuel Tank Capacity
1.2 liters (41.6 oz. with shut off valve -
Engine: Ignition System
Magnetron -
Engine: Ignition timing
N/A -
Engine: Starting System
Recoil -
Engine: Lubrication
Splash type -
Engine: Oil capacity
.6 Liters (20oz) -
Engine: Recommended Oil
detergent SAE30 or 10W30, API rating SF or SG -
Engine: Low Throttle Speed
1750 +/- 300 rpm -
Engine: Governed Engine Speed
3000 +/- 100 rpm -
Engine: Air Cleaner
paper element -
Engine: Valve Margin
.032" (.8 mm) Allowable Limit: .016" (.4 mm) -
Engine: Width of Valve Seat Contact
.047" (1.19 mm) Allowable Limit: .063" (1.6 mm) -
Engine: Intake Valve Lash
.005" (.13 mm) Allowable Limit: .007" (.18 mm) -
Engine: Exhaust Valve Lash
.007" (.18 mm) Allowable Limit: .009" (.23 mm) -
Engine: Intake Valve Seat Angle
30 degrees or 45 degrees refinish as original -
Engine: Exhaust Valve Seat Angle
45 degrees -
Engine: Intake Valve Face Angle
30 degrees or 45 degrees refinish as original -
Engine: Exhaust Valve Face Angle
45 degrees -
Engine: PTO Journal Diameter
Allowable Limit: 1.060" (26.924 mm) -
Engine: Magneto Journal
Allowable Limit: .873" (22.174 mm) -
Engine: Connecting Rod Journal Diameter
Allowable Limit: .996" (25.298 mm) -
Engine: Connecting Rod Bearing Diameter (Big End)
Allowable Limit: 1.001" (25.425 mm) -
Engine: Connecting Rod Journal Oil Clearance
Allowable Limit: .005" (.1270 mm) -
Engine: Piston Pin Bearing
Allowable Limit: .492" (12.496 mm) -
Engine: Piston Pin Diameter
Allowable Limit: .489" (12.420 mm) -
Engine: Cylinder Diameter
2.6885" max (68.288 mm) Allowable Limit: 2.6875" min (68262 mm) -
Engine: Camshaft Bearing Diameter
Allowable Limit: .498" (12.649 mm) -
Engine: Camshaft Lobe Height
Allowable Limit: .883" (22.428 mm) -
Engine: Piston Ring End Gap (Compression Ring)
Allowable Limit: .035" (.889 mm) -
Engine: Piston Ring End Gap (Oil Ring)
Allowable Limit: .045" (1.143 mm) -
Engine: Piston Ring Side Clearance (Compression Rings Only)
Allowable Limit: .007" (.178 mm) -
Engine: Crankshaft Axial (End) Play
.002" (.050 mm) Allowable Limit: .033" (.838 mm) -
Engine Carburetor: Type
float-type, Walbro with Dust seals on choke and throttle shaft -
Engine Carburetor: Main Jet (STD)
fixed -
Engine Carburetor: Idle Mixture Screw
1 turn open -
Engine Torque: Cylinder Head Bolts
12 ft lbs (1.6 kg m) -
Drive System: Gearbox Lubricant
3 oz. (92gm) #2 Lithium grease -
Chassis: Height of Cut Range
1-3"; 1/2" increments -
Drive System: Ground Speed
1.8 / 2.7 / 3.8 mph -
Engine: Engine Oil Type
20 oz. (.6l) 30w or 10w-30 / API SH or higher -
Engine: Engine Speed
3000±150 RPM -
Engine: Ignition Coil Air Gap
.006-.010" / .15-.25mm -
Engine: Spark Plug
Champion RCJ8 -
Engine: Spark Plug Gap
.030"/ .76mm













