21" Recycler II Super Pro
Product Information
- Model #: 20437
- Serial #: 39000001 - 39999999
- Product Type: Walk Behind Mowers
Loading...
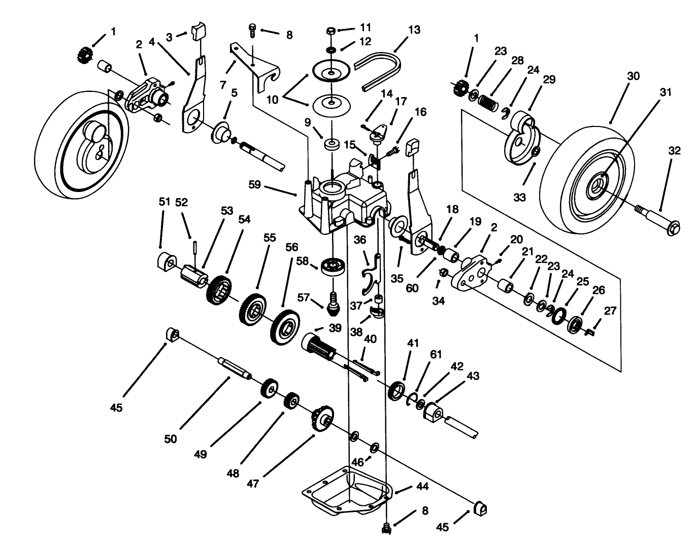
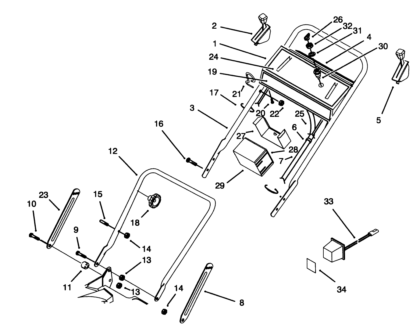
Assembly Drawings
Search for a part within assembly drawings:
-
Service Manual
-
Operator's Manual
-
Parts Catalog
Bagger Kit (Part # 59174)
Side Discharge Chute (Part # 59189)
-
Model #
20437 -
Serial #
39000001 - 39999999 -
Product Name
21" Recycler II Super Pro -
Product Brand
Toro -
Product Type
Walk Behind Mowers -
Product Series
21" (53cm) 3 in 1 / Recycler -
Chassis Type
Cast Deck WPM -
Swath
21 inch -
Discharge
Recycler -
Engine/Motor Manufacturer
Briggs & Stratton -
Engine/Motor Size
5 hp -
Engine/Motor Type
4 Cycle -
Engine Starter
Electric -
Transmission Type
Gear
-
Engine: Bore
2 -11/16" (68.26mm) -
Engine: Stroke
2 -3/64" (51.99mm) -
Engine: Displacement
11.57 cu.in. (189.6cc) -
Engine: Torque (net)
5.4 ft.lbs. @ 2500 rpm -
Engine: Torque (gross)
6.1 ft.lbs. @ 2400 rpm -
Engine: Torque (gross)
6.7 ft.lbs. @ 2500 rpm -
Engine: Spark Plug (Resistor)
Champion RJ19LM -
Engine: Intake Valve Gap
0.005/0.007" (0.13/0.18mm) -
Engine: Exhaust Valve Gap
0.007/0.009" (0.18/0.23mm) -
Engine: Oil Capacity
1.25 pts. (0.6L) -
Engine: Horse Power
5.0 hp. -
Engine: Fuel Capacity
1.5 qts. (1.4L ) -
Engine: Air Filter
Paper Element -
Engine: Governor
Mechanical -
Engine: Weight
24.5 lbs. -
Drive System: Gearbox Lubricant
3 oz. (92gm) #2 Lithium grease -
Chassis: Height of Cut Range
1-3"; 1/2" increments -
Drive System: Ground Speed
1.8 / 2.7 / 3.8 mph -
Engine: Engine Oil Type
20 oz. (.6l) 30w or 10w-30 / API SH or higher -
Engine: Engine Speed
3000±150 RPM -
Engine: Ignition Coil Air Gap
.006-.010" / .15-.25mm -
Engine: Spark Plug
Champion RCJ8 -
Engine: Spark Plug Gap
.030"/ .76mm














