Lawnmower
Product Information
- Model #: 20439
- Serial #: 39000001 - 39999999
- Product Type: Walk Behind Mowers
Loading...
Assembly Drawings
Search for a part within assembly drawings:
-
Service Manual
-
Operator's Manual
-
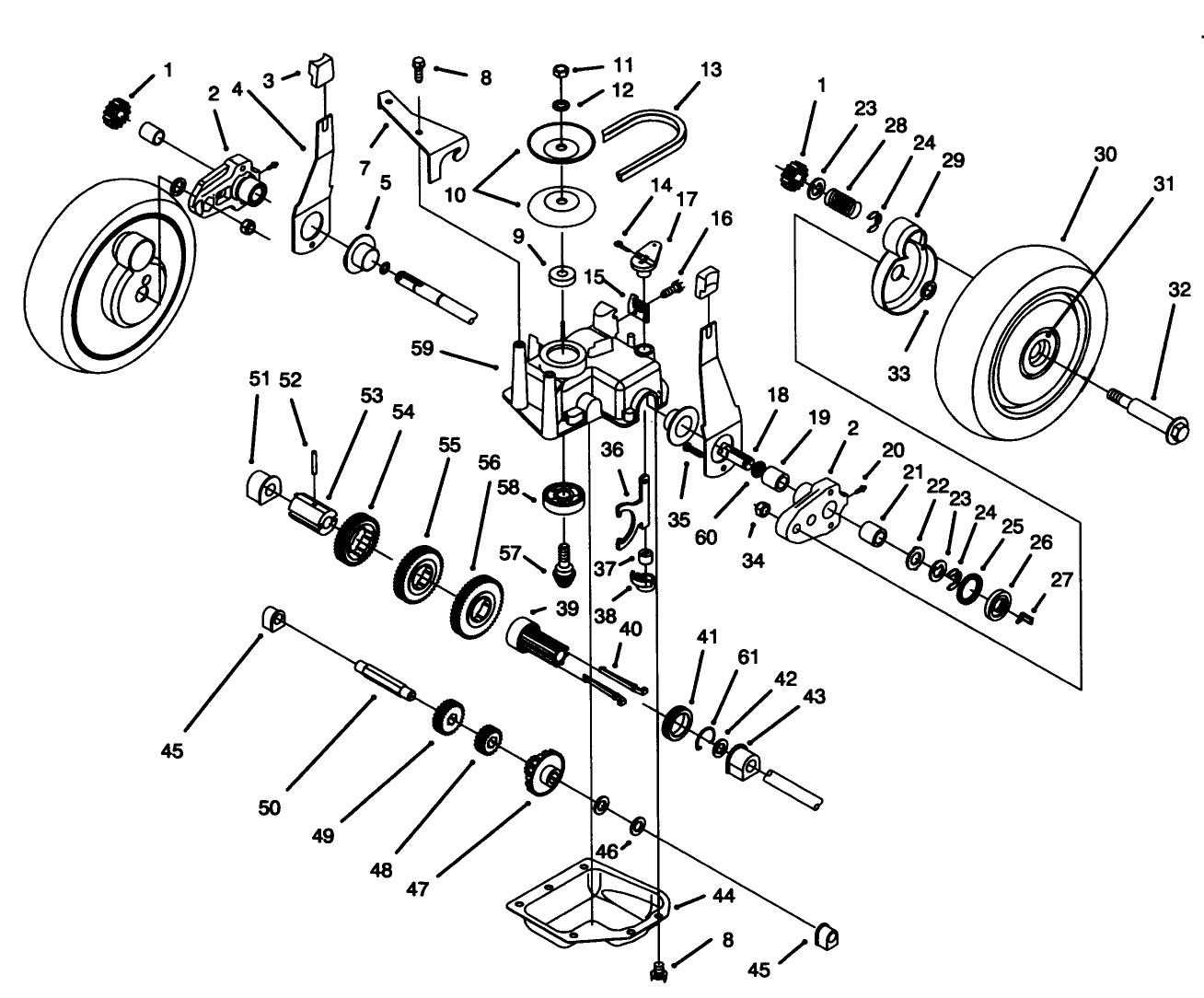
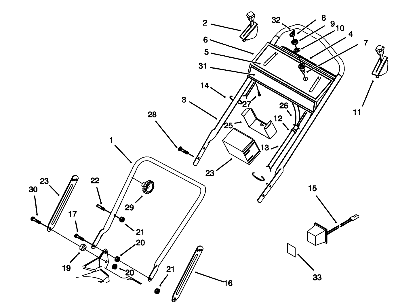
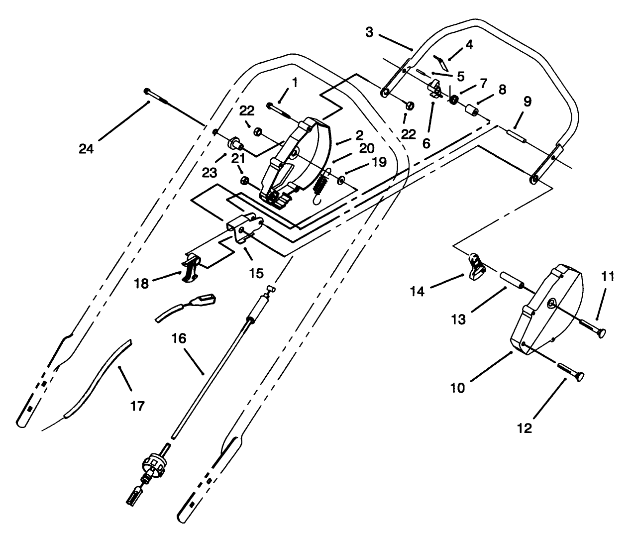
Parts Catalog
-
Addendum
Bagger Kit (Part # 59174)
Side Discharge Chute (Part # 59189)
-
Model #
20439 -
Serial #
39000001 - 39999999 -
Product Name
Lawnmower -
Product Brand
Toro -
Product Type
Walk Behind Mowers -
Product Series
21" (53cm) 3 in 1 / Recycler -
Chassis Type
Cast Deck WPM -
Swath
21 inch -
Discharge
Recycler -
Engine/Motor Manufacturer
Toro/Briggs & Stratton -
Engine/Motor Size
5.5 hp -
Engine/Motor Type
4 Cycle -
Engine Starter
Electric -
Transmission Type
Gear
-
Engine: Bore
2.562" (65.07mm) -
Engine: Stroke
1.780" (45.21mm) -
Engine: Displacement
9.18 cu. in. (150.46cc) -
Engine: Valve Lash (Cold Setting )
.005-.007" (.13-.18mm) -
Engine: Valve Set Angle (Factory)
44 Degrees -
Engine: Valve Set Angle (Resurface)
45 Degrees -
Engine: Valve Face Angle (Factory)
44.75 Degrees -
Engine: Valve Face Angle (Resurface)
45 Degrees -
Engine: Compression
90/110 psi. (6.5/7.8 kg-cm) -
Engine: Engine Rotation
Counter Clockwise as viewed from PTO -
Engine: Carburetor
Float type with a fix main jet -
Engine: Fuel Tank Capacity
44oz. (1.3 L) -
Engine: Ignition System
Solid State Magneto Type -
Engine: Ignition Timing
22 Degrees BTDC -
Engine: Ignition Coil Resistance
Primary .2/.4 Ohms, secondary 2400-5000 Ohms -
Engine: Spark Plug & Gap
Champion RC12YC, Gap .030" (.76mm) -
Engine: Starting Systems
Rewind (12 Volt on some models) -
Engine: Alternator Output
.5 Amp (unregulated) -
Engine: Lubrication
Gerotor Pump and Splash -
Engine: Oil Capacity
25 oz. (.74 L ) -
Engine: Recommended Oil
detergent SAE10W-30 or 30, SF,SG -
Engine: Governor
centrifugal, mechanical -
Engine: Governored Engine Speed
3000 +/- 100 RPM -
Engine: Idle Speed
1400 +/- 100 RPM -
Engine: Air Cleaner
Two sage foam type, with optional paper element -
Engine: Choke
Manual, snap over design -
Engine: Fuel Filter
in tank, washable, 75 micron -
Engine: Piston
aluminum alloy, permanent mold -
Engine: Piston Rings
two compression, one, 3piece oil control -
Engine: Carburetor, Type
Walbro float type -
Engine: Carburetor, Main Jet (std)
#30-.0295" (.75mm) -
Engine: Carburetor, Main Jet (high alt.)
#28- .0280" (.71mm) -
Engine: Carburetor, Pilot Jet
.0360" (.91mm) tube, no jet -
Engine: Carburetor, Seat Material
Viton -
Engine: Carburetor, Inlet Needle Material
Stainless steel -
Engine: Carburetor, Inlet Needle Pop off Pressure
5 psi. (.7 kg/cm) -
Engine Torque: Spark Plug Torque
170 in.lbs. (19N-m) -
Engine Torque: Cylinder Head Bolts
160 in. lbs. (18 N-m) -
Engine Torque: Flywheel Nut
60 ft. lbs. (81 N-m) -
Engine Torque: Connecting Rod Nuts
100 in. lbs. (11N-m) -
Engine Torque: Rewind Starter Pulley Screw
70 in. lbs. (8 N-m) -
Engine Torque: Rewind Starter Mounting Screws
40 in. lbs. (5 N-m) -
Engine Torque: Air Cleaner Screws
35 in. lbs. (4 N-m) -
Engine Torque: Carburetor to Intake Fasteners
60 in. lbs. (7 N-m) -
Engine Torque: Crankcase Screws
85 in. lbs. (10 N-m) -
Engine Torque: Shroud Fasteners
50 in. lbs. (5.5 N-m) -
Engine Torque: Oil Pump Screws
85 in. lbs. (10 N-m) -
Engine Torque: Muffler Nuts
85 in. lbs. (10 N-m) -
Engine Torque: Electric Starter Screws
85 in. lbs. (10 N-m) -
Engine Torque: Flywheel Brake Screws
85 in. lbs. (10 N-m) -
Engine Torque: Rocker Arm Studs
110 in. lbs. (12 N-m) -
Engine Torque: Rocker Bell Locking Screws
45 in. lbs. (5 N-m) -
Engine Torque: Governor Lever Lock Nut
35 in. lbs. (4 N-m) -
Drive System: Gearbox Lubricant
3 oz. (92gm) #2 Lithium grease -
Chassis: Height of Cut Range
1-3"; 1/2" increments -
Drive System: Ground Speed
1.8 / 2.7 / 3.8 mph -
Engine: Engine Oil Type
25 oz. (.74l) 30w or 10w-30 / API SH or higher -
Engine: Engine Speed
3000±150 RPM -
Engine: Ignition Coil Air Gap
.010" / .25mm -
Engine: Spark Plug Gap
.030"/ .76mm












