Groundsmaster 580-D
Product Information
- Model #: 30580
- Serial #: 00001 - 09999
- Product Type: Riding Products
Loading...
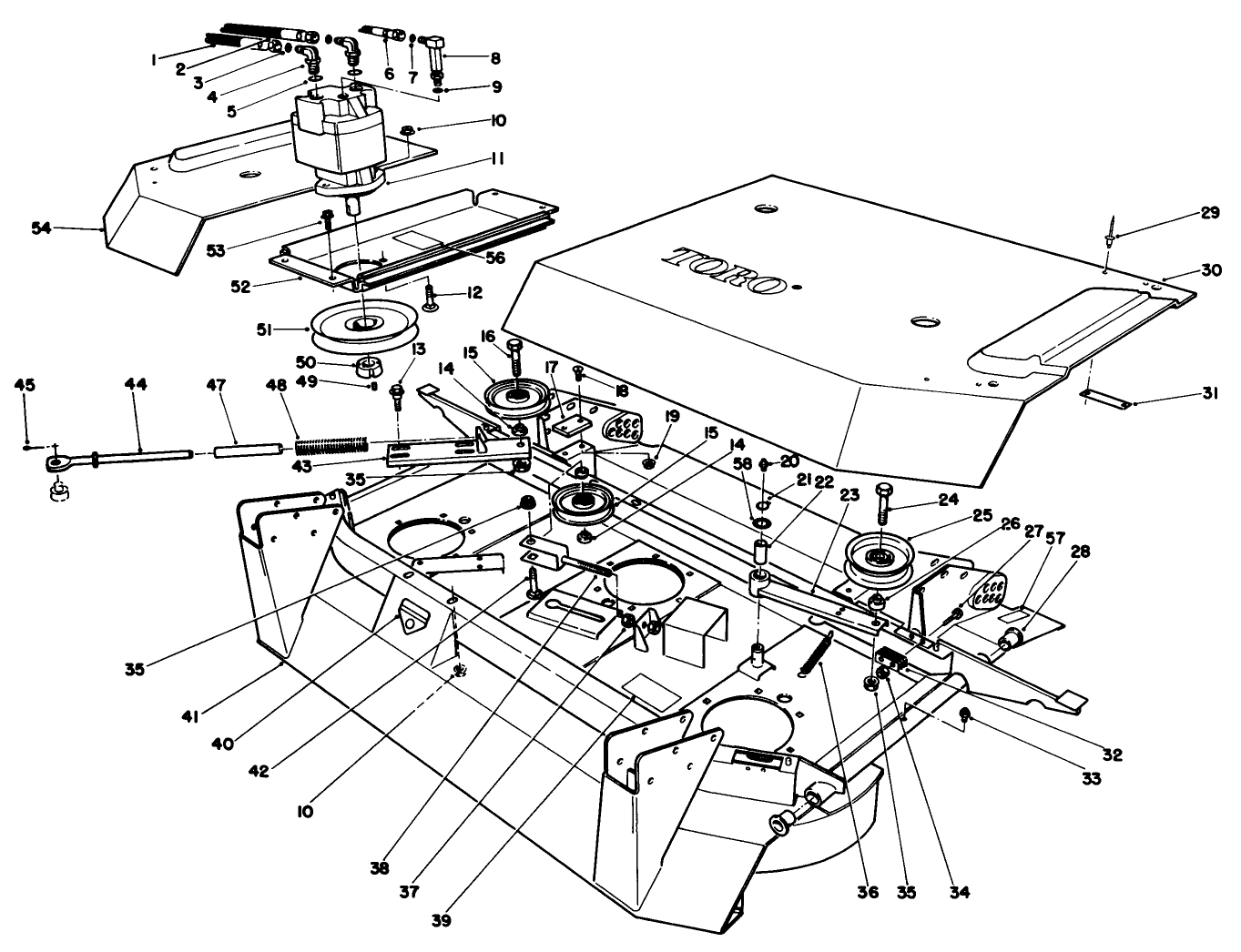
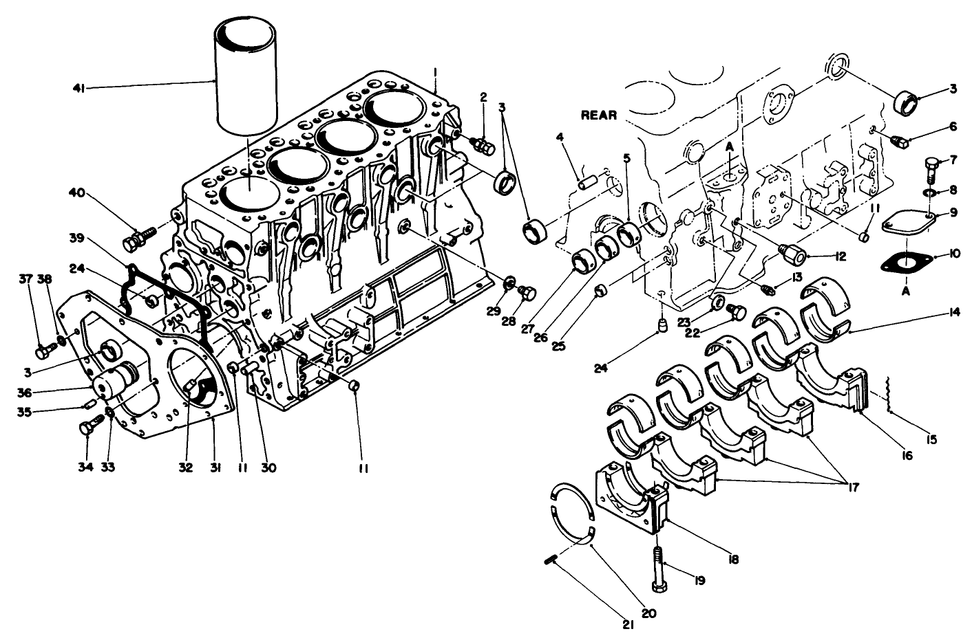
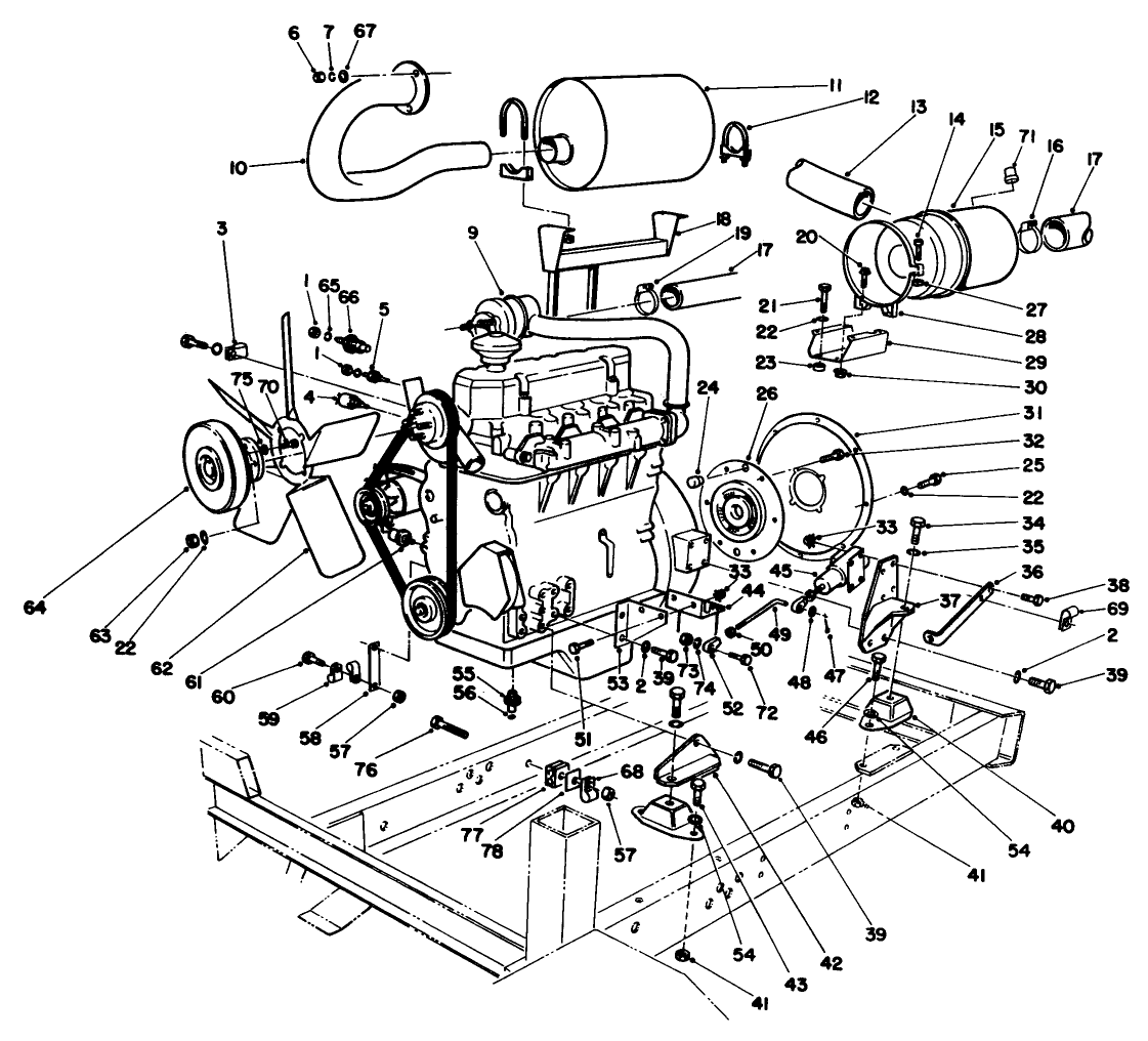
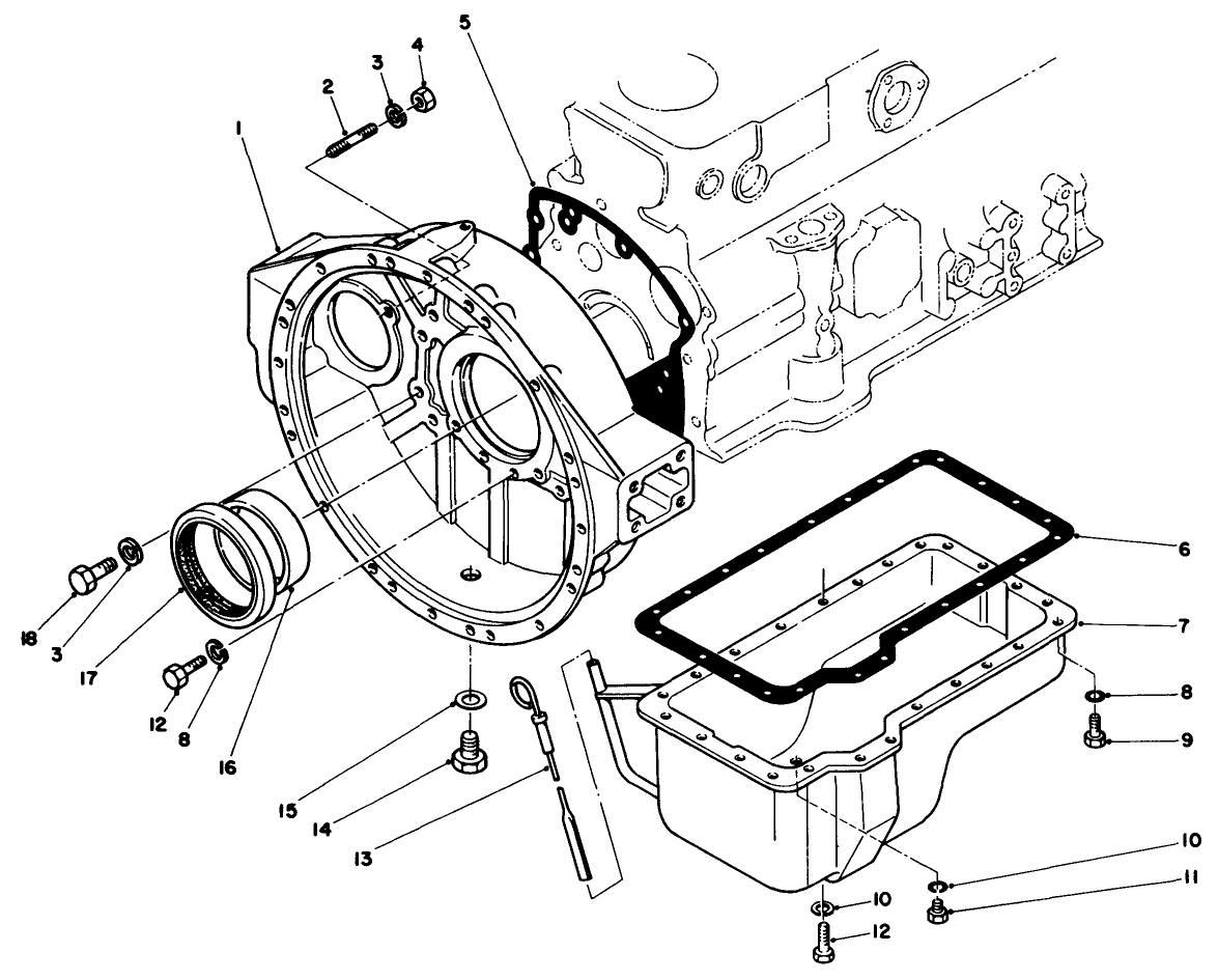
Assembly Drawings
Search for a part within assembly drawings:
-
Service Manual
-
Operator's Manual
-
Parts Catalog
-
Service Bulletin
-
Model #
30580 -
Serial #
00001 - 09999 -
Product Name
Groundsmaster 580-D -
Product Brand
Toro -
Product Type
Riding Products -
Product Series
GM 500 Series

















































































