Lawnmower
Product Information
- Model #: 20698
- Serial #: 9000001 - 9999999
- Product Type: Walk Behind Mowers
Loading...
Assembly Drawings
Search for a part within assembly drawings:
-
Operator's Manual
-
Parts Catalog
Leaf Shredder (Part # 37-0120)
Leaf Shredder (Part # 59101)
-
Model #
20698 -
Serial #
9000001 - 9999999 -
Product Name
Lawnmower -
Product Brand
Toro -
Product Type
Walk Behind Mowers -
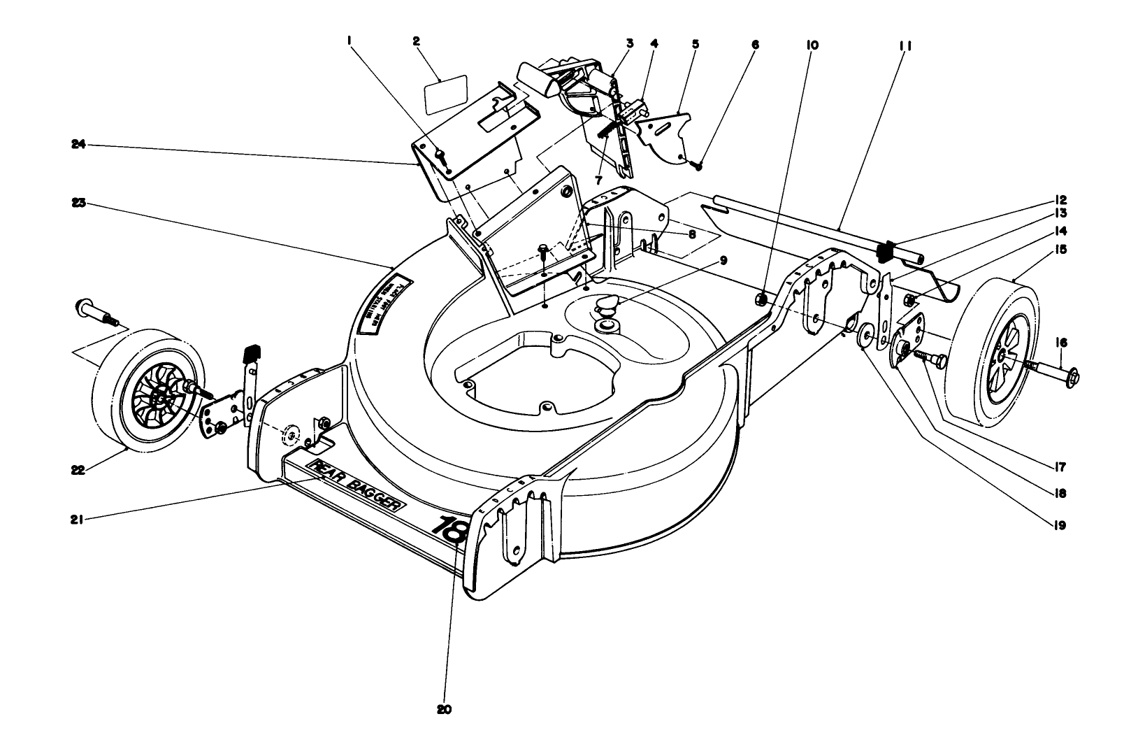
Product Series
18" Rear Bagger / Recycler -
Chassis Type
Cast Deck WPM -
Swath
18 inch -
Discharge
Rear Bagger -
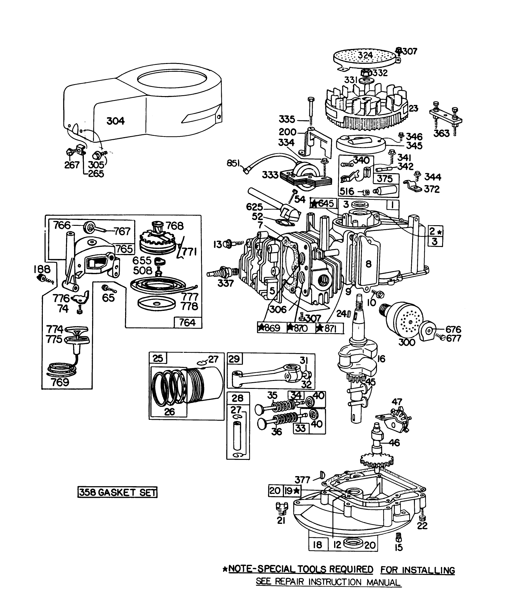
Engine/Motor Manufacturer
Briggs & Stratton -
Engine/Motor Type
4 Cycle -
Engine Starter
Recoil -
Transmission Type
Hand Push







