70" Professional
Product Information
- Model #: 03205
- Serial #: 00001 - 09999
- Product Type: Riding Products
Loading...
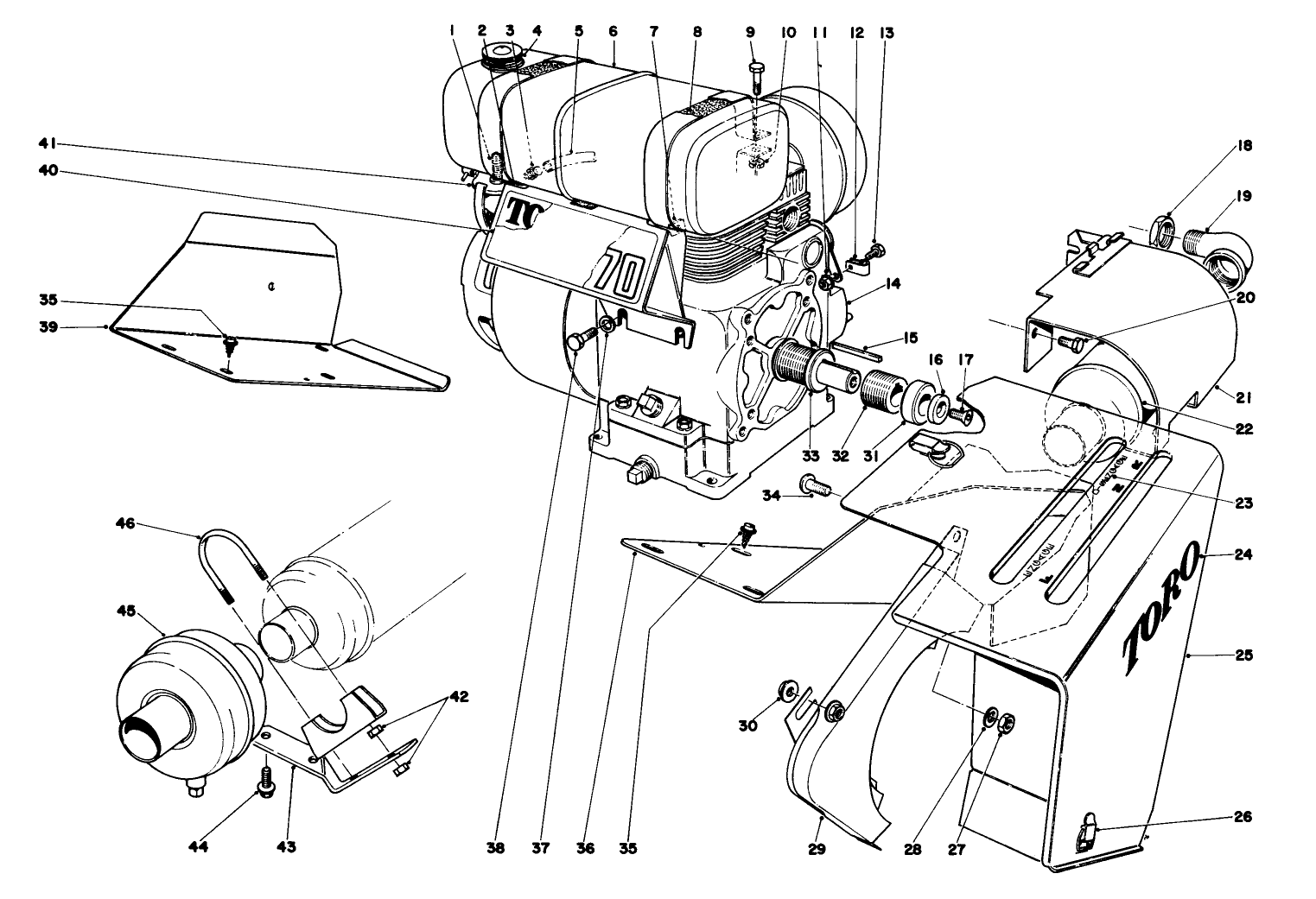
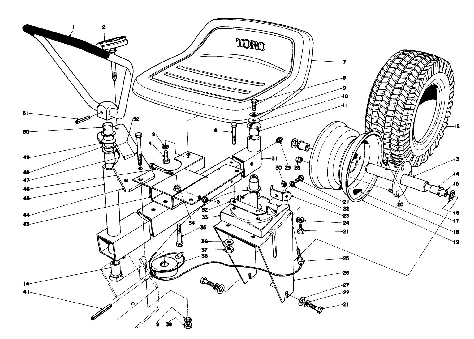
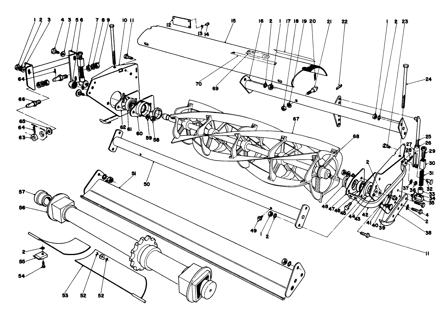
Assembly Drawings
Search for a part within assembly drawings:
-
Service Bulletin
-
Model #
03205 -
Serial #
00001 - 09999 -
Product Name
70" Professional -
Product Brand
Toro -
Product Type
Riding Products -
Product Series
Pro Series - 70"









