70" Professional
Product Information
- Model #: 03208
- Serial #: 70001 - 79999
- Product Type: Riding Products
Loading...
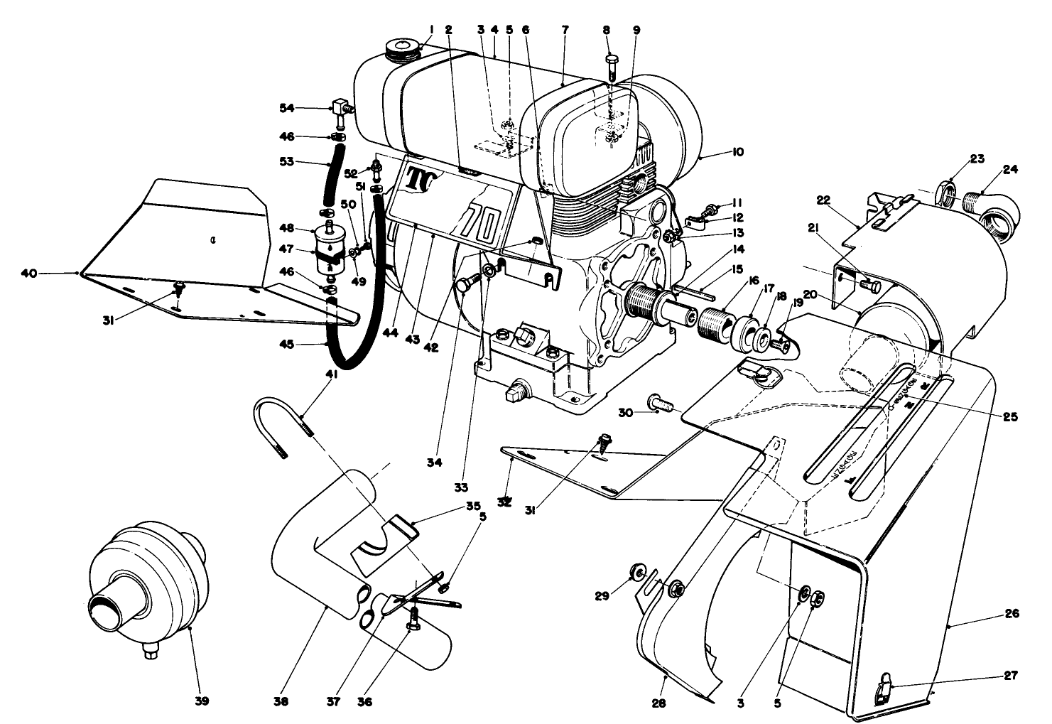
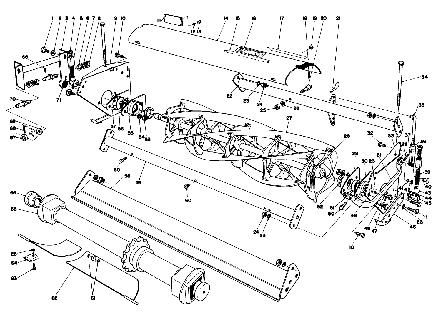
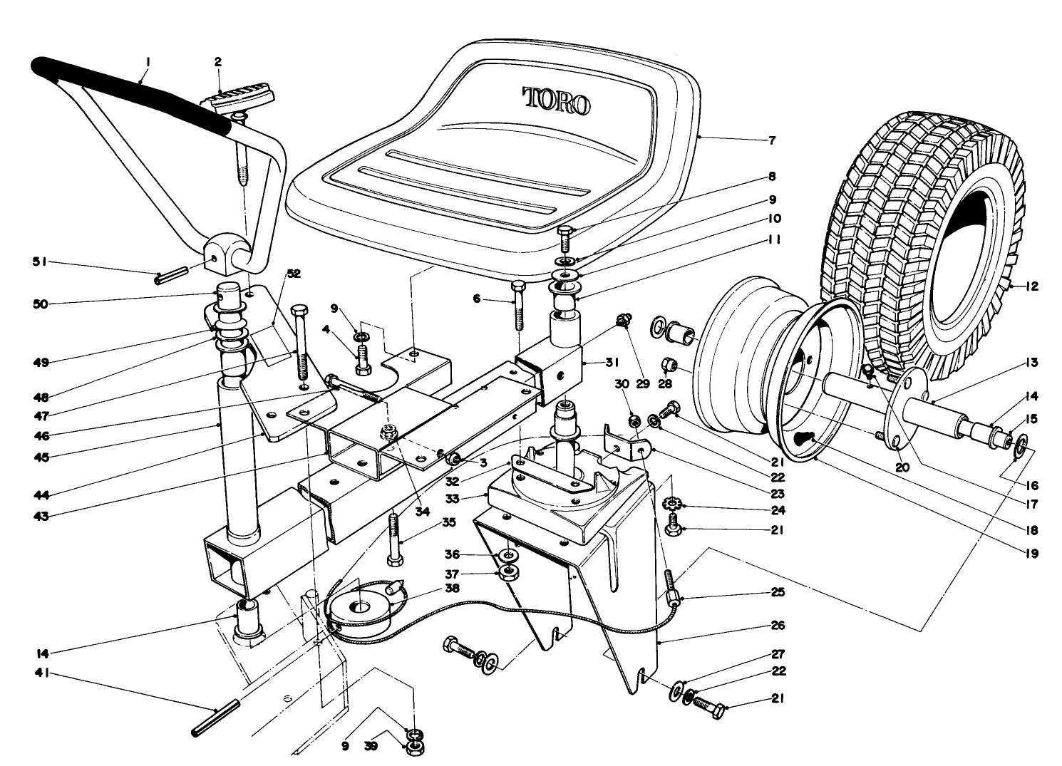
Assembly Drawings
Search for a part within assembly drawings:
-
Service Bulletin
-
Model #
03208 -
Serial #
70001 - 79999 -
Product Name
70" Professional -
Product Brand
Toro -
Product Type
Riding Products -
Product Series
Pro Series - 70"











