70" Professional
Product Information
- Model #: 03215
- Serial #: 20001 - 29999
- Product Type: Riding Products
Loading...
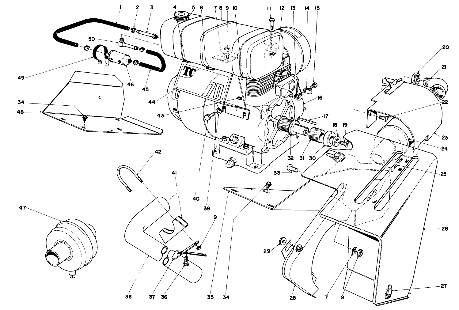
Assembly Drawings
Search for a part within assembly drawings:
-
Service Bulletin
-
Model #
03215 -
Serial #
20001 - 29999 -
Product Name
70" Professional -
Product Brand
Toro -
Product Type
Riding Products -
Product Series
Pro Series - 70"










