Lawnmower
Product Information
- Model #: 20705
- Serial #: 9000001 - 9999999
- Product Type: Walk Behind Mowers
Loading...
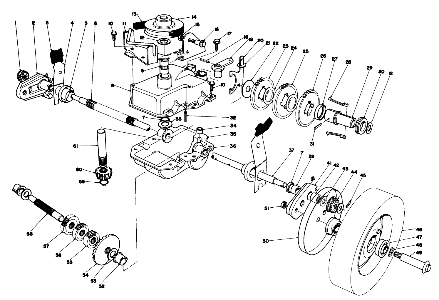
Assembly Drawings
Search for a part within assembly drawings:
-
Operator's Manual
-
Model #
20705 -
Serial #
9000001 - 9999999 -
Product Name
Lawnmower -
Product Brand
Toro -
Product Type
Walk Behind Mowers -
Product Series
21" (53cm) 3 in 1 / Recycler -
Chassis Type
Cast Deck WPM -
Swath
21 inch -
Discharge
Rear Bagger -
Engine/Motor Manufacturer
Tecumseh -
Engine/Motor Type
4 Cycle -
Engine Starter
Recoil -
Transmission Type
Gear
-
Engine: Bore
2.625" (66.7mm) -
Engine: Stroke
1.844" (46.8mm) -
Engine: Displacement
10 cu.in. (164cc) -
Engine: Engine Rotation
Counterclockwise (Viewed from PTO end) -
Engine: Carburetor
Duel system float style with primer -
Engine: Fuel Capacity
43 oz. (1.27L) -
Engine: Ignition System
Transistorized -
Engine: Spark plug
Champion CJ8 or J19LM -
Engine: Starting System
12 Volt electric -
Engine: Lubrication
Reciprocating type oil pump -
Engine: Oil Capacity
21 oz. -
Engine: Governor
Centifugal, mechanical -
Engine: Rated Speed (max.)
3000 +/- 150 rpm -
Engine: Rated Speed (min.)
1500 +/- 300 rpm -
Engine: Air Cleaner
Oiled foam type element -
Engine: Valve Margin (allowable limit)
0.031" (0.80mm) -
Engine: Width of Valve Seat Contact
0.045" (1.143mm) (allowable limit .035"/.045") -
Engine: Valve Lash
0.008" (0.20mm) -
Engine: Valve Seat Angle
31/46/60 Degrees -
Engine: Valve Face Angle
45 Degrees -
Engine: Oversized Valve Guide I.D.
0.2807"/0.2817" (7.130/7.155mm) -
Engine: Crankshaft Runout
0/0.002" (0/0.05mm) (allowable limit 0.008" or 0.203mm) -
Engine: Crankshaft Axial (End) Play
0.005/0.027" (.127/.686mm) -
Engine: Crankshaft Journal Diameter (Magneto)
0.9985/0.9990" (25.362/25.375mm) -
Engine: Crankshaft Journal Diameter (PTO)
0.8735/0.8740" (22.187/22.200mm) -
Engine: Crankpin Journal Diameter
0.8610/0.8615" (21.869/21.882mm) -
Engine: Crankshaft Bearing Diameter (Magneto)
1.0005/1.0010" (25.413/25.425mm) -
Engine: Crankshaft Bearing Diameter (PTO)
0.8755/0.8760" (22.238/22.250mm) -
Engine: Connecting Rod Bearing Diameter (big end)
0.8620/0.8625" (21.895/21.908mm) -
Engine: Camshaft Bearing Diameter
0.4975/0.4980" (12.637/12.649mm) -
Engine: Cylinder Diameter
2.625/2.626" (66.68/66.70mm) -
Engine: Piston Diameter
2.6205/2.6200" (63.548/63.560mm) -
Engine: Piston Measuring Point
Bottom of skirt /90 degrees from wrist pin -
Engine: Piston to Cylinder Clearance
0.005/0.006" (0.1143/0.1524mm) -
Engine: Compression Ring End Gap
0.007/0.017" (0.18/0.43mm) -
Engine: Compression Ring Side Clearance
0.003/0.005" (0.08/0.11mm) -
Engine: Oil ring Side Clearance
0.001/0.003" (0.03/0.08mm) -
Engine: Carburetor/Type
Tec. / duel system with primer -
Engine: Carburetor/Main Jet
Fixed -
Engine: Carburetor/Valve Seat Material
Viton (replaceable) -
Engine: Carburetor/Inlet Needle Material
Stainless steel -
Engine: Carburetor/Inlet Needle Pop Off Pressure
3-4 psi. -
Engine: Torque/Spark Plug
20.8 ft.lbs. (2.88 kg m) -
Engine: Torque/Cylinder Head Bolts
14.5 ft.lbs. (2.01kg m) -
Engine: Torque/Flywheel Nut
34.8 ft.lbs. (4.81 kg m) -
Engine: Torque/Connecting Rod Bolts (not durlok)
5.9 ft.lbs. (.82 kg m) -
Engine: Torque/Connecting Rod Bolts (durlok)
8.5 ft.lbs. (1.18kg m) -
Engine: Torque/Engine Mounting Bolts
27.0 ft.lbs. (3.73kg m) -
Engine: Torque/Blade Bolt or Nut
52.5 ft.lbs. (7.26kg m) -
Engine: Torque/Recoil Starter Screws
7.1 ft.lbs. (.98kg m) -
Engine: Torque/Air Cleaner Fasteners
1.0 ft.lbs. (.14kg m) -
Engine: Torque/Carburetor to Intake
5.0 ft.lbs. (.69kg m) -
Engine: Torque/Intake Pipe to Head
7.0 ft.lbs. (.97kg m) -
Engine: Torque/Crankcase Screws
9.6 ft.lbs. (1.33kg m) -
Engine: Torque/Muffler Nuts
2.3 ft.lbs. (.31kg m) -
Engine: Torque/Fuel Tank Screws
1.5 ft.lbs. (.21kg m) -
Engine: Torque/Electric Starter Screws
5.3 ft.lbs. (.73kg m) -
Engine: Ignition Coil Air Gap
.013" / .33mm -
Engine: Spark Plug Gap
.030"/ .76mm








