70" Professional
Product Information
- Model #: 03297
- Serial #: 10001 - 19999
- Product Type: Riding Products
Loading...
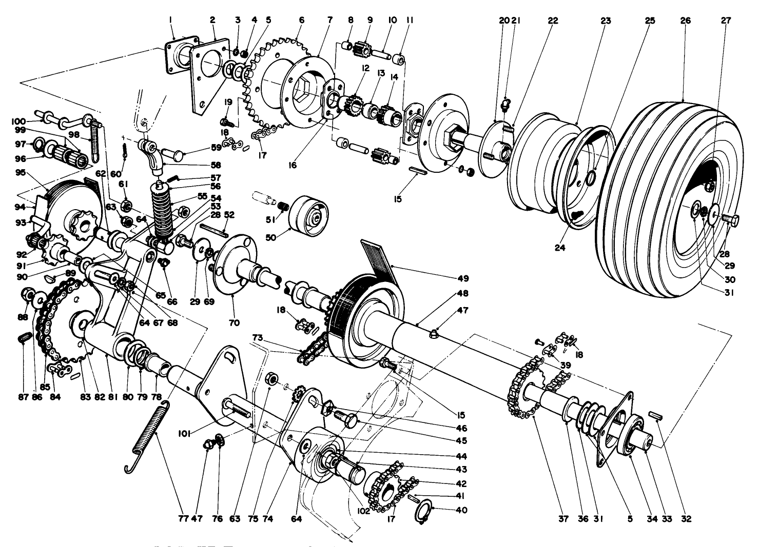
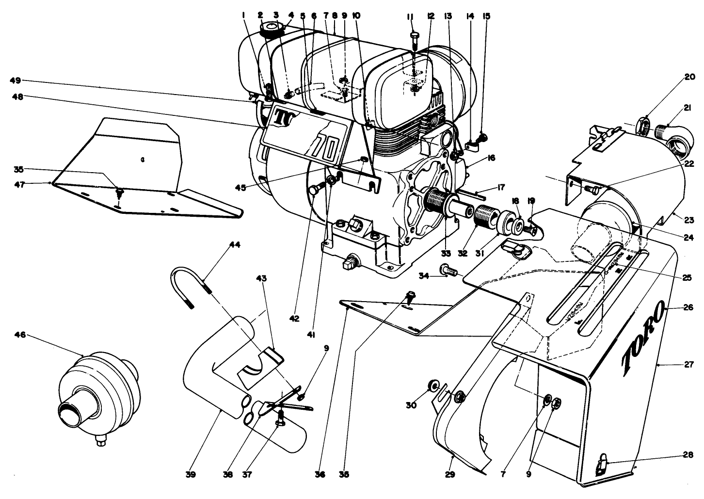
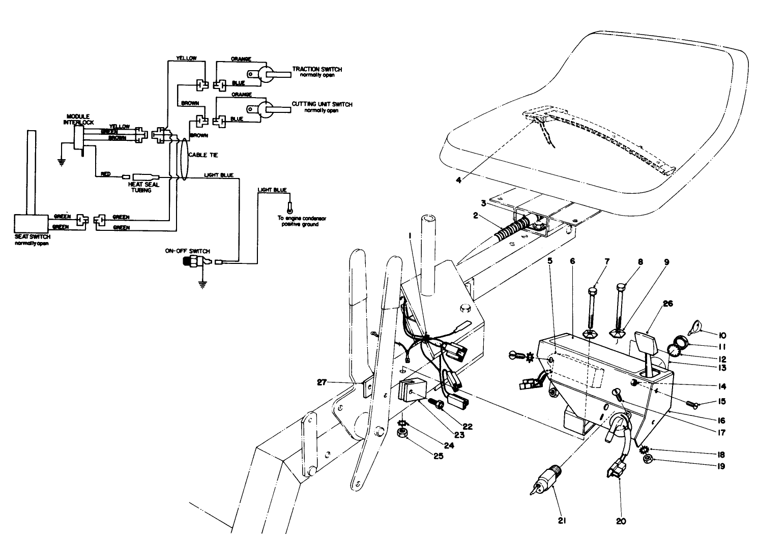
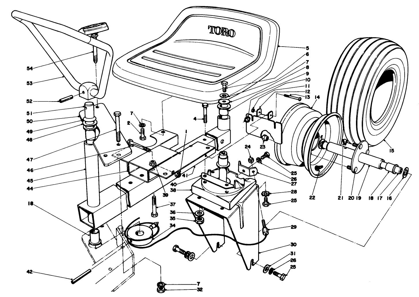
Assembly Drawings
Search for a part within assembly drawings:
-
Service Bulletin
-
Model #
03297 -
Serial #
10001 - 19999 -
Product Name
70" Professional -
Product Brand
Toro -
Product Type
Riding Products -
Product Series
Pro Series - 70"








