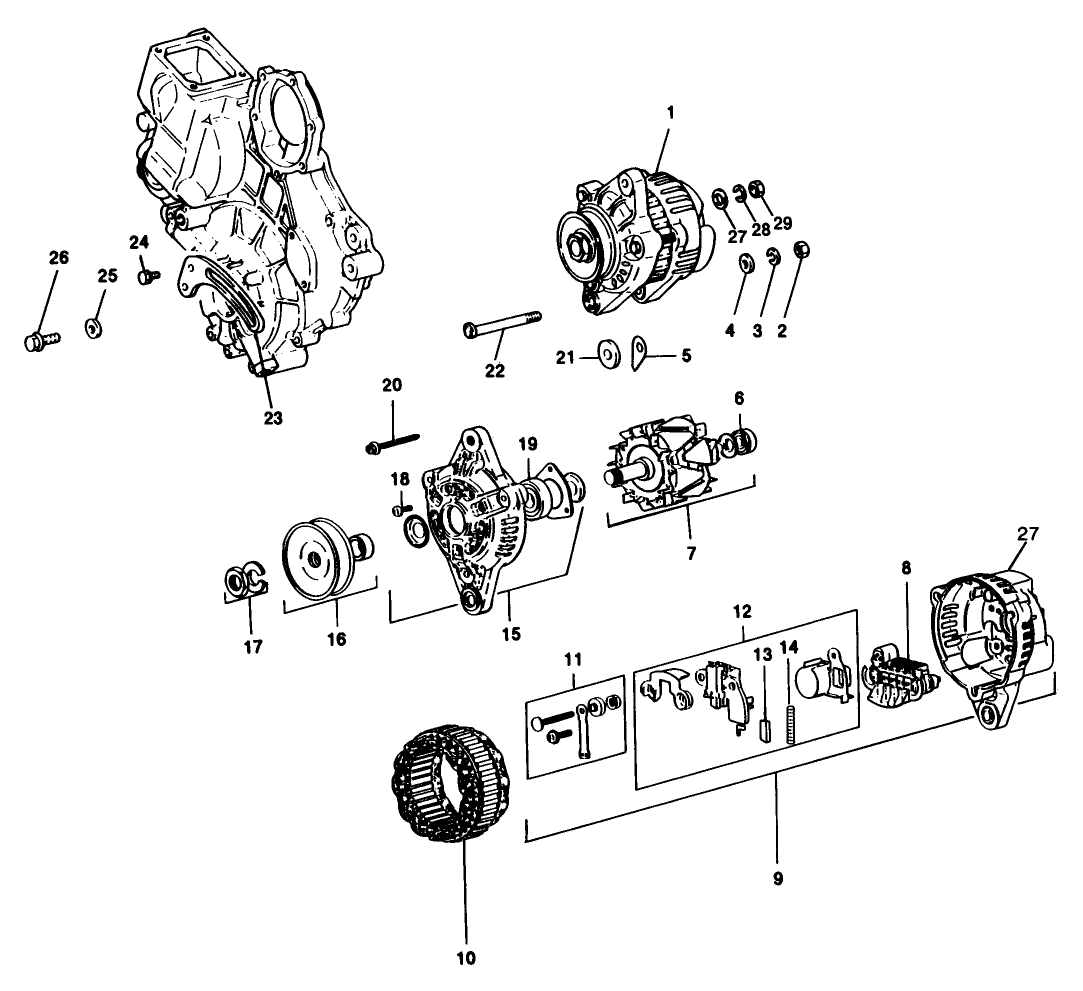
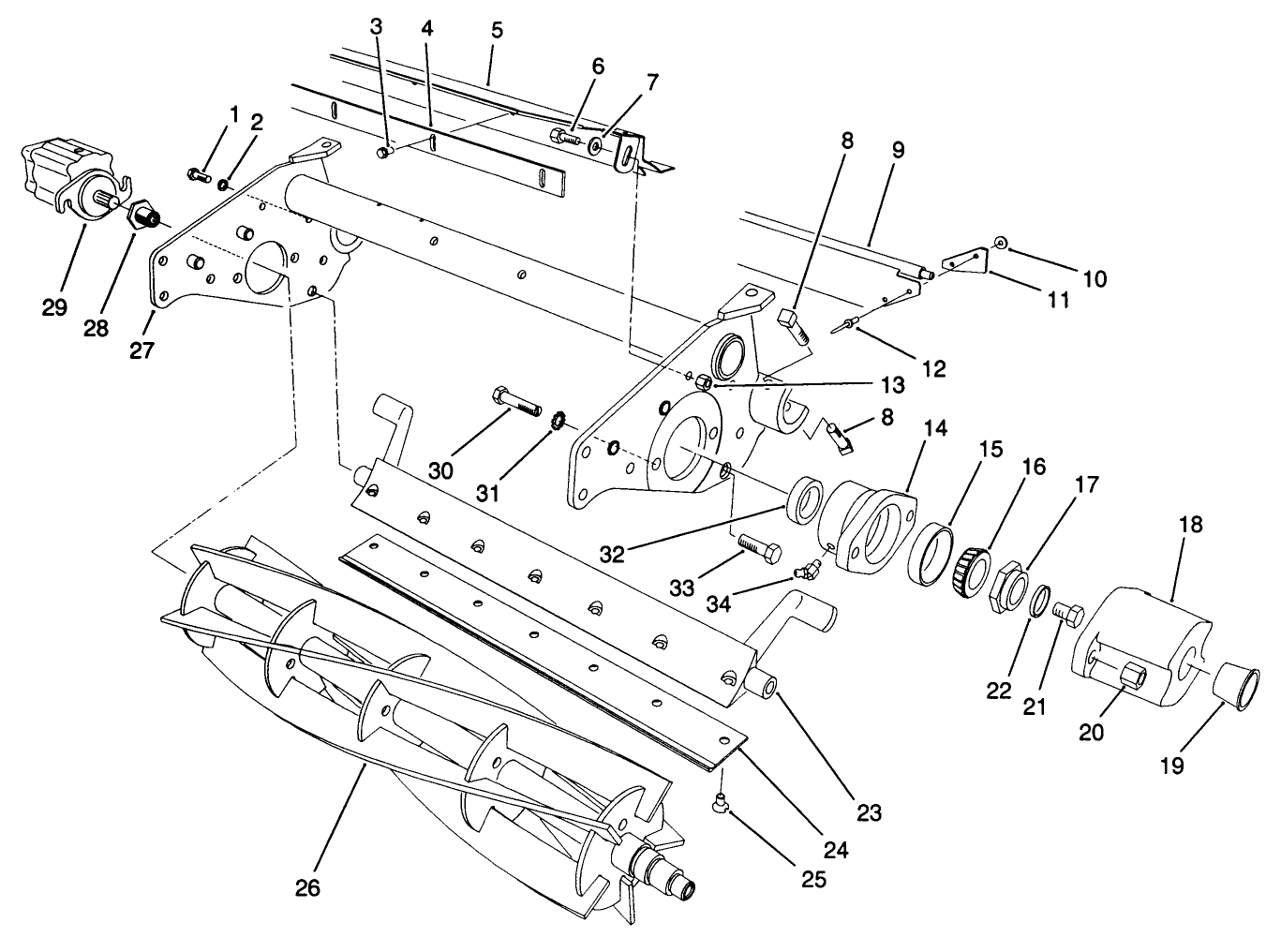
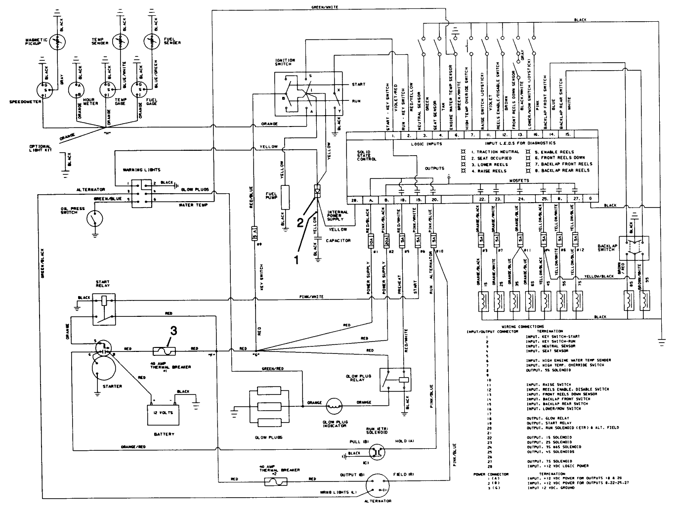
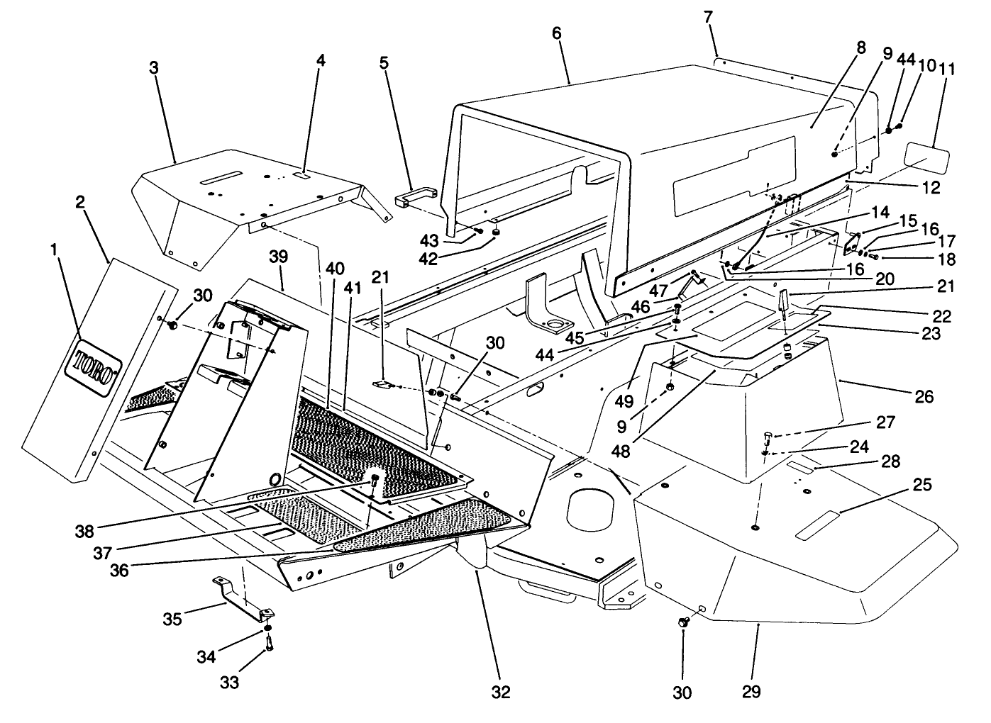
8-Blade Cutting Unit, Reelmaster 5100-D and 5300-D
Product Information
- Model #: 03508
- Serial #: 10001 - 19999
- Product Type: Attachments
Loading...
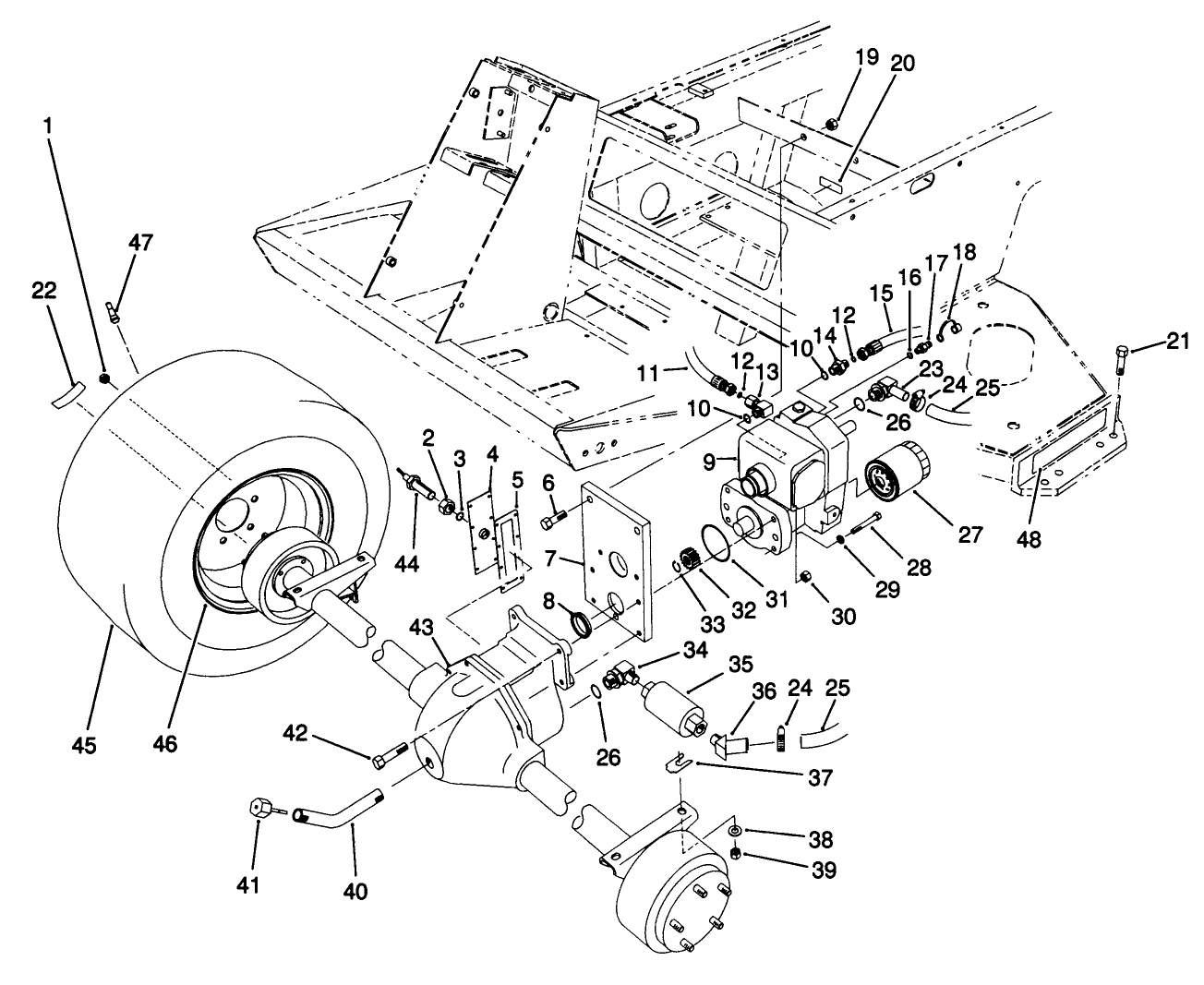
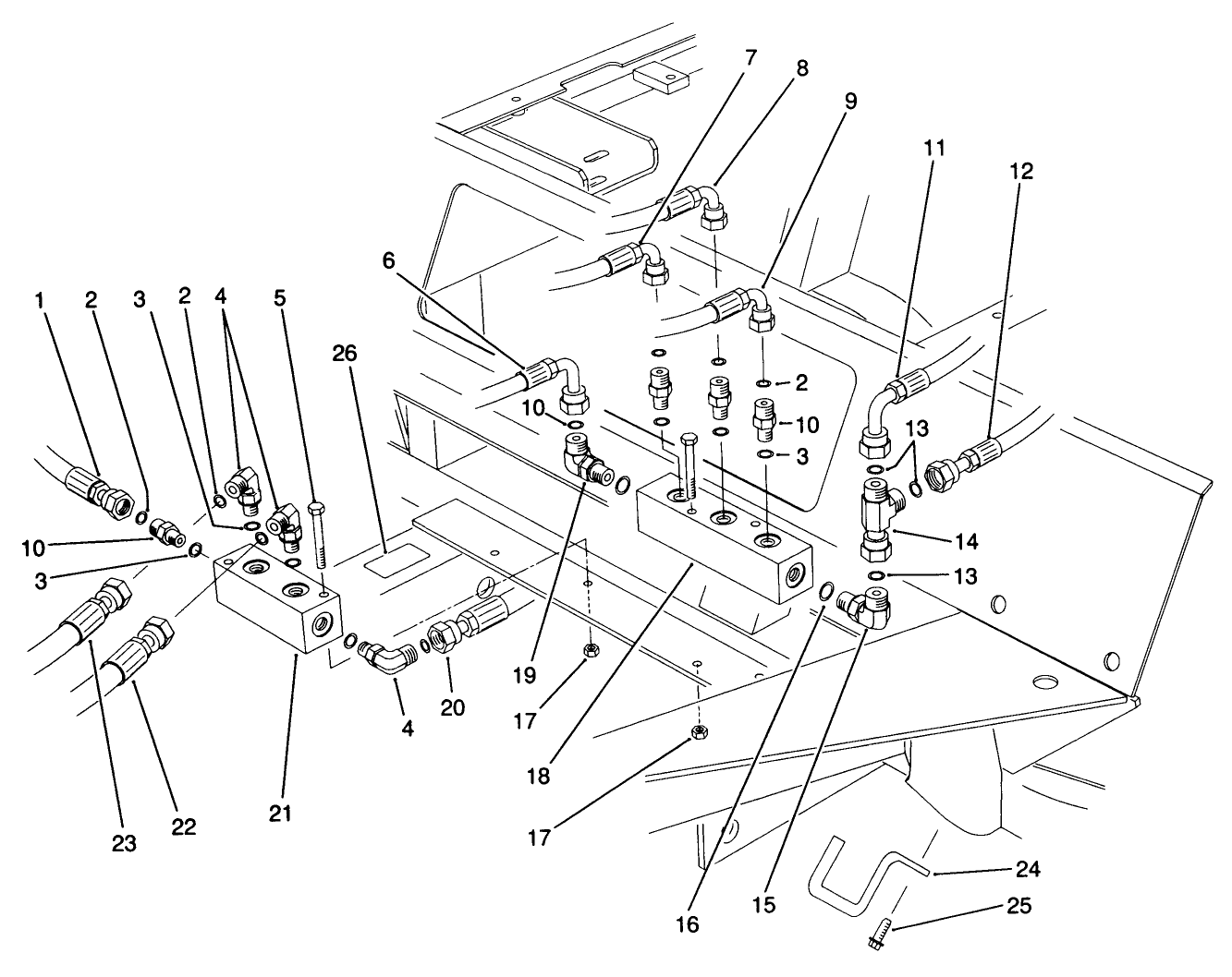
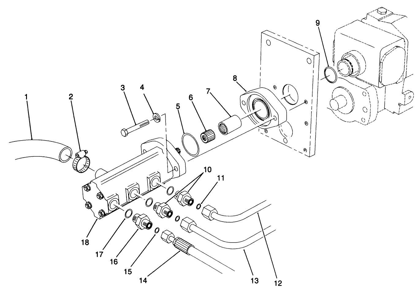
Assembly Drawings
Search for a part within assembly drawings:
-
Parts Catalog
-
Service Bulletin
-
Model #
03508 -
Serial #
10001 - 19999 -
Product Name
8-Blade Cutting Unit, Reelmaster 5100-D and 5300-D -
Product Brand
Toro -
Product Type
Attachments -
Product Series
RM Cutting Units






















































