Greensmaster 1000
Product Information
- Model #: 04050
- Serial #: 10001 - 19999
- Product Type: Walk Behind Mowers
Loading...
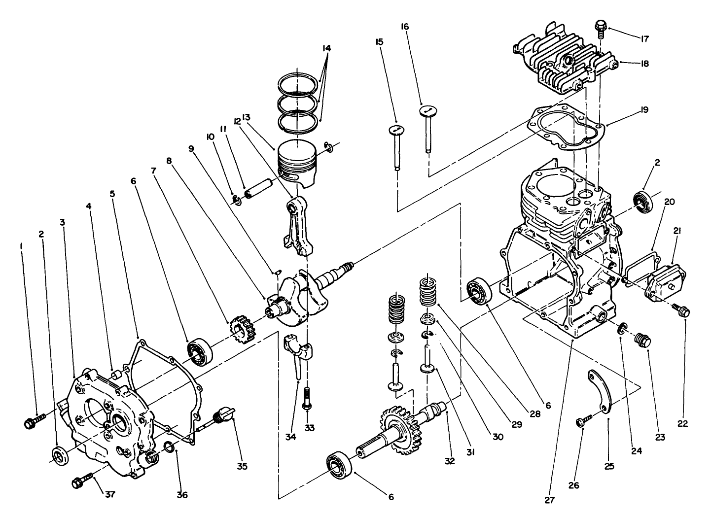
Assembly Drawings
Search for a part within assembly drawings:
-
Service Manual
-
Operator's Manual
-
Parts Catalog
-
Service Bulletin
-
Model #
04050 -
Serial #
10001 - 19999 -
Product Name
Greensmaster 1000 -
Product Brand
Toro -
Product Type
Walk Behind Mowers -
Product Series
GR 1000 Series
























