1800 Power Curve Snowthrower
Product Information
- Model #: 38025
- Serial #: 69000001 - 69999999
- Product Type: Snowthrowers
Loading...
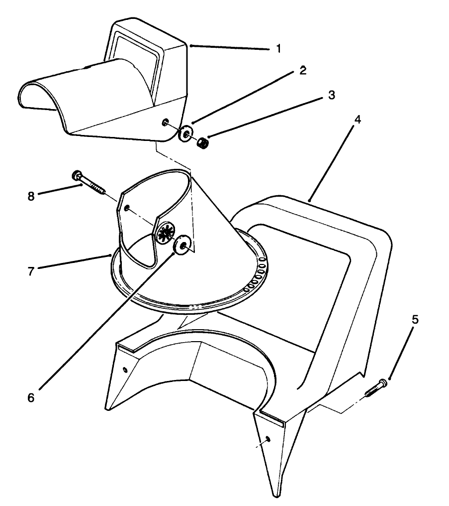
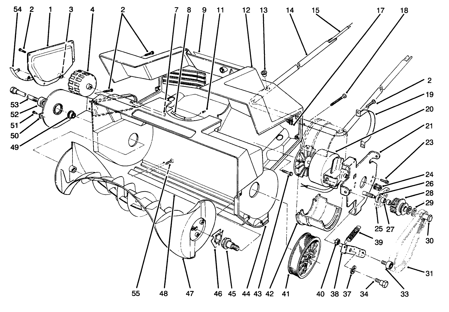
Assembly Drawings
Search for a part within assembly drawings:
-
Operator's Manual
-
Parts Catalog
-
Model #
38025 -
Serial #
69000001 - 69999999 -
Product Name
1800 Power Curve Snowthrower -
Product Brand
Toro -
Product Type
Snowthrowers -
Product Series
Snowthrower, Electric -
Chassis Type
Single Stage -
Swath
18 inch -
Discharge
Single Stage -
Engine/Motor Size
12 amp -
Engine/Motor Type
120 VAC -
Engine Starter
NA -
Transmission Type
NA


