264-6 Yard Tractor
Product Information
- Model #: 72042
- Serial #: 5900797 - 5999999
- Product Type: Riding Products
Loading...
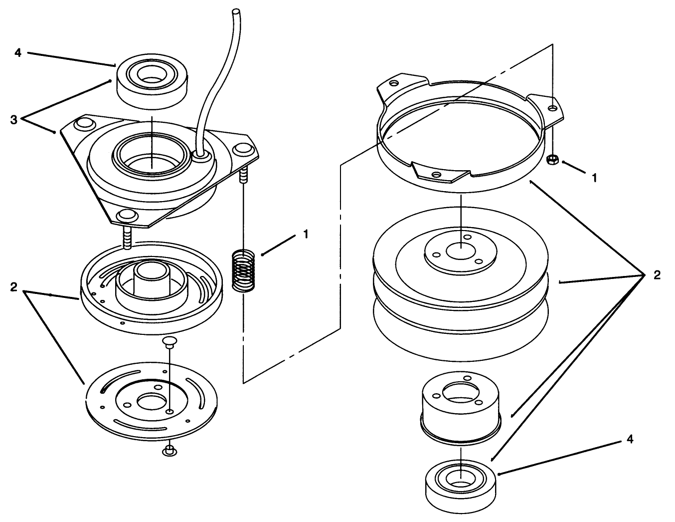
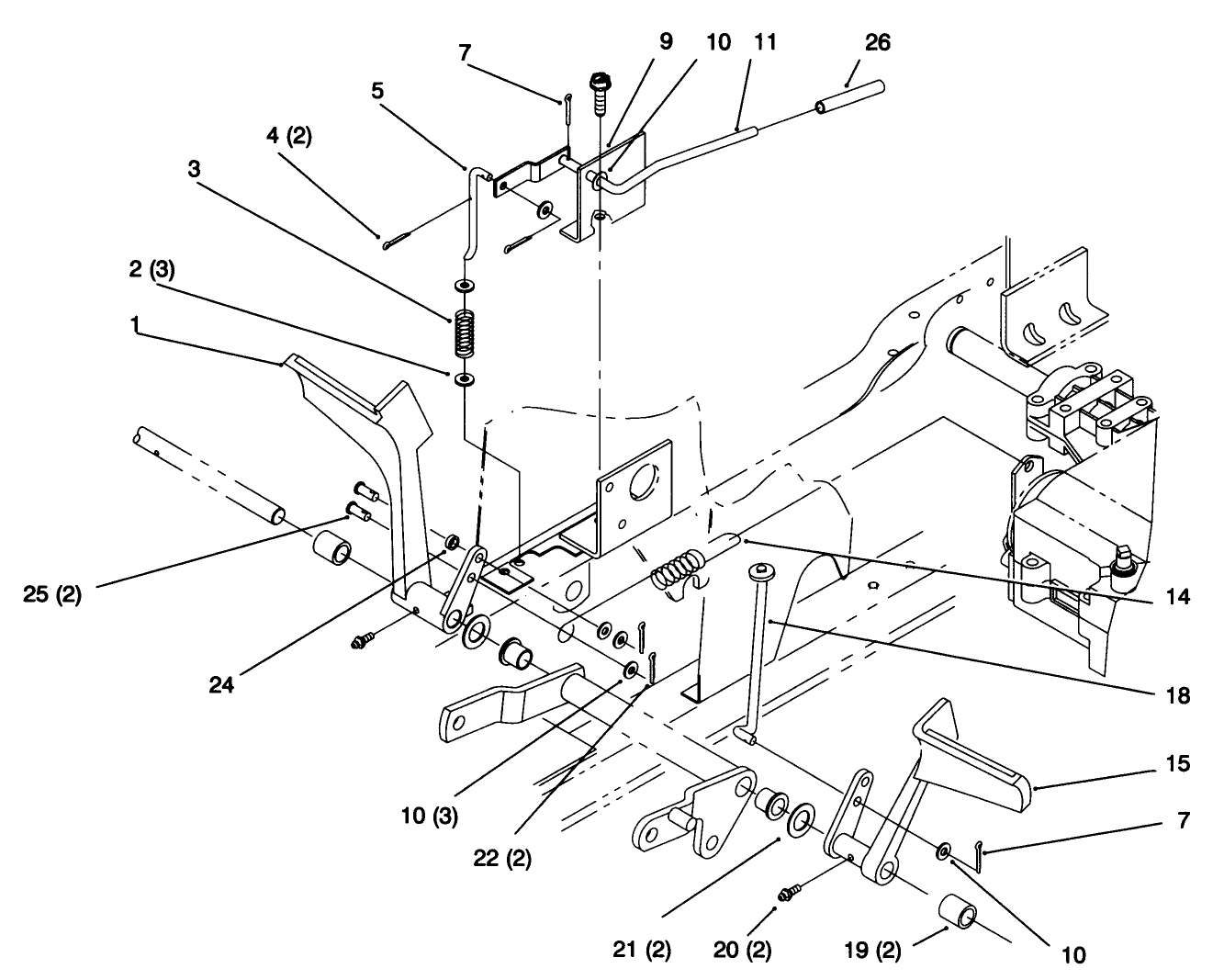
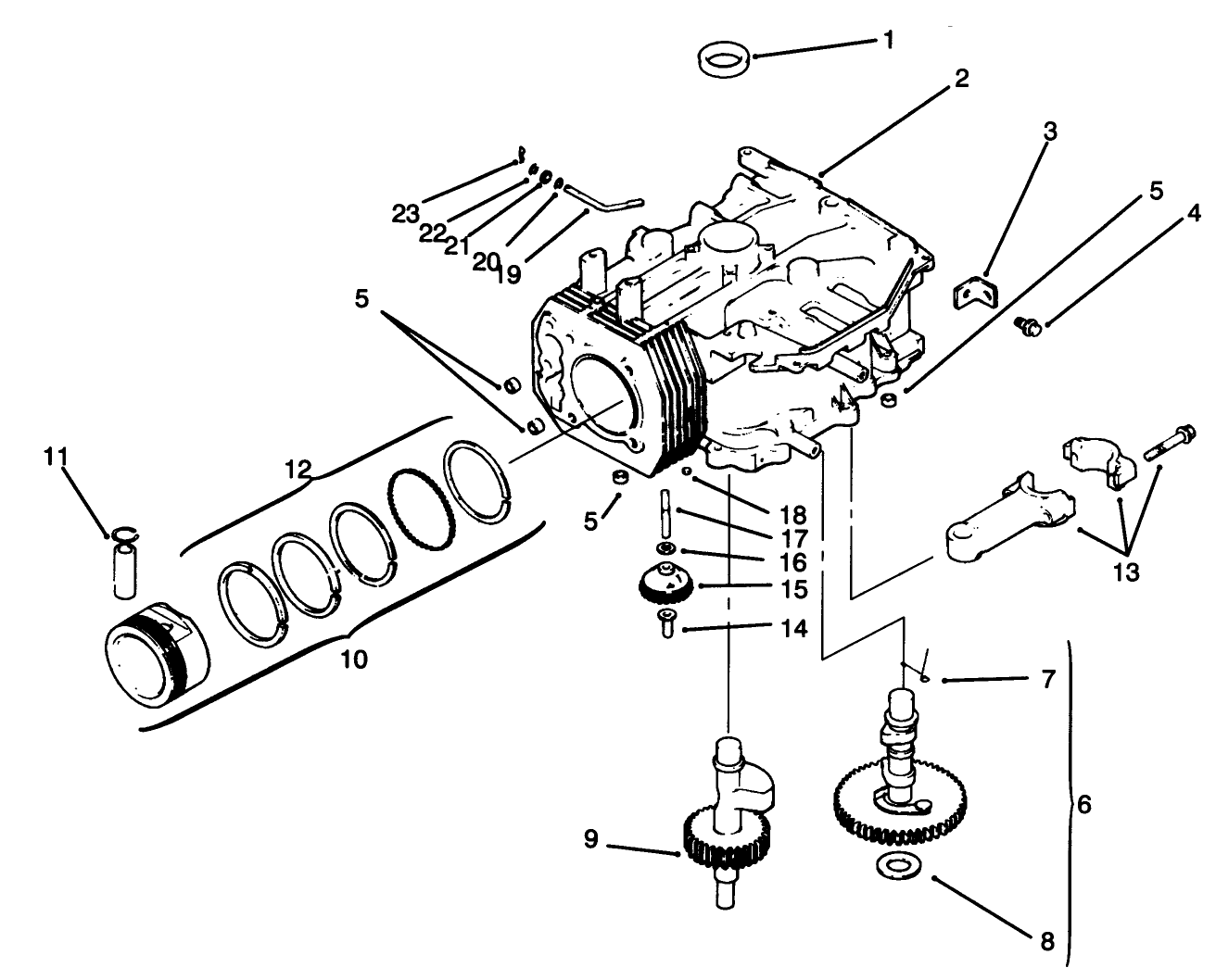
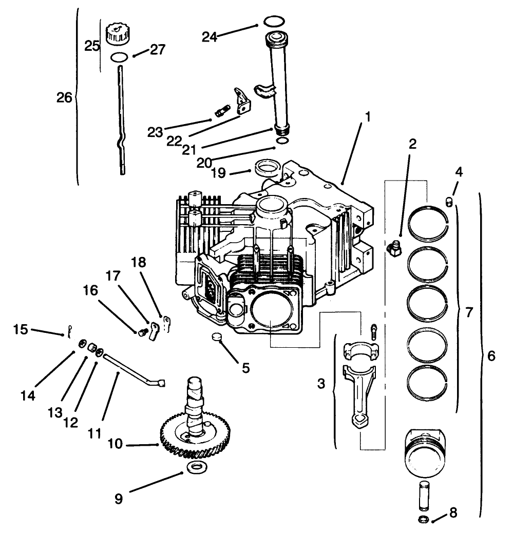
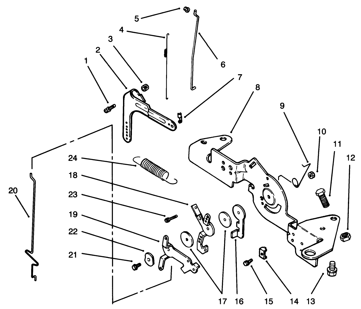
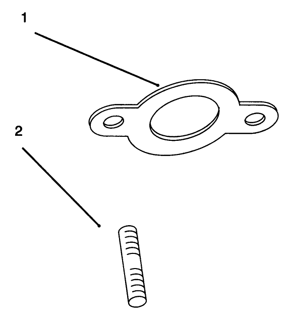
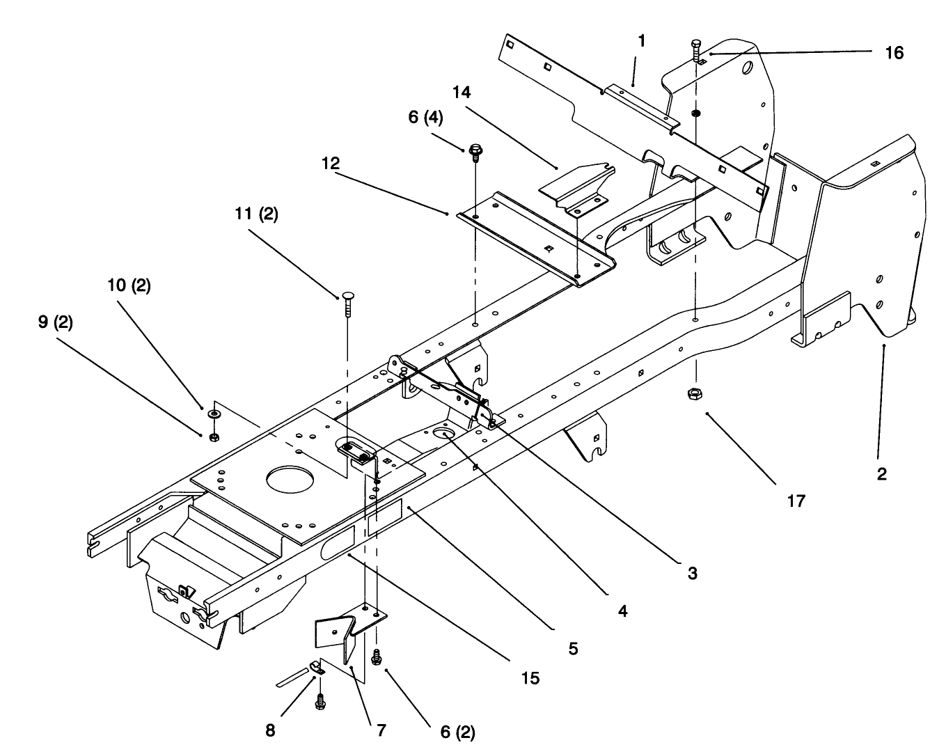
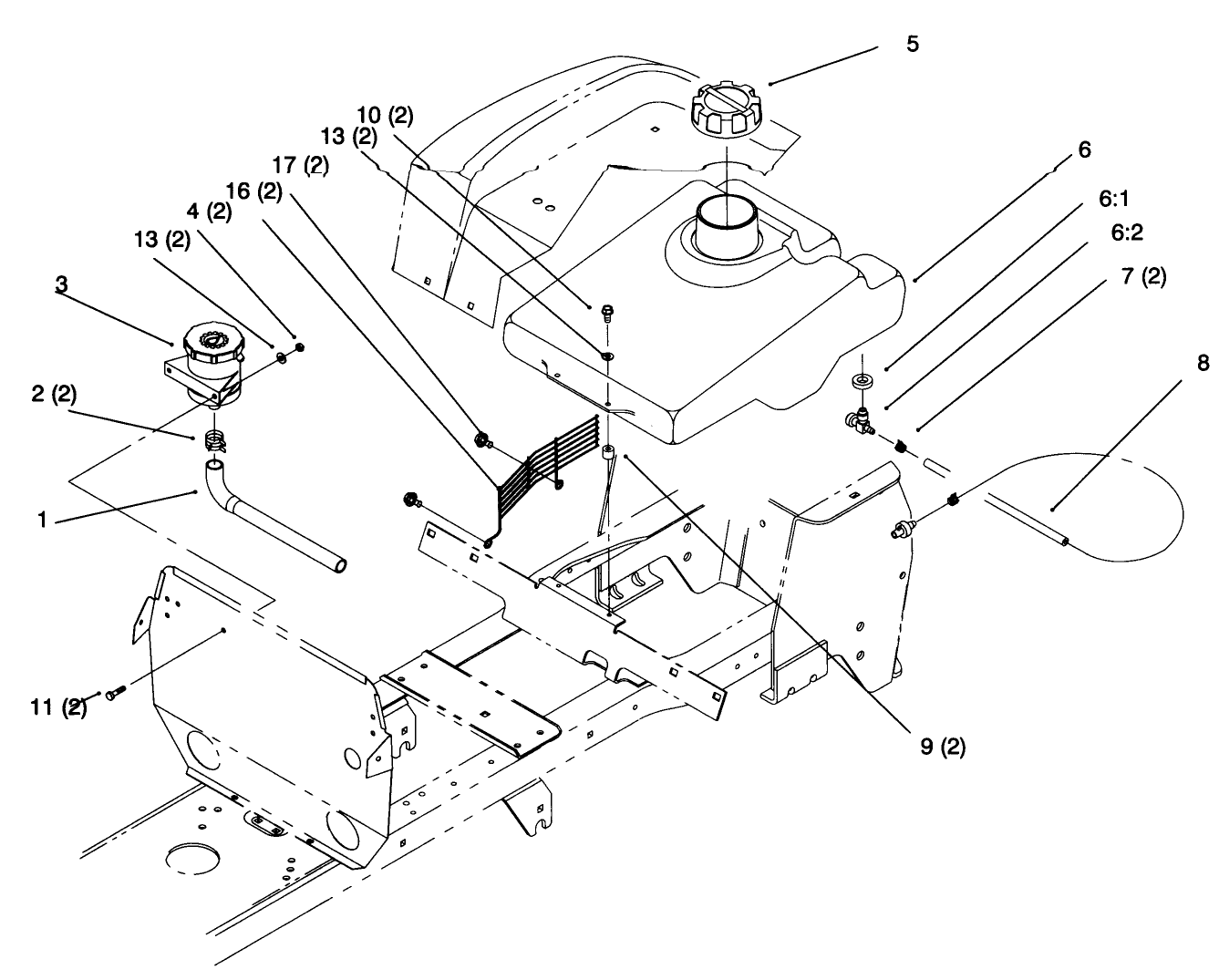
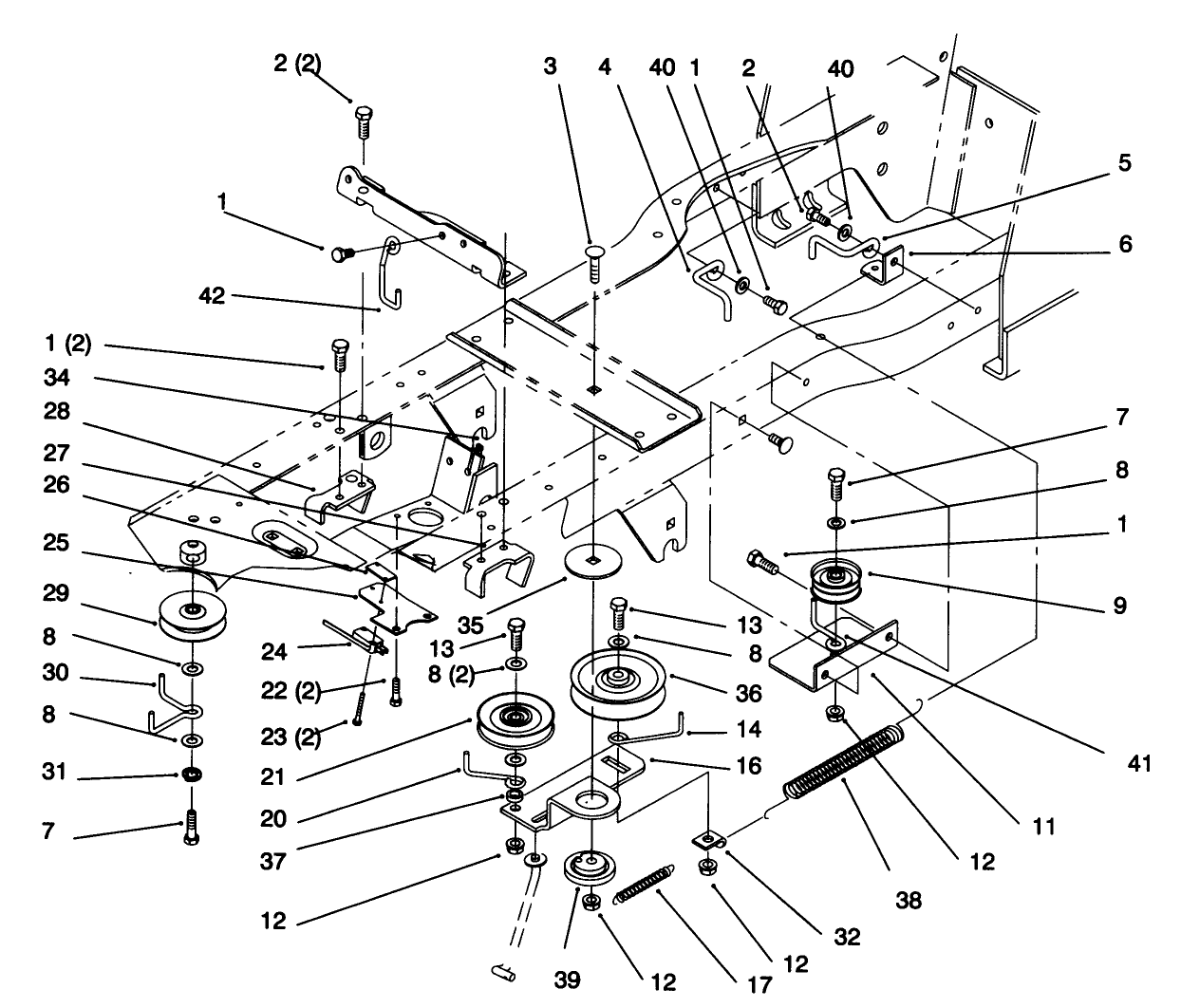
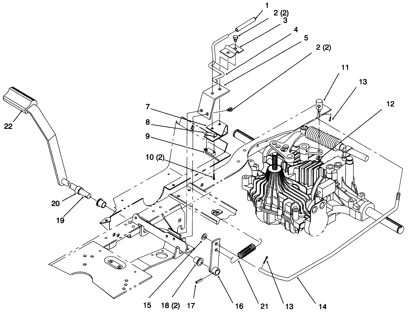
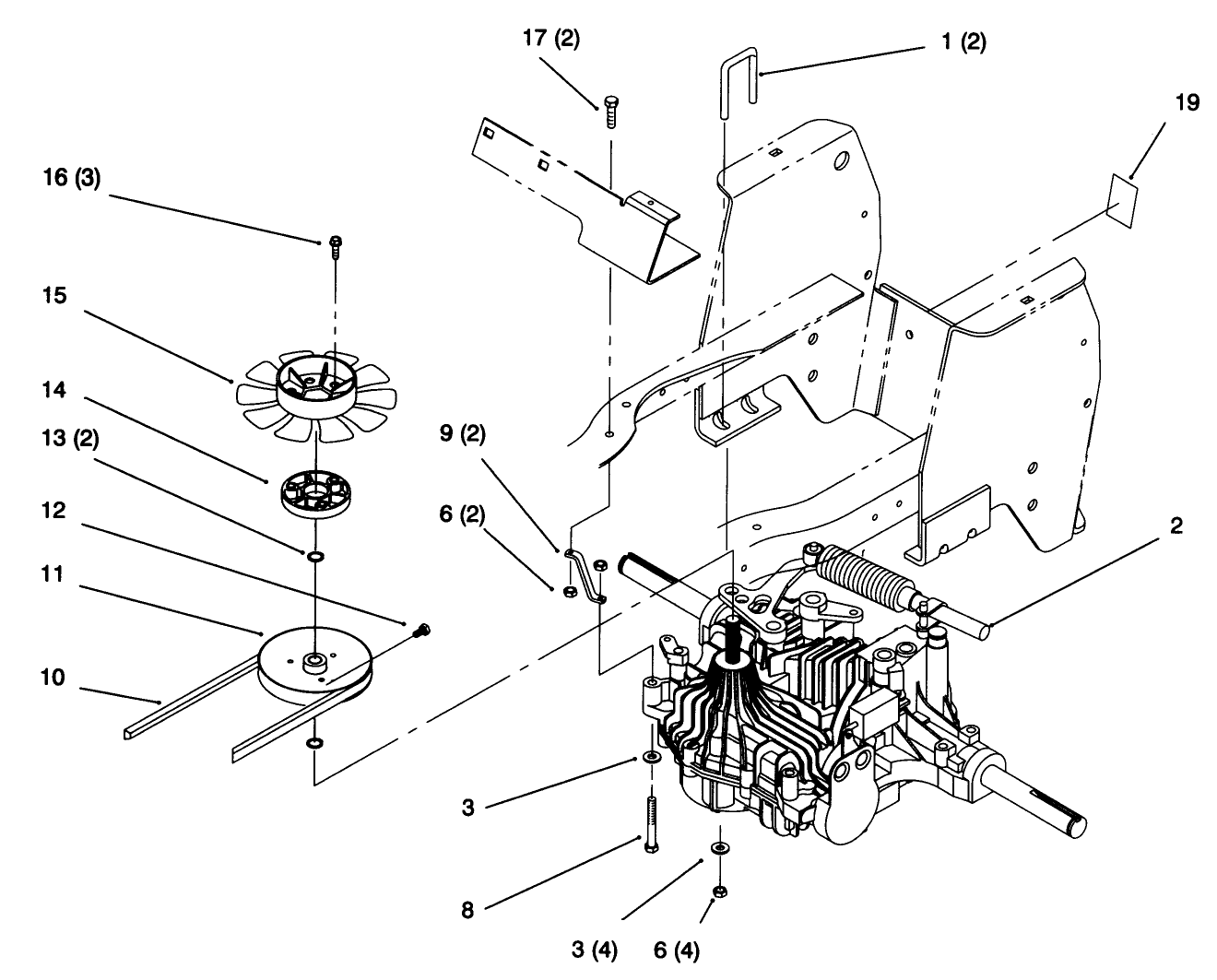
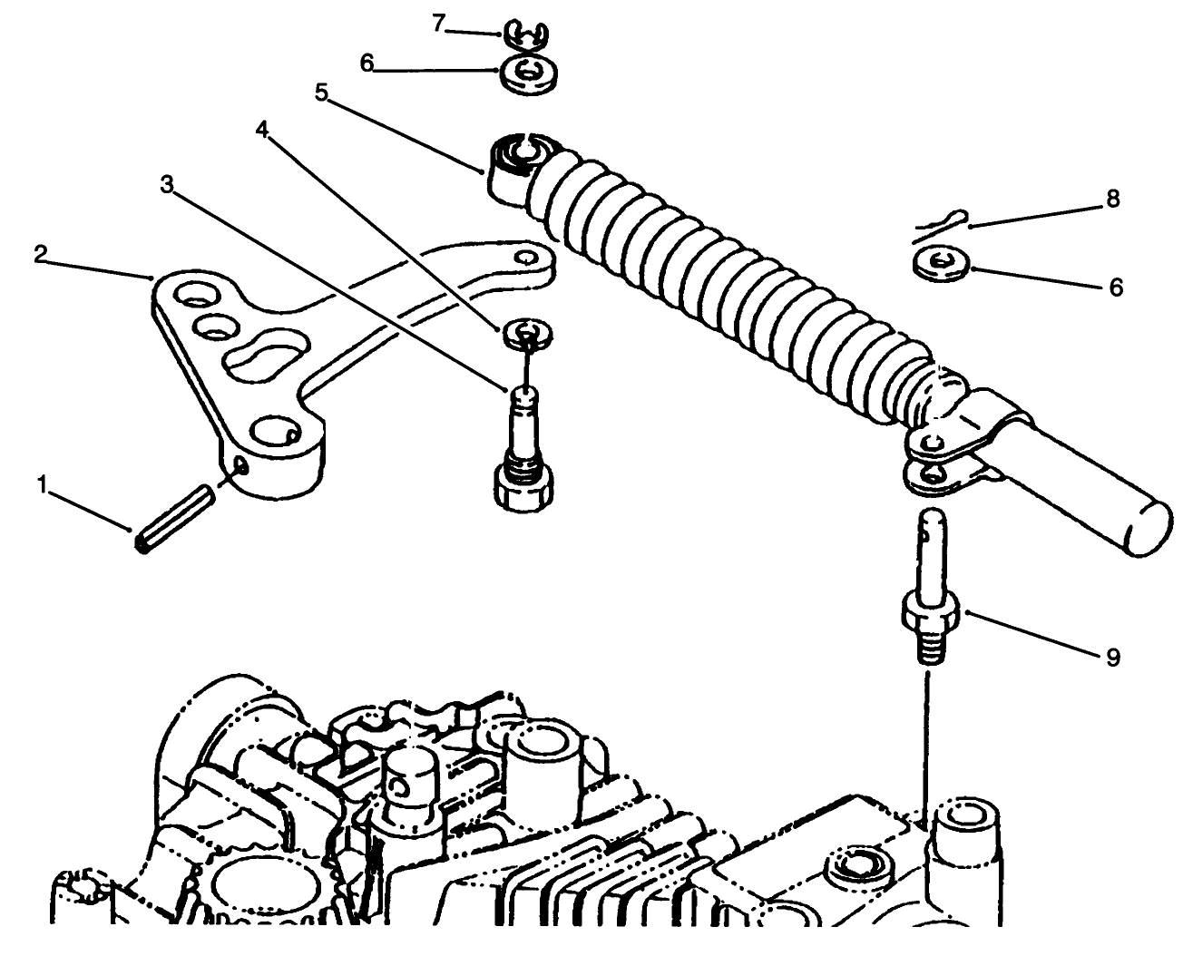
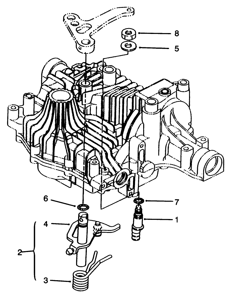
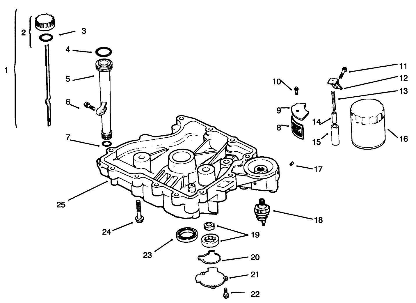
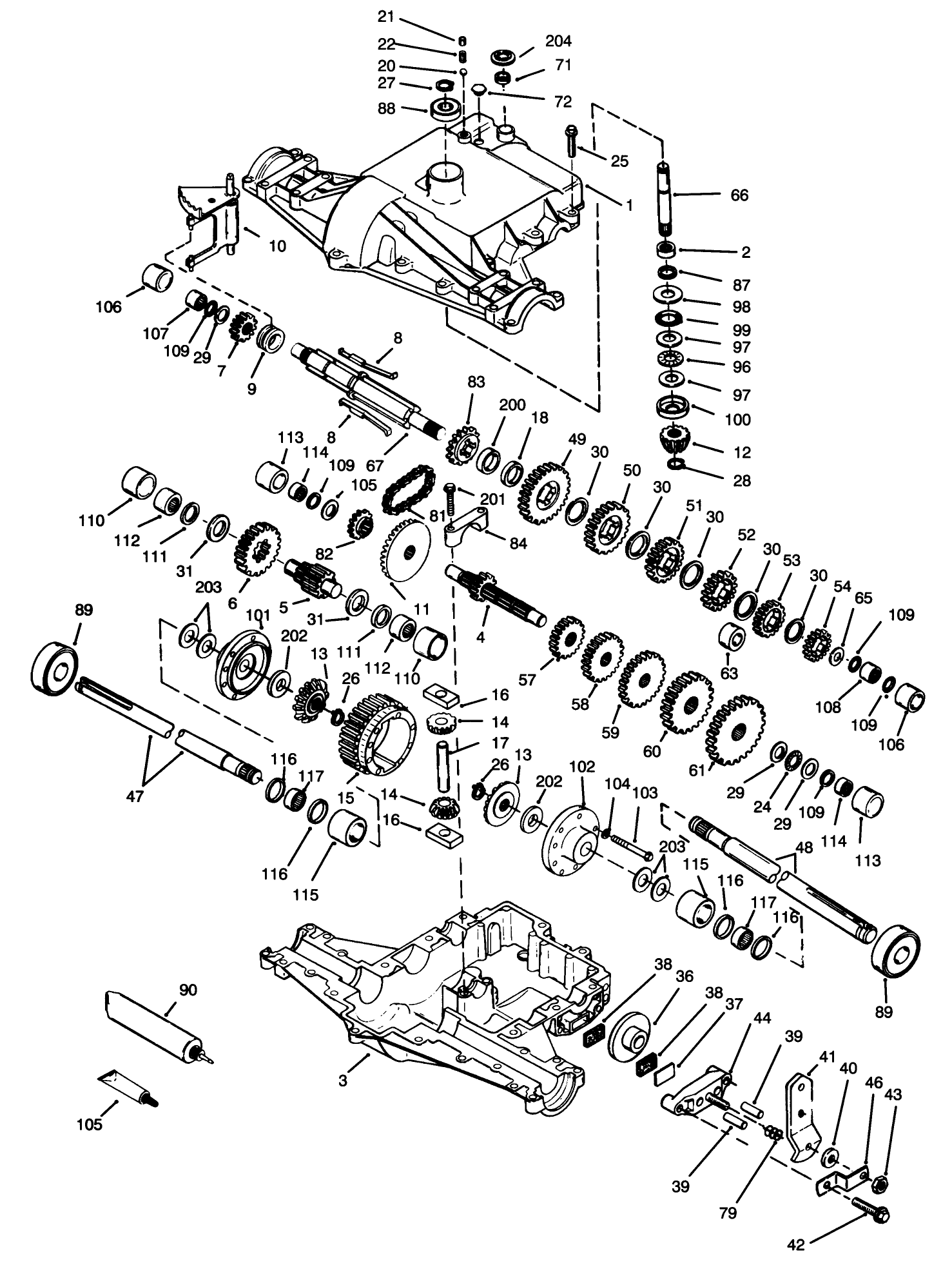
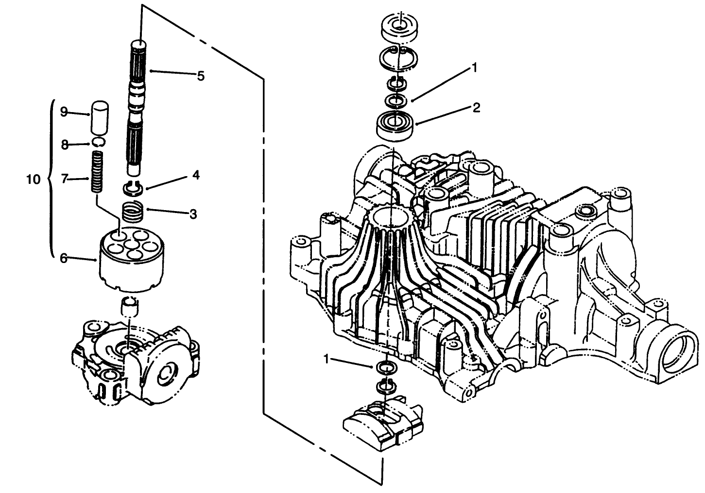
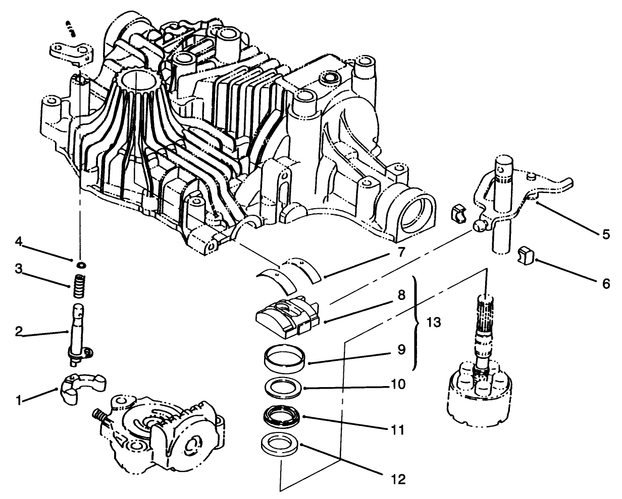
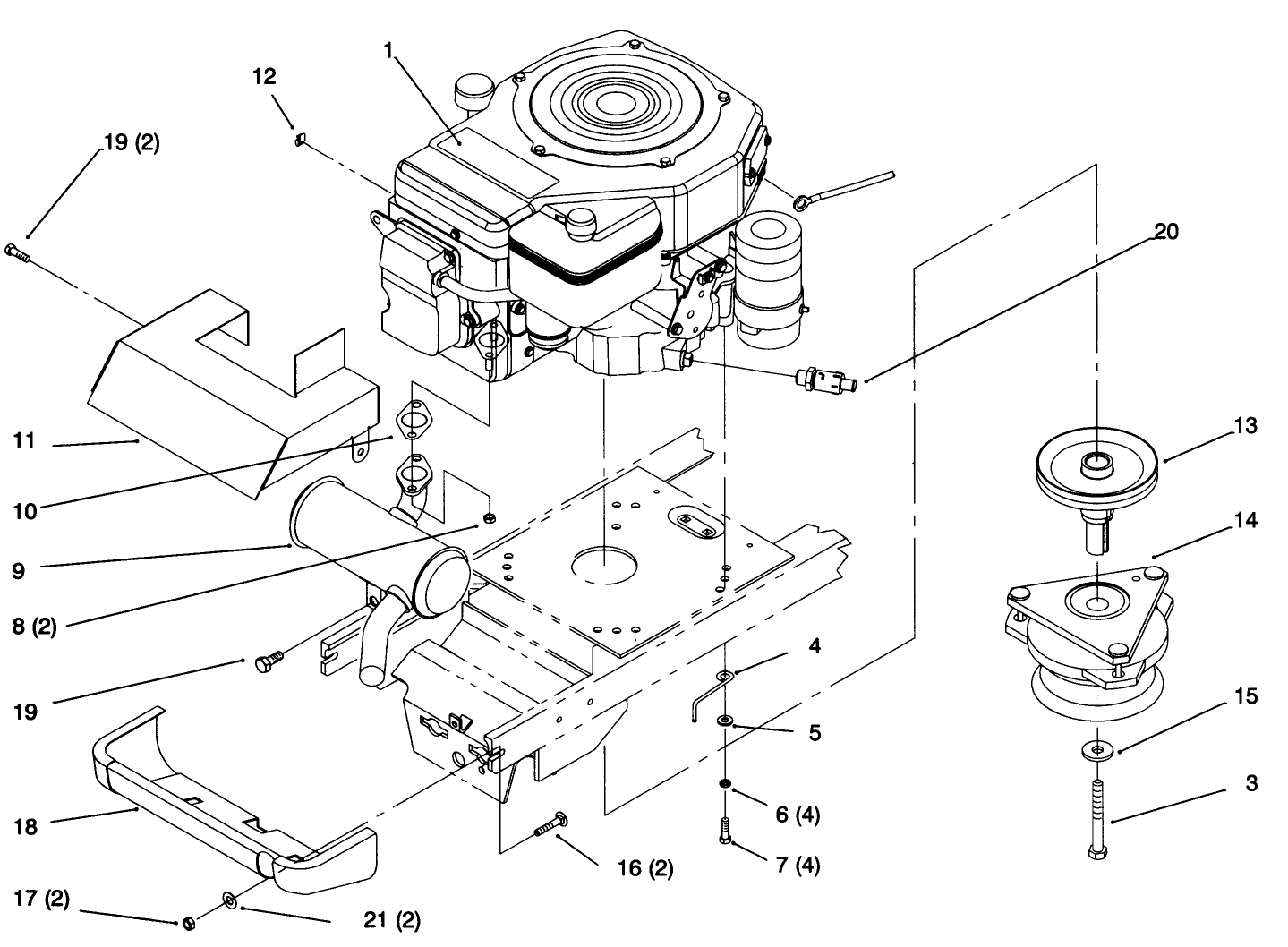
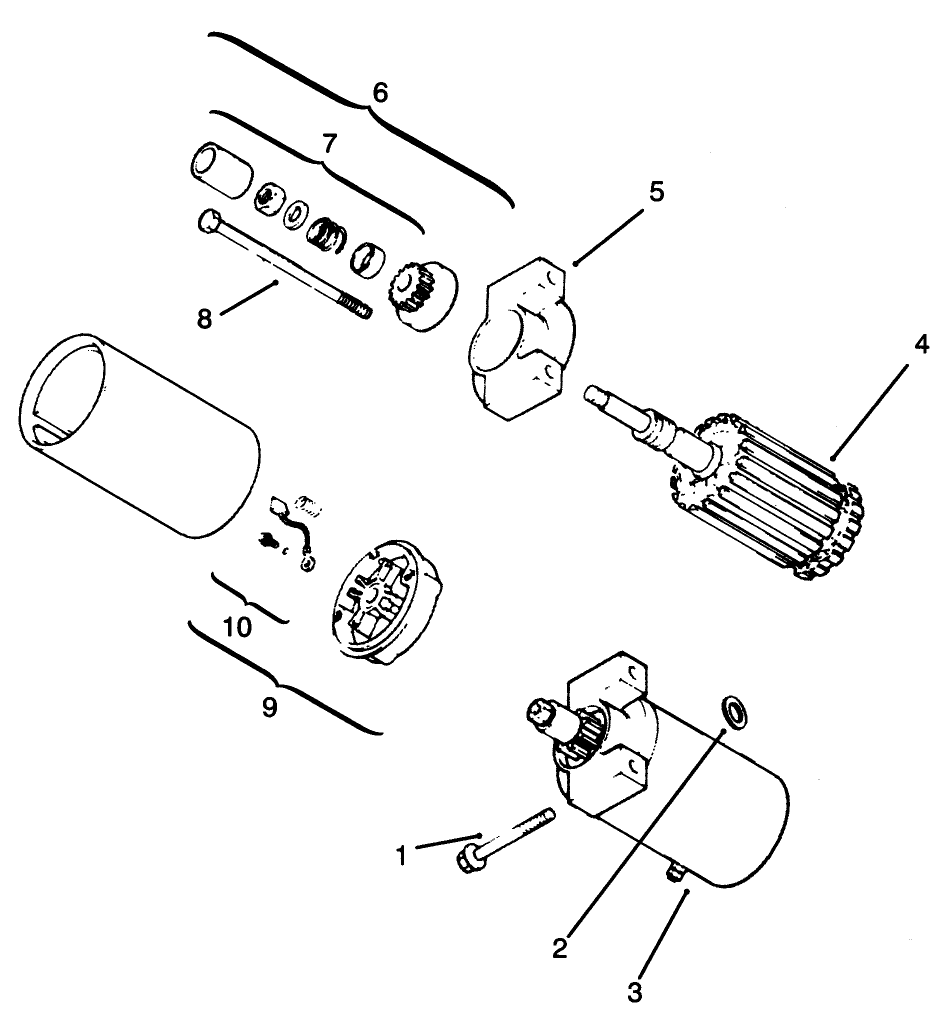
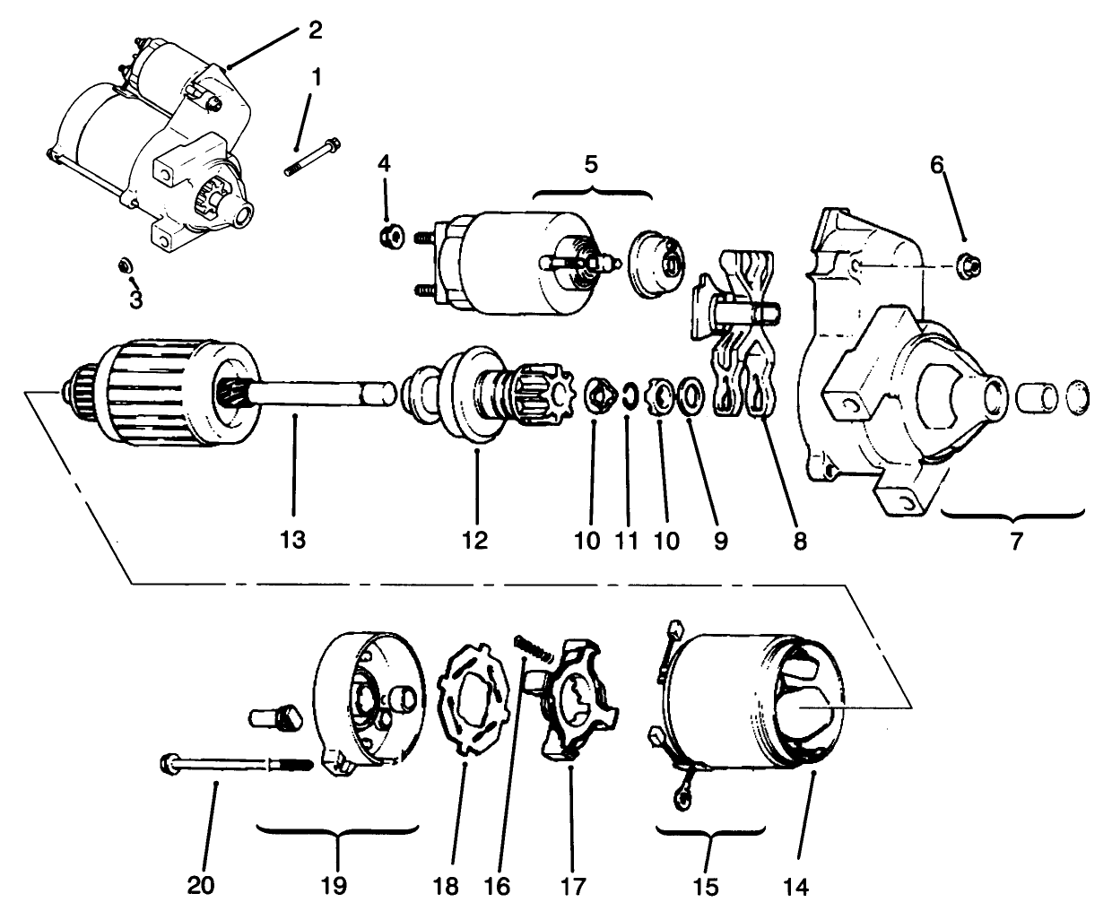
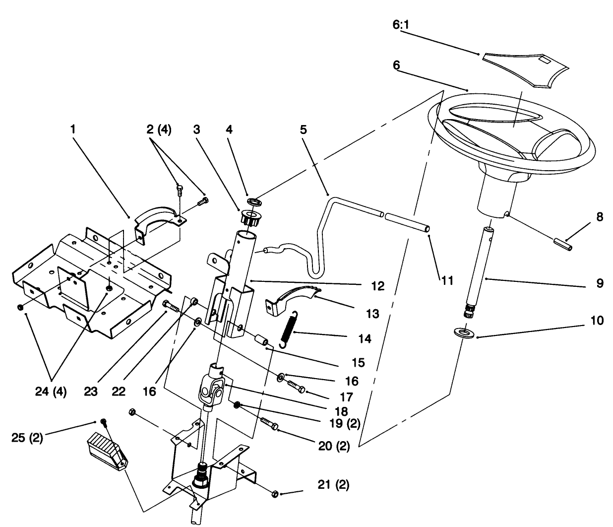
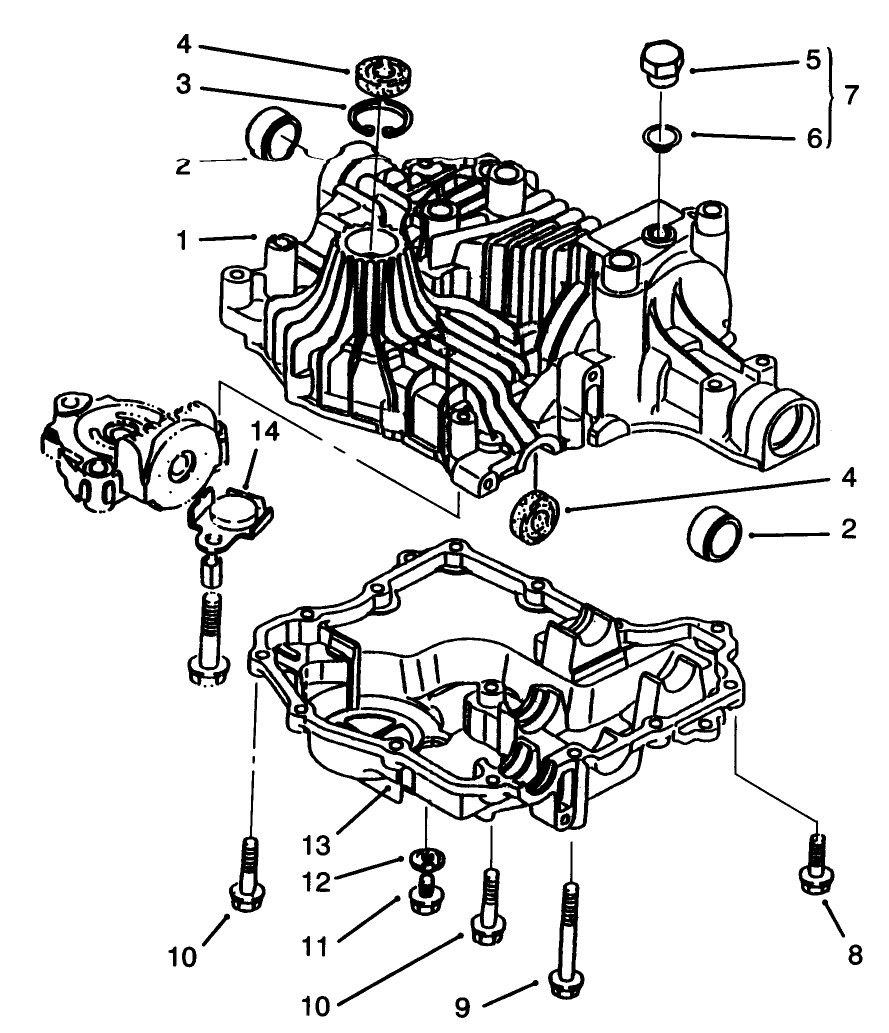
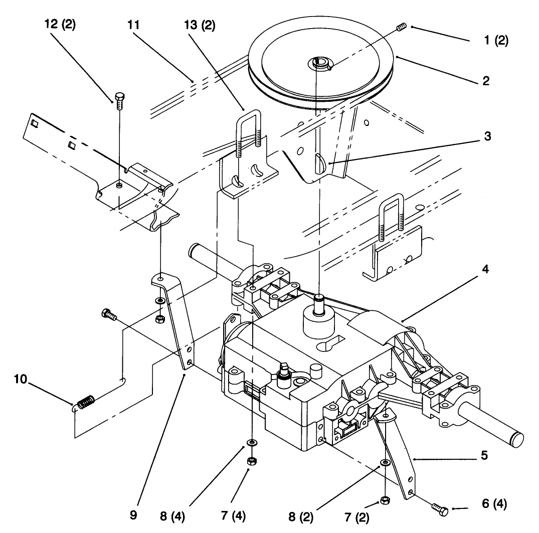
Assembly Drawings
Search for a part within assembly drawings:
-
Service Manual
-
Operator's Manual
-
Parts Catalog
Toro Red 12or aerosol can. (Part # 361-10)
Genuine OEM Part
Red Paint (Gallon) (Part # 361-11)
Genuine OEM Part
Red Paint (Part # 5340)
Genuine OEM Part
38" Side Discharge Mower (Part # 78216)
38" Recycler Mower (Part # 78226)
42" Side Discharge Mower (Part # 78231)
48" Side Discharge Mower (Part # 78260)
11.0 cu. ft. Easy Twin Bagger - 38" (Part # 79202)
11.0 cu. ft. Vac Bagger - 42"/48" (Part # 79203)
48" Snow/Dozer Blade (Part # 79252)
42" Snowthrower (Part # 79262)
36" Tiller (Part # 79271)
Wheel Weight Kit (Part # 81115)
Genuine OEM Part
8 Inch Wheel Weight (Part # 81214)
Genuine OEM Part
Tire Chains (Part # 82522)
Genuine OEM Part
Yard Tractor Rear Drive Rim (Part # 92-6789)
A Toro original equipment replacement yard tractor rear drive rim.
Please contact your local dealer
-
Model #
72042 -
Serial #
5900797 - 5999999 -
Product Name
264-6 Yard Tractor -
Product Brand
Toro -
Product Type
Riding Products -
Product Series
Yard & Garden Tractor, 260 Series -
Chassis Type
Yard Tractor -
Swath
Deck Optional -
Discharge
Deck Optional -
Engine/Motor Manufacturer
Kohler -
Engine/Motor Size
14 hp -
Engine/Motor Type
4 Cycle -
Engine Starter
Electric -
Transmission Type
Gear
-
Chassis: Tire Pressure
12 PSI / .5kg sq. cm -
Drive System: Ground Speed
Fwd. .7 - 5.3 Rev. 2.4 mph -
Engine: Battery
12V 210CCA -
Engine: Engine Speed
High 3250, Low 1200 RPM -
Engine: Spark Plug
Champion RC12YC -
Engine: Spark Plug Gap
.040"/ 1mm





























































