1/3 Area Pressure Washer, Workman
Product Information
- Model #: 07346
- Serial #: 60001 - 69999
- Product Type: Attachments
Loading...
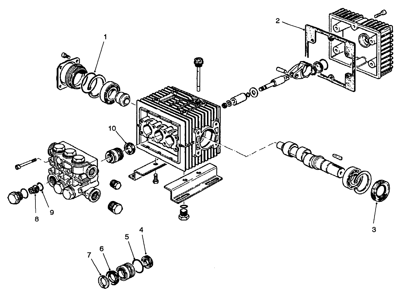
Assembly Drawings
Search for a part within assembly drawings:
-
Operator's Manual
-
Parts Catalog
-
Service Bulletin
-
Model #
07346 -
Serial #
60001 - 69999 -
Product Name
1/3 Area Pressure Washer, Workman -
Product Brand
Toro -
Product Type
Attachments -
Product Series
Workman Series Accessories




