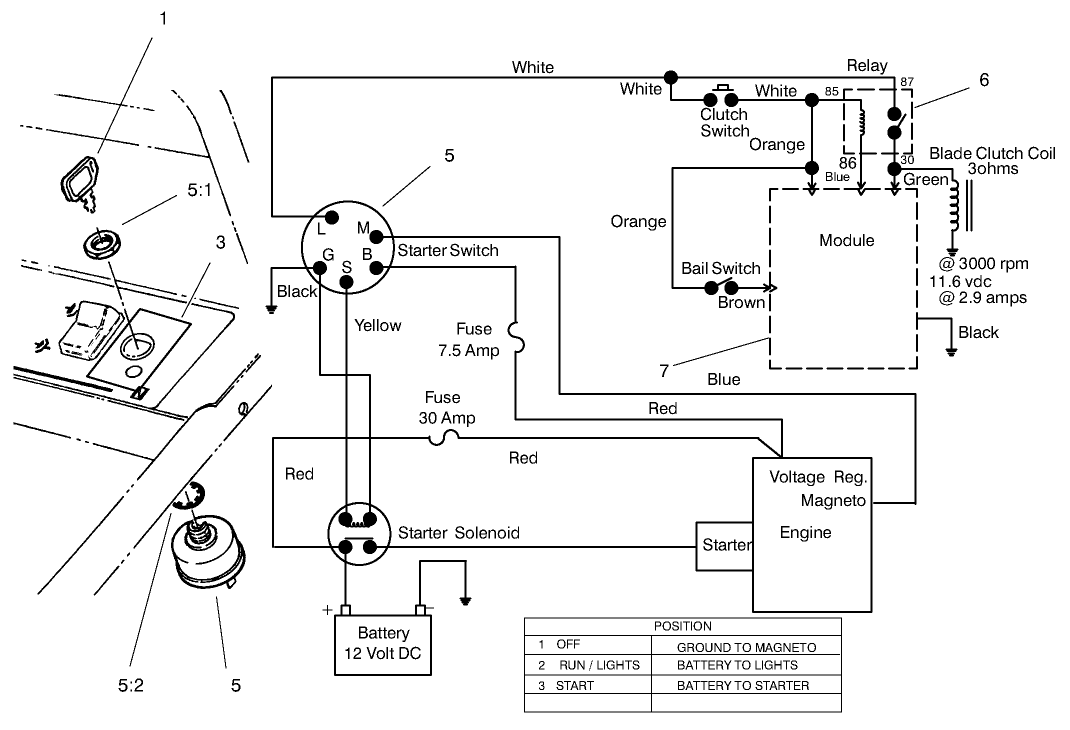
ELEC START KIT/COMM 114
Product Information
- Model #: 74-0980
- Serial #: None - None
- Product Type: Attachments
Loading...
Assembly Drawings
Search for a part within assembly drawings:
-
Parts Catalog
-
Installation Instructions
-
Model #
74-0980 -
Serial #
None - None -
Product Name
ELEC START KIT/COMM 114 -
Product Brand
Toro -
Product Type
Attachments -
Product Series
Attachments & Kits, Mid-Size Mower



