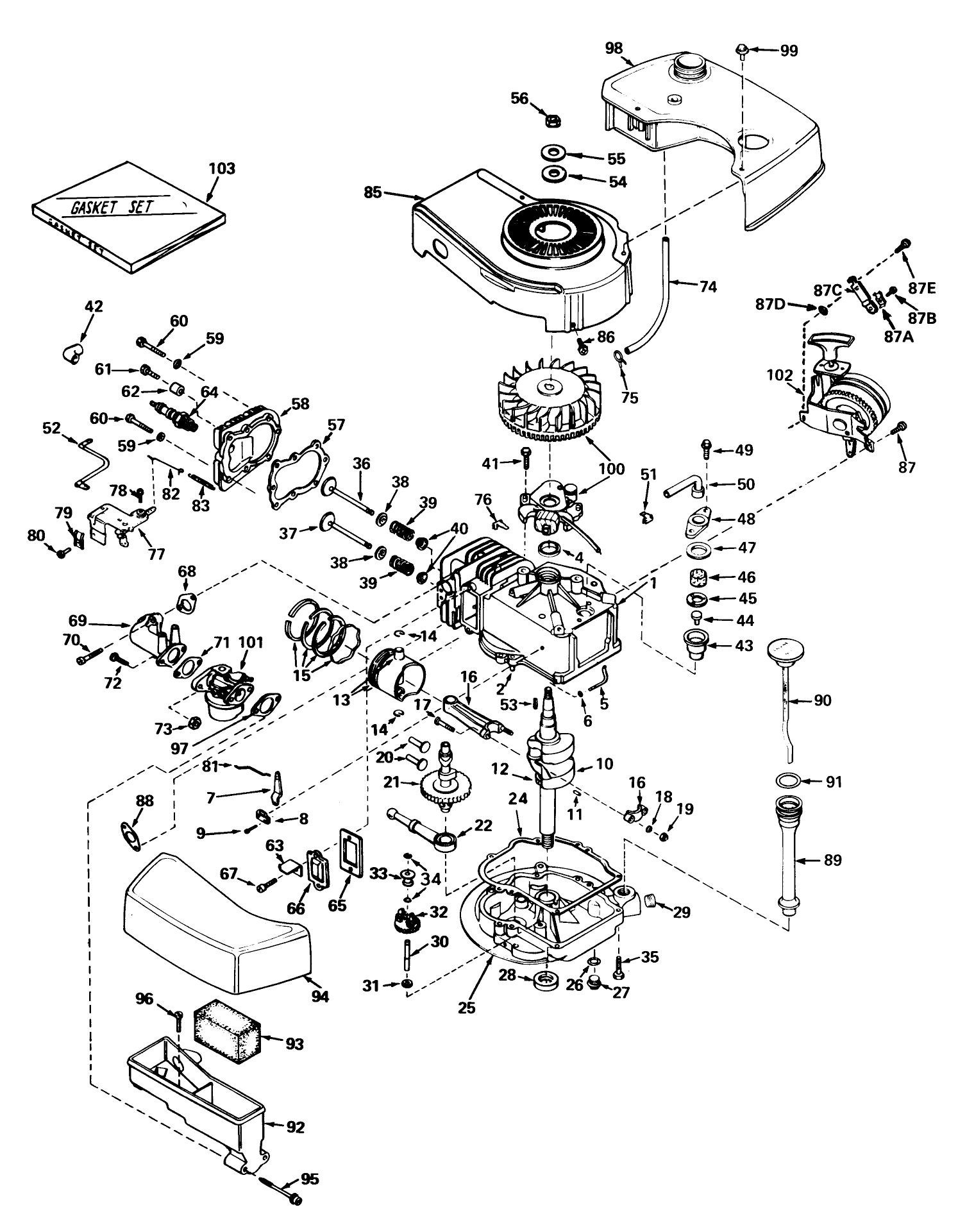
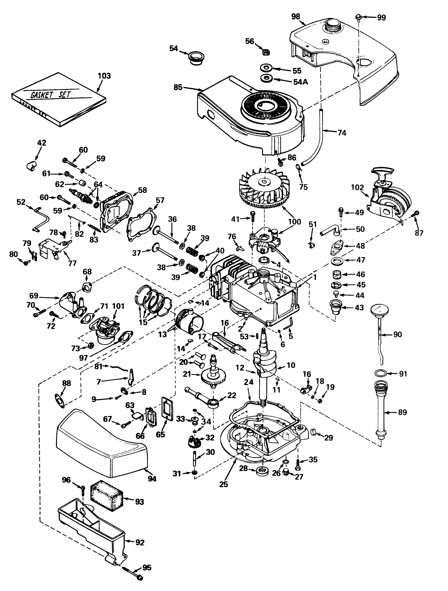
Guardian Lawnmower
Product Information
- Model #: 20474
- Serial #: 5000001 - 5999999
- Product Type: Walk Behind Mowers
Loading...
Assembly Drawings
Search for a part within assembly drawings:
-
Model #
20474 -
Serial #
5000001 - 5999999 -
Product Name
Guardian Lawnmower -
Product Brand
Toro -
Product Type
Walk Behind Mowers -
Product Series
21" Side Discharge -
Chassis Type
Cast Deck WPM -
Swath
21 inch -
Discharge
Side -
Engine/Motor Manufacturer
Tecumseh -
Engine/Motor Type
4 Cycle -
Engine Starter
Electric -
Transmission Type
Gear
-
Drive System: Gearbox Lubricant
3 oz. (92gm) #2 Lithium grease -
Chassis: Height of Cut Range
1-3"; 1/2" increments -
Drive System: Ground Speed
1.8 / 2.7 / 3.8 mph -
Engine: Engine Oil Type
25 oz. (.74l) 30w or 10w-30 / API SH or higher -
Engine: Engine Speed
3000±150 RPM -
Engine: Ignition Coil Air Gap
.010" / .25mm -
Engine: Spark Plug
Champion RJ19LM -
Engine: Spark Plug Gap
.030"/ .76mm














