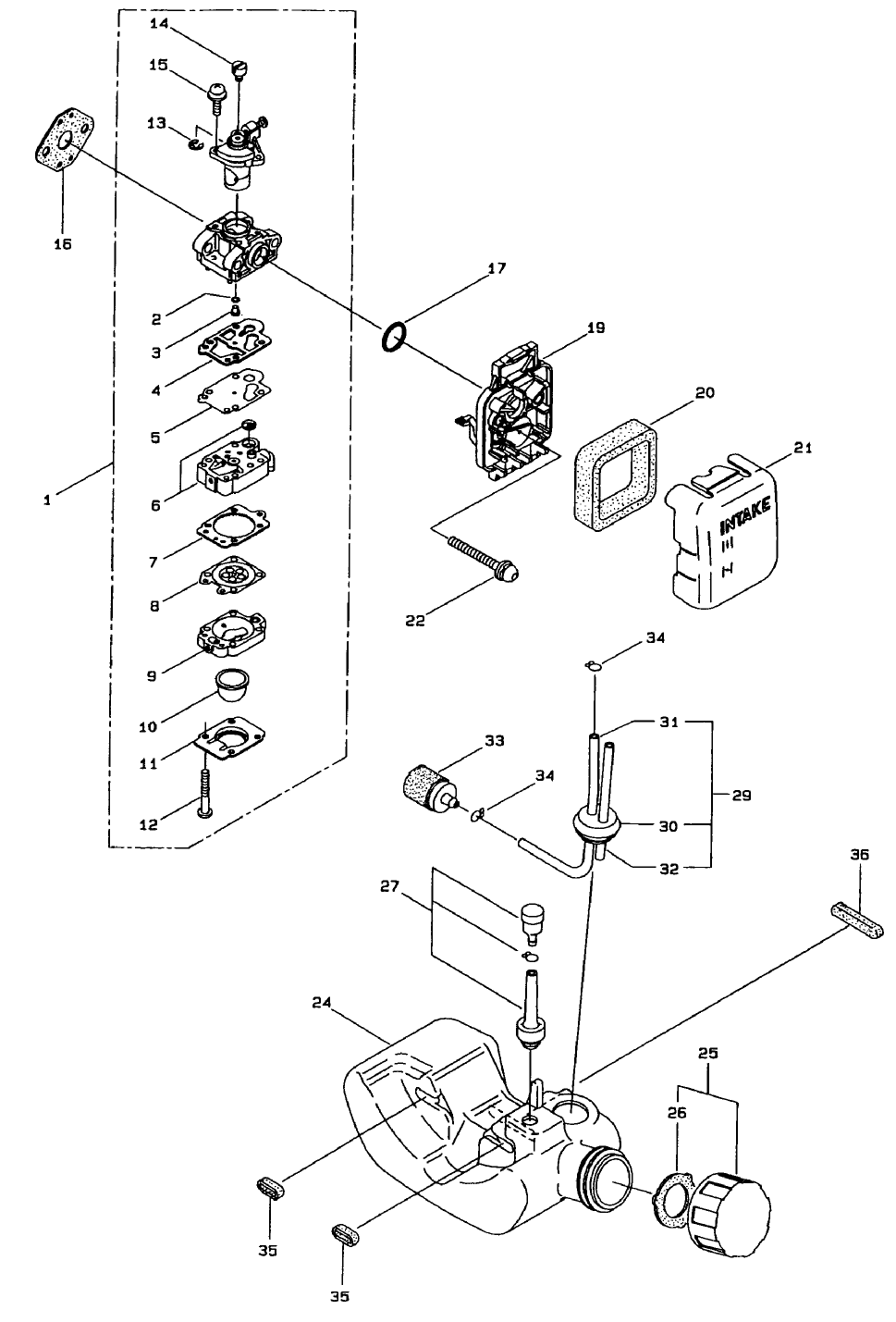
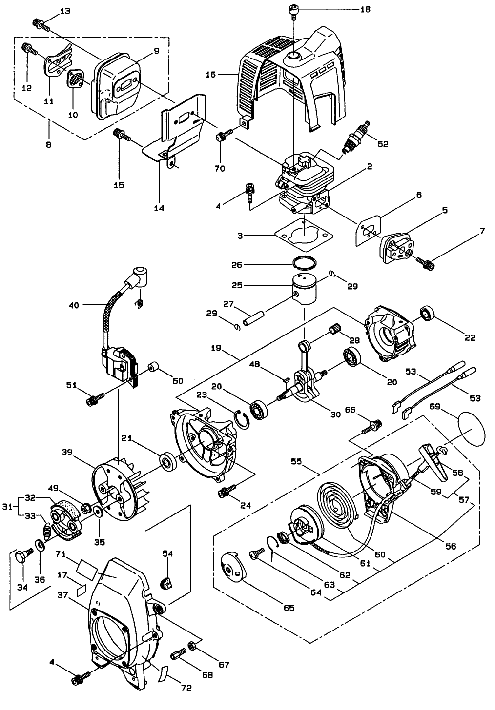
Gas Trimmer, Straight Shaft
Product Information
- Model #: 53009
- Serial #: 990001 - 999999
- Product Type: Trimmers
Loading...
Assembly Drawings
Search for a part within assembly drawings:
-
Operator's Manual
-
Parts Catalog
-
Model #
53009 -
Serial #
990001 - 999999 -
Product Name
Gas Trimmer, Straight Shaft -
Product Brand
Toro -
Product Type
Trimmers -
Product Series
Trimmer, Straight Shaft (Maruyama) -
Chassis Type
Gas Trimmer, Straight Sha -
Engine/Motor Manufacturer
Maruyama -
Engine/Motor Size
23cc -
Engine/Motor Type
2 Cycle CARB1, EPA1 -
Engine Starter
Recoil





