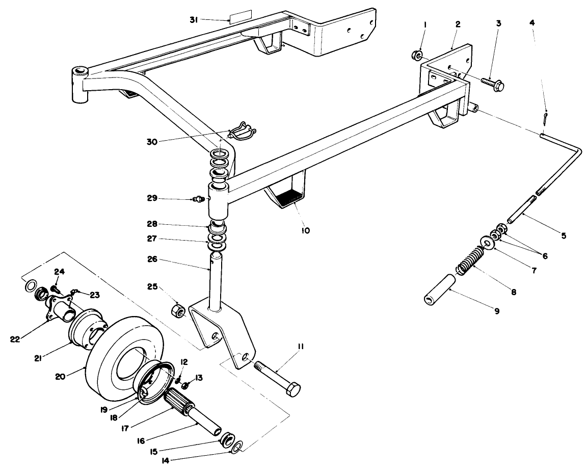
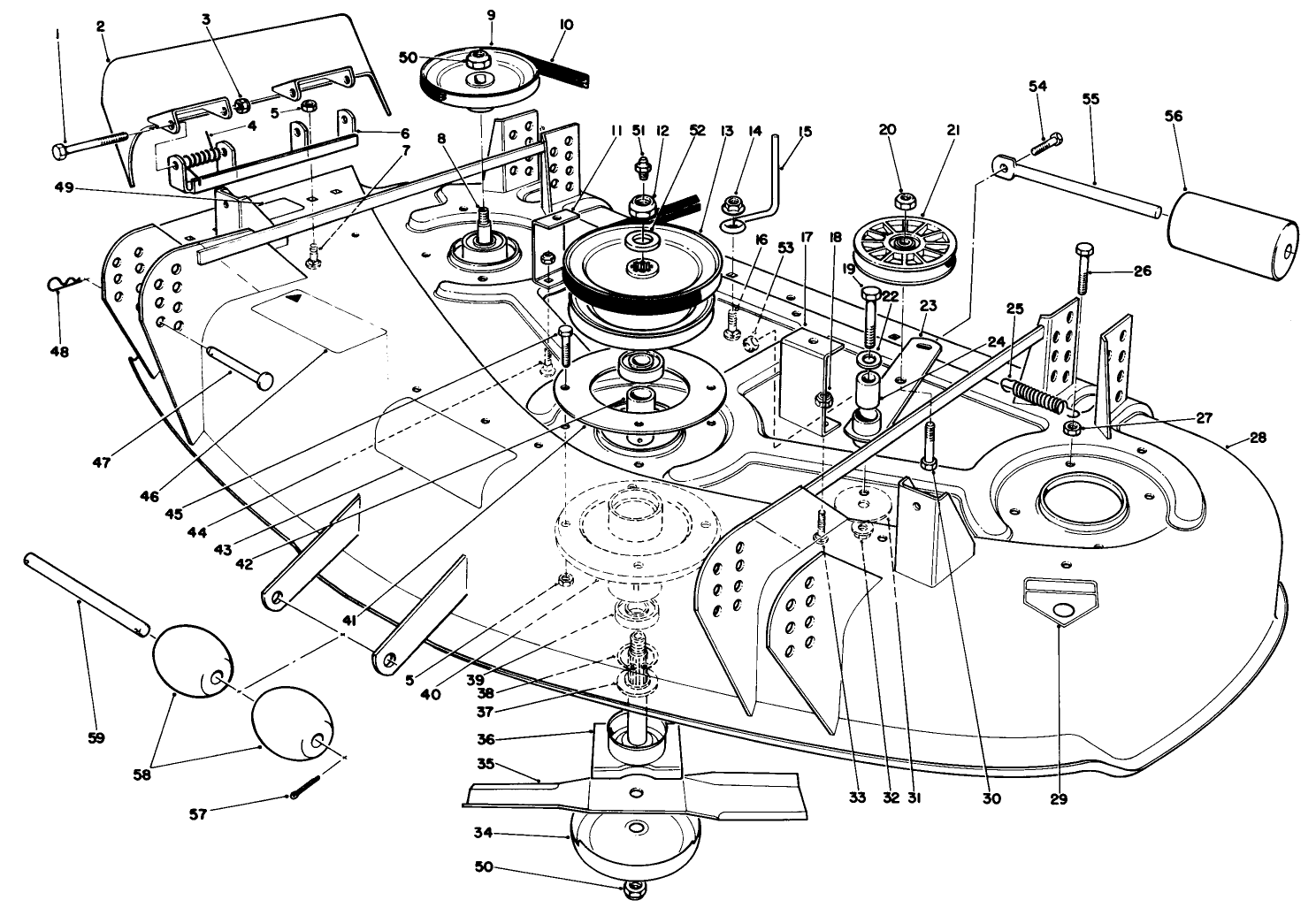
44" Side Discharge Mower
Product Information
- Model #: 30144
- Serial #: 700001 - 799999
- Product Type: Attachments
Loading...
Assembly Drawings
Search for a part within assembly drawings:
-
Parts Catalog
-
Model #
30144 -
Serial #
700001 - 799999 -
Product Name
44" Side Discharge Mower -
Product Brand
Toro -
Product Type
Attachments -
Product Series
Attachments & Kits, Mid-Size Mower -
Swath
44 inch -
Discharge
Side


