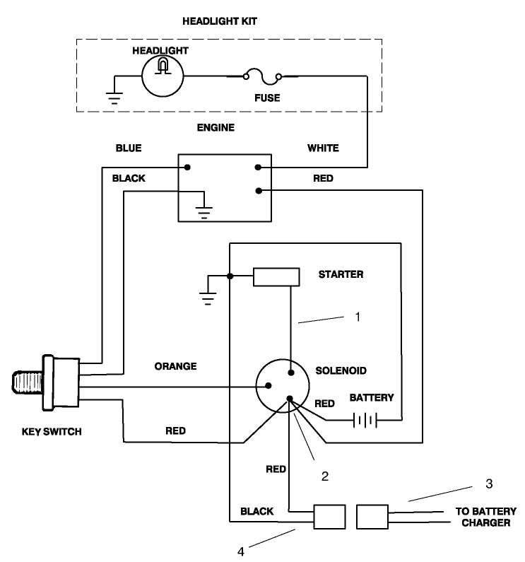
12 VOLT STARTER KIT
Product Information
- Model #: 99-9316
- Serial #: None - None
- Product Type: Attachments
Loading...
Assembly Drawings
Search for a part within assembly drawings:
-
Parts Catalog
-
Installation Instructions
-
Model #
99-9316 -
Serial #
None - None -
Product Name
12 VOLT STARTER KIT -
Product Brand
Toro -
Product Type
Attachments -
Product Series
Attachments & Kits, All Other Products


