ProLine 118
Product Information
- Model #: 30718
- Serial #: 1000001 - 1999999
- Product Type: Riding Products
Loading...
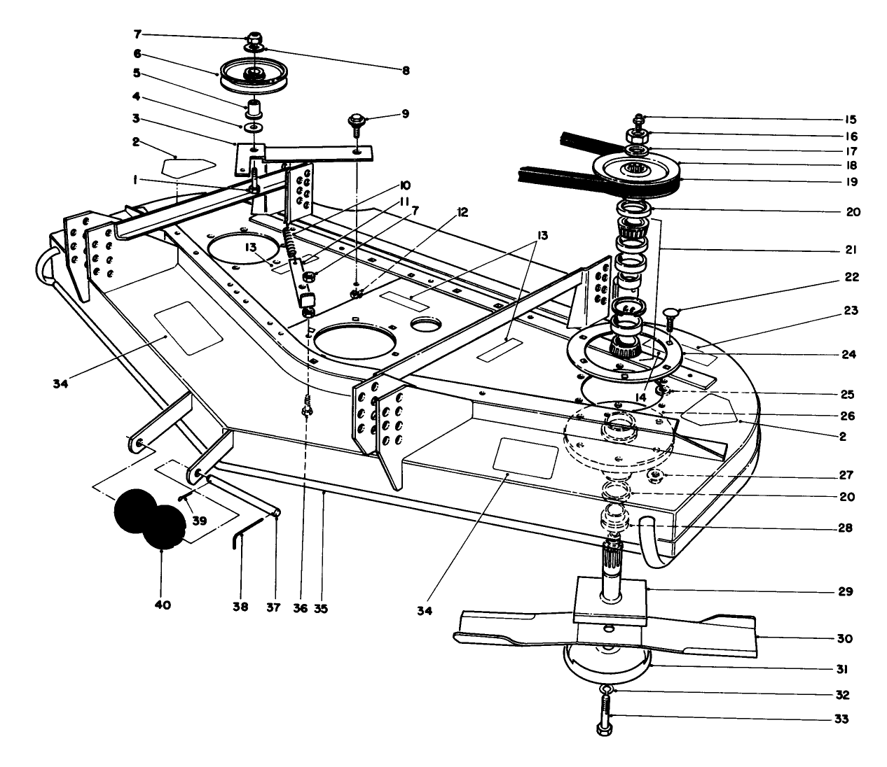
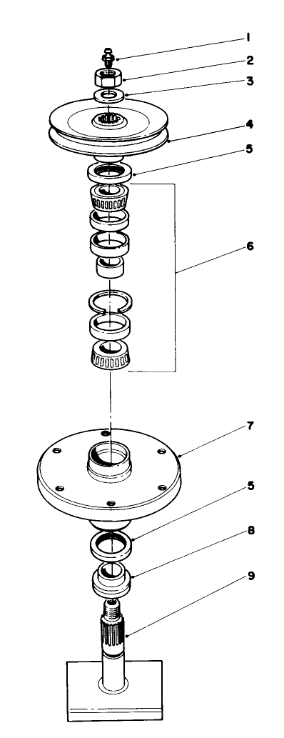
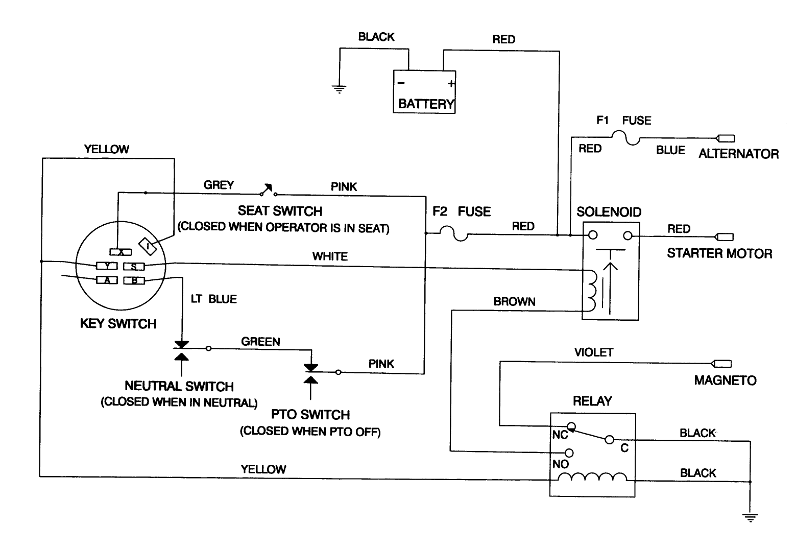
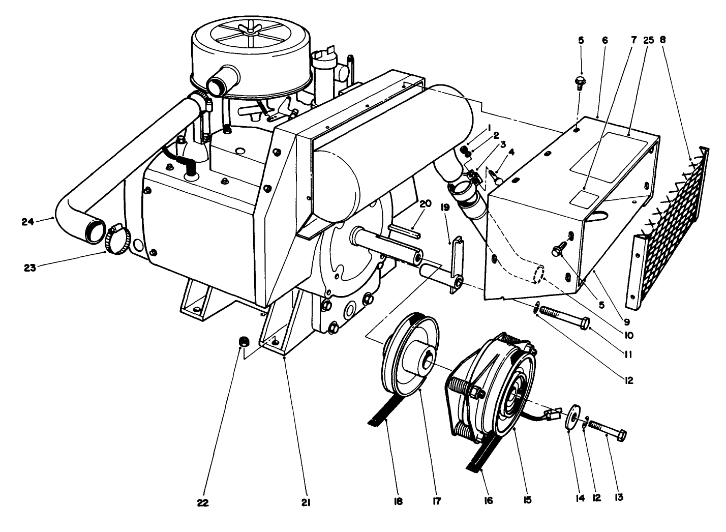
Assembly Drawings
Search for a part within assembly drawings:
-
Service Manual
-
Operator's Manual
-
Parts Catalog
-
Service Bulletin
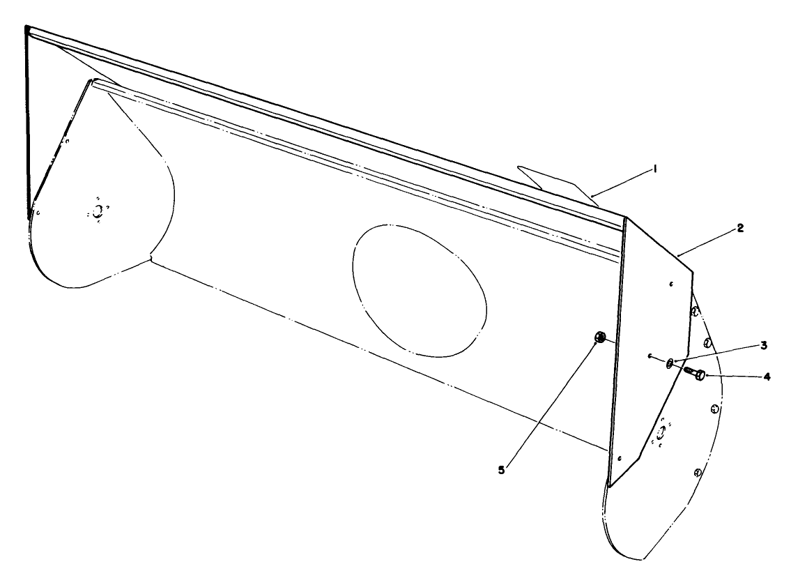
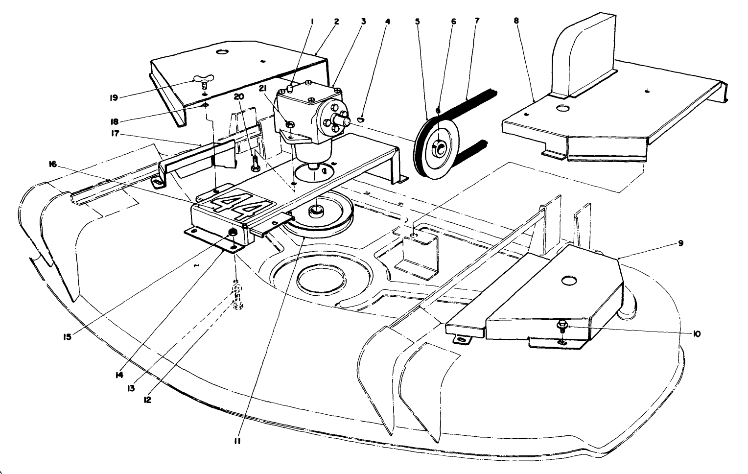
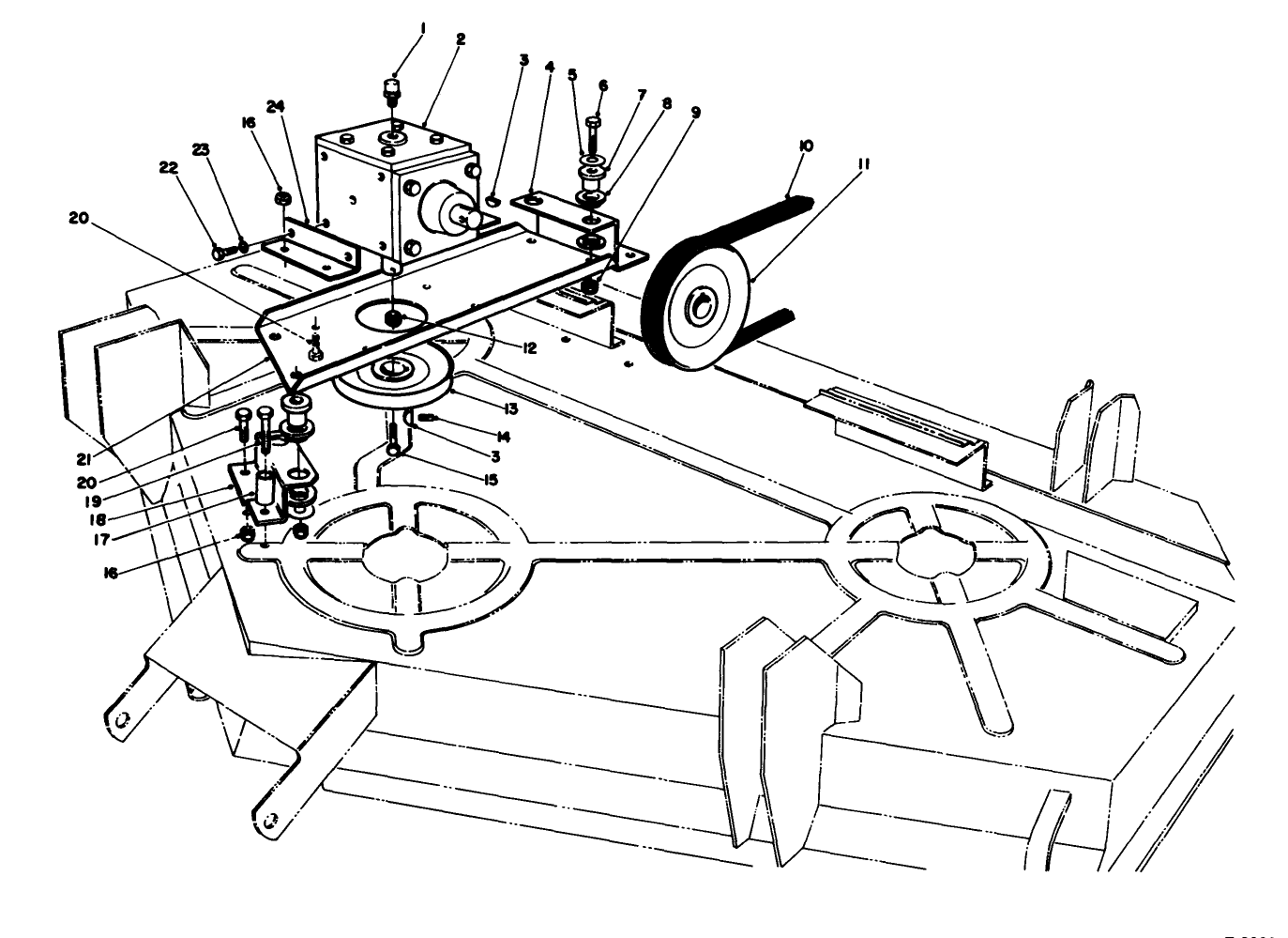
44" Side Discharge Mower (Part # 30544)
48" Recycler (Part # 30548)
Grass Collection System (Part # 30576)
Mulcher Kit, 52" Mower (Part # 30700)
Arm Rest Kit (Part # 30707)
Built for comfort.
Leaf Spring Seat (Part # 30746)
48" Rear Discharge Mower (Part # 30747)
Grass Collection System (Part # 30751)
Mulcher Kit, 44" Mower (Part # 30752)
52" Side Discharge Mower (Part # 30753)
Deluxe Seat (Part # 30756)
Brake Kit (Part # 30758)
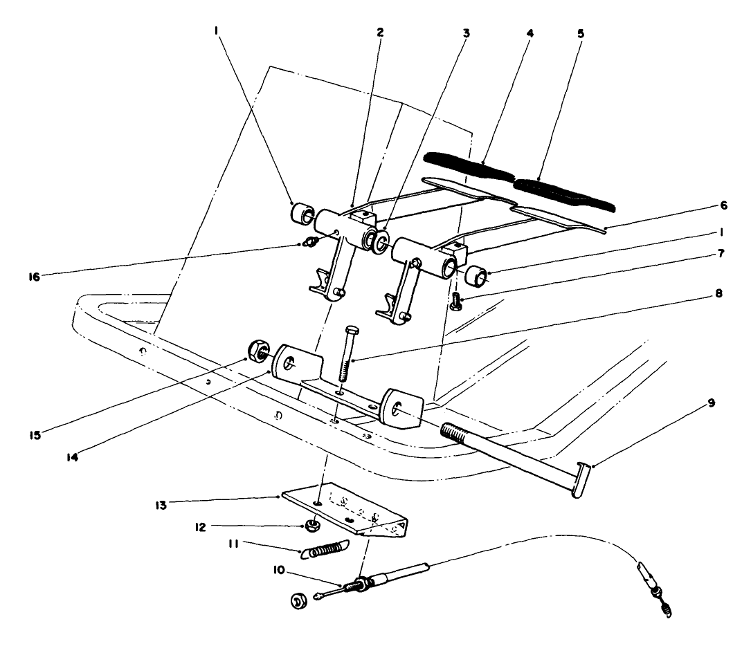
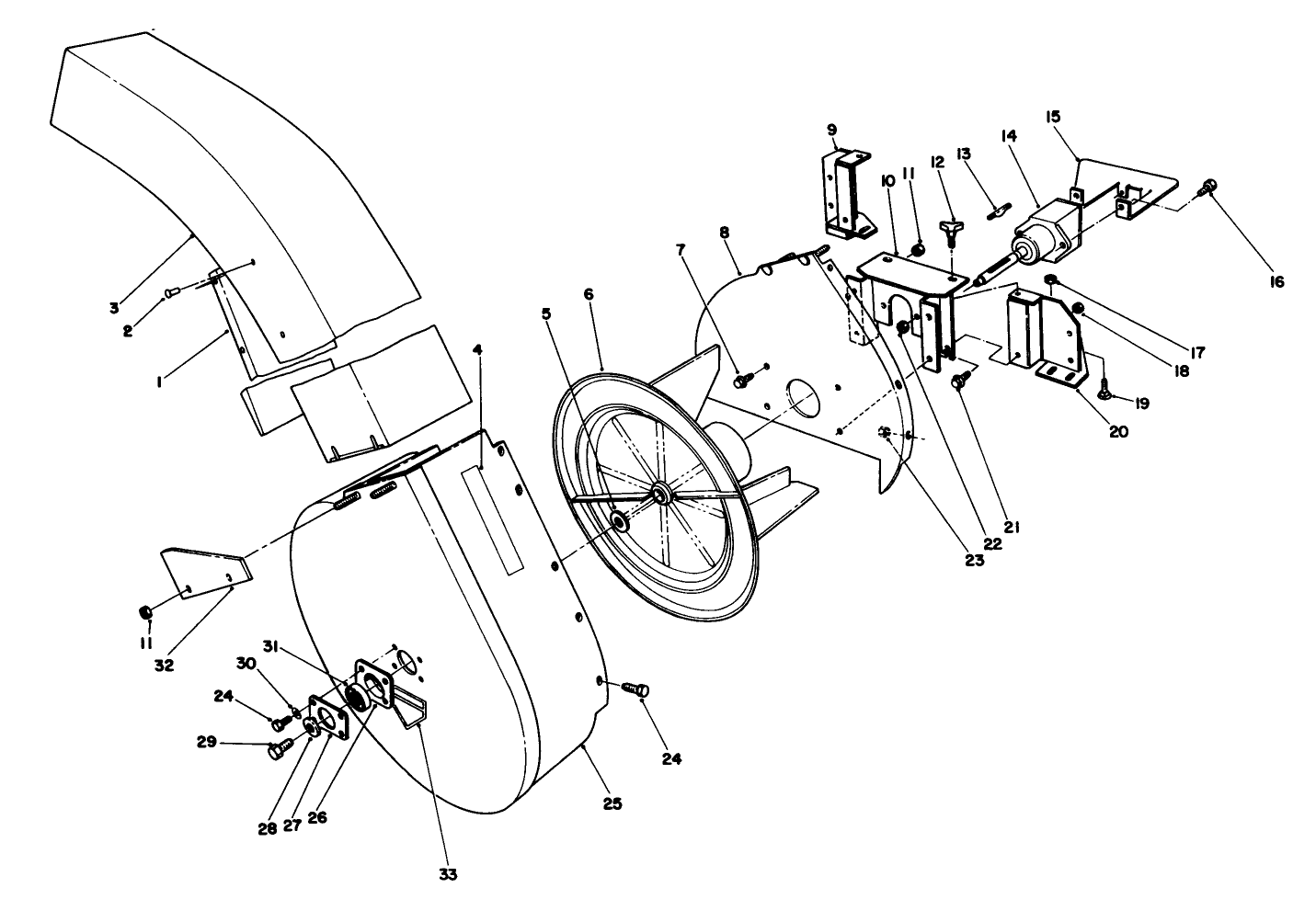
44" Snowthrower (Part # 30761)
Please contact your local dealer
52 " Side Discharge Deck (Part # 59152)
Please contact your local dealer
Please contact your local dealer
-
Model #
30718 -
Serial #
1000001 - 1999999 -
Product Name
ProLine 118 -
Product Brand
Toro -
Product Type
Riding Products -
Product Series
Groundsmaster 100 Series -
Swath
Deck Optional -
Discharge
Deck Optional -
Engine/Motor Manufacturer
Kohler -
Engine/Motor Size
18 hp -
Engine/Motor Type
4 Cycle -
Engine Starter
Electric -
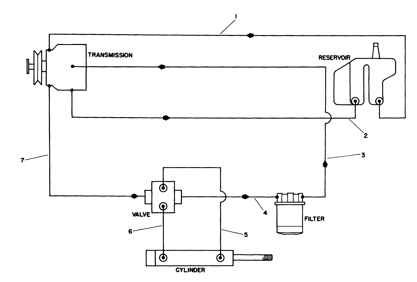
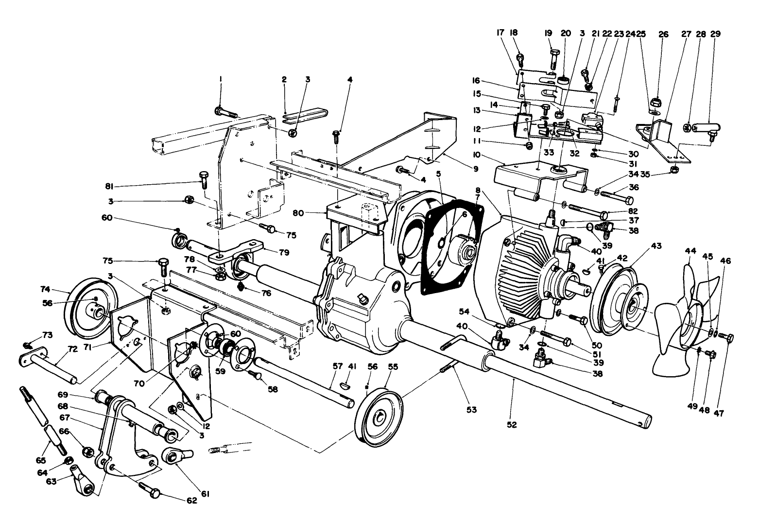
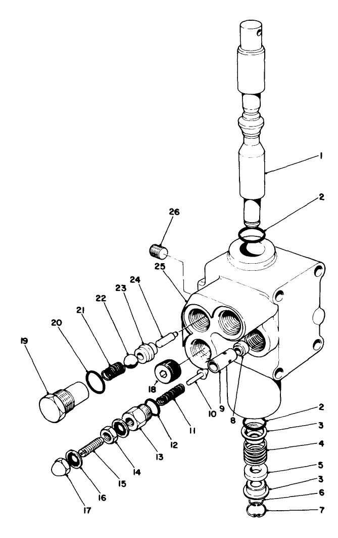
Transmission Type
Hydrostatic
-
Engine: Spark Plug
Champion RV15YC -
Engine: Spark Plug Gap
.025"/ .64mm -
Engine: Engine Speed
3200±100 RPM -
Chassis: Tire Pressure
10-15 psi















































































