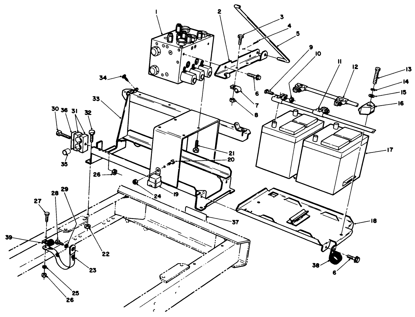
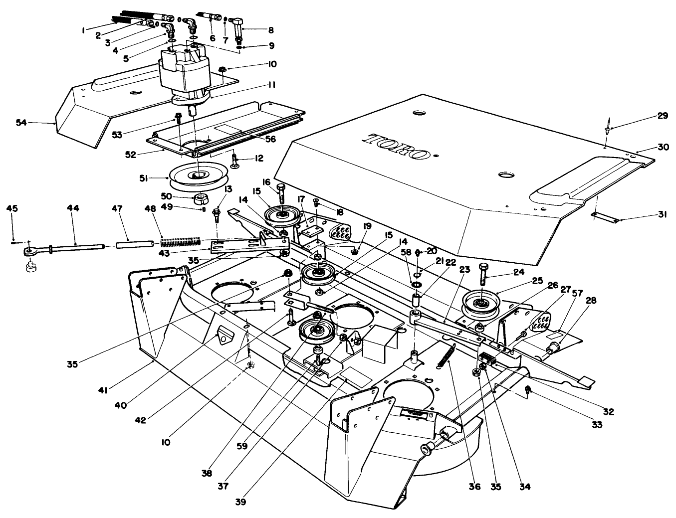
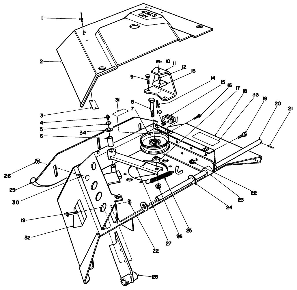
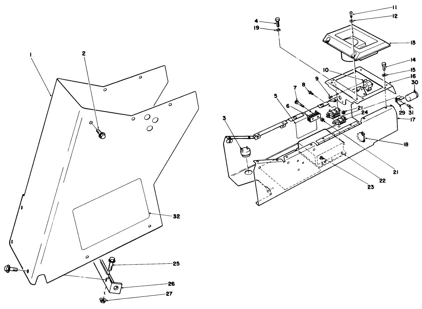
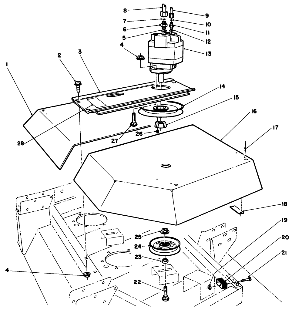
Front Replacement Mower, Groundsmaster 580-D
Product Information
- Model #: 30592
- Serial #: 20001 - 29999
- Product Type: Attachments
Loading...
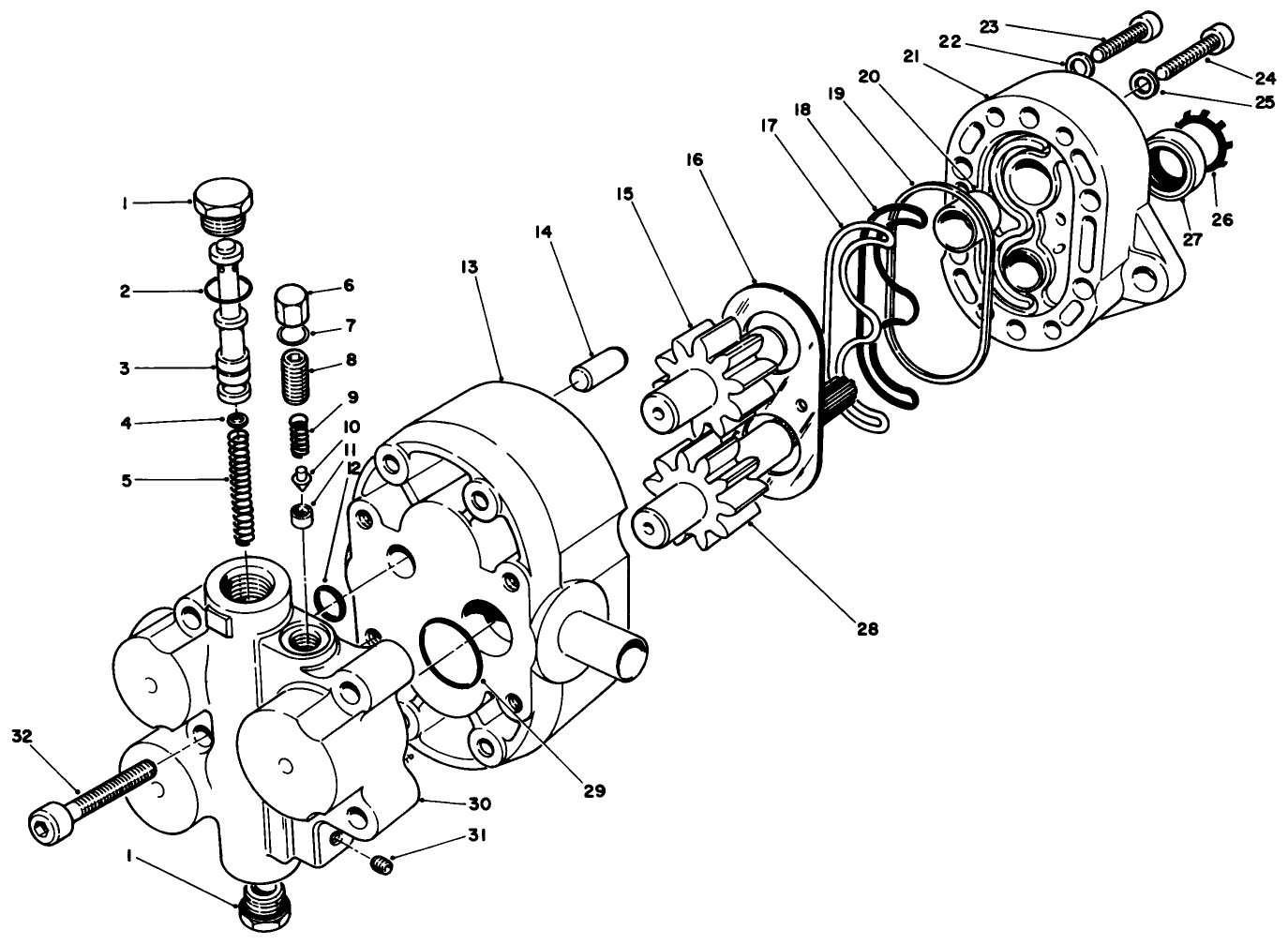
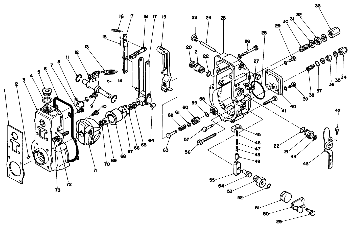
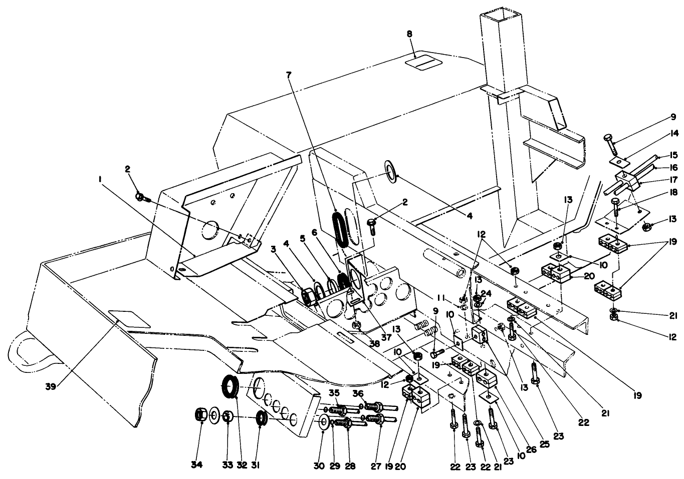
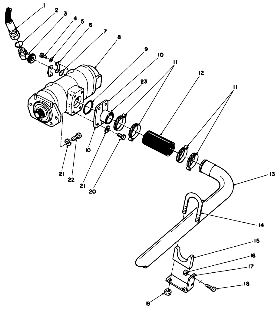
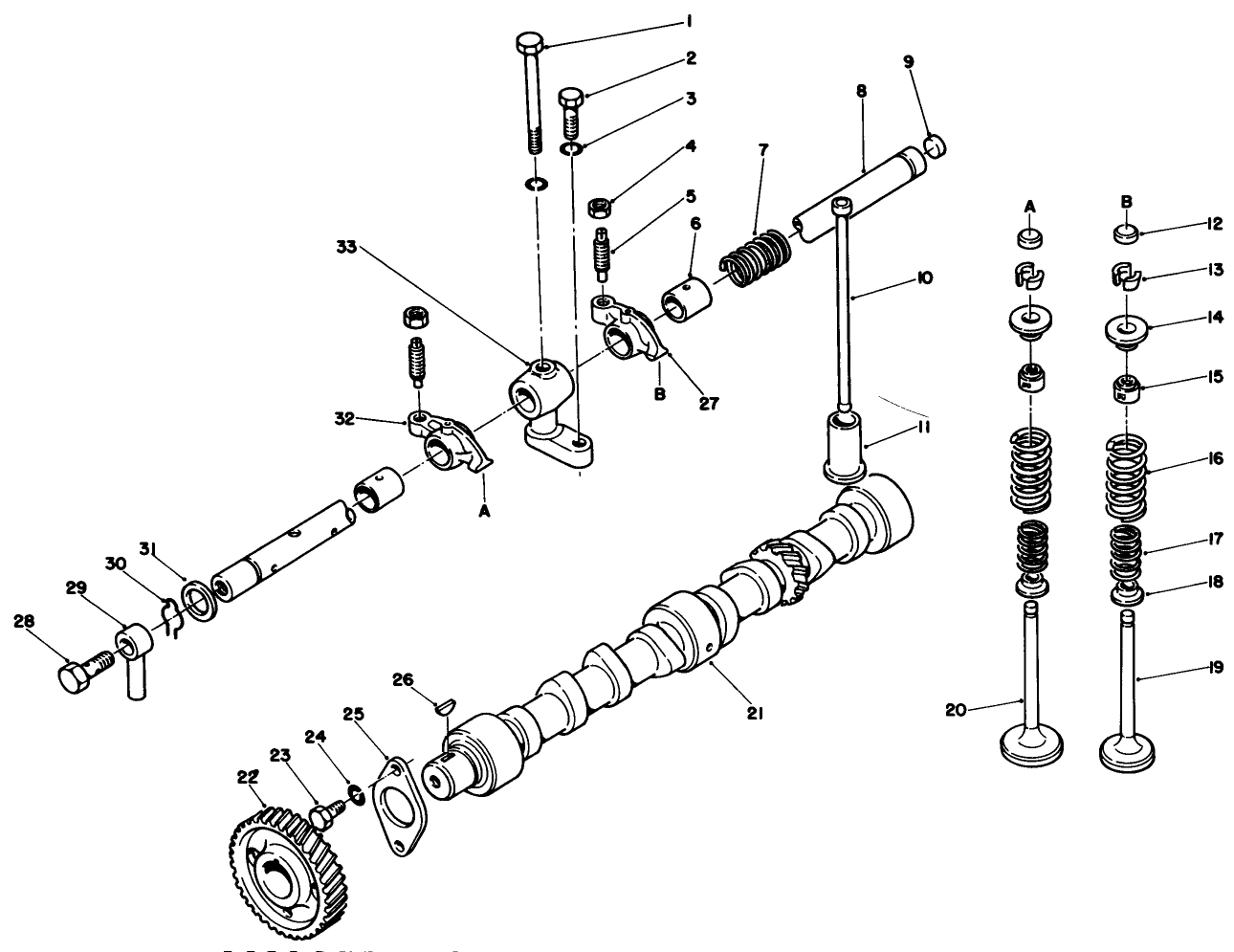
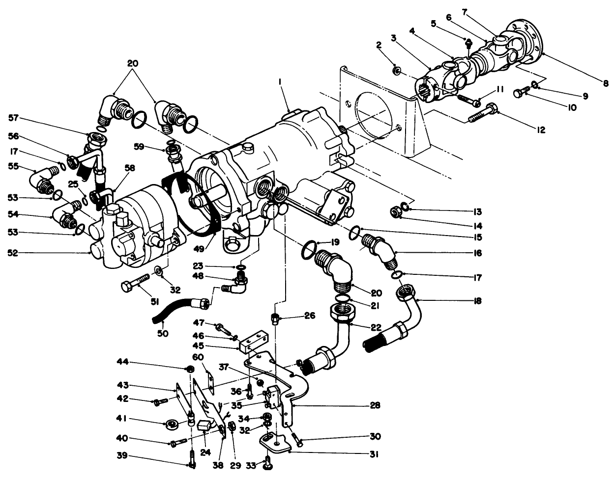
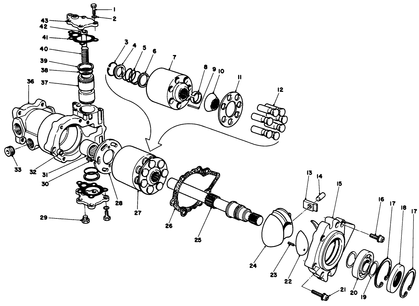
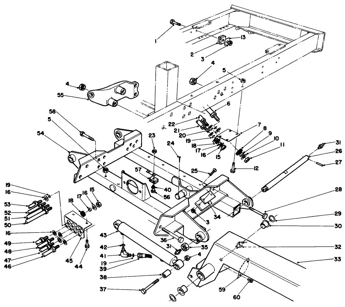
Assembly Drawings
Search for a part within assembly drawings:
-
Parts Catalog
-
Service Bulletin
-
Model #
30592 -
Serial #
20001 - 29999 -
Product Name
Front Replacement Mower, Groundsmaster 580-D -
Product Brand
Toro -
Product Type
Attachments -
Product Series
GM 500 Series Accessories
















































































