Image Not Found

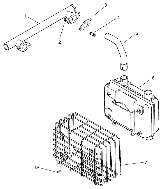
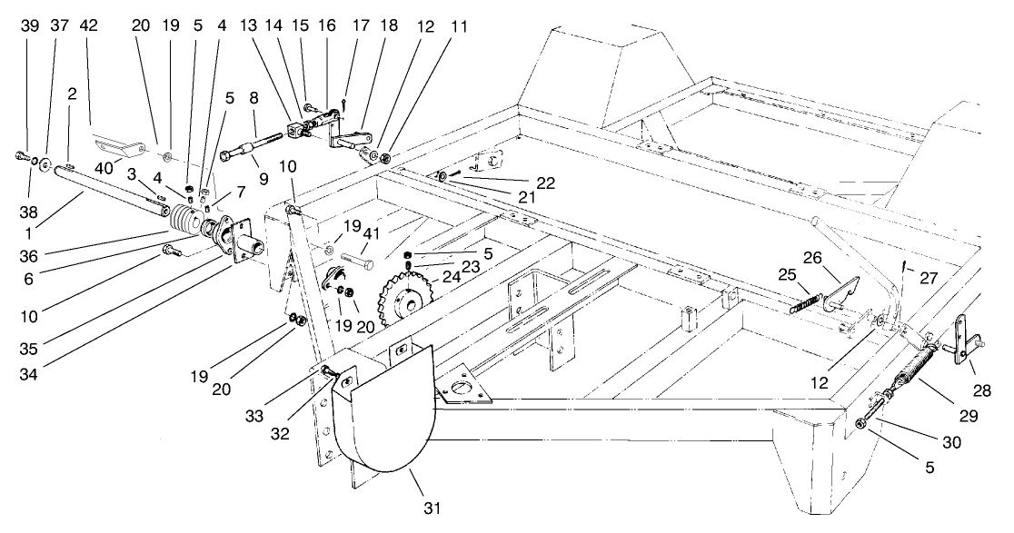
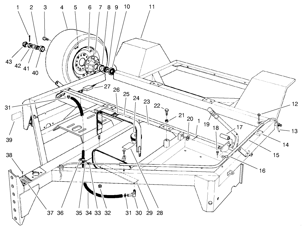
Product Information

  • Model #: 07050
  • Serial #: 210000001 - 210000200
  • Product Type: Sweepers

Register your product

Registering your product will ensure notification of important updates and expedite warranty service should it be necessary.

Register Now