Z287L Z Master, With 62" SFS Side Discharge Mower
Product Information
- Model #: 74213
- Serial #: 220000001 - 220999999
- Product Type: Riding Products
Loading...
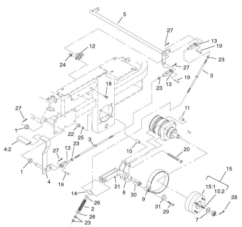
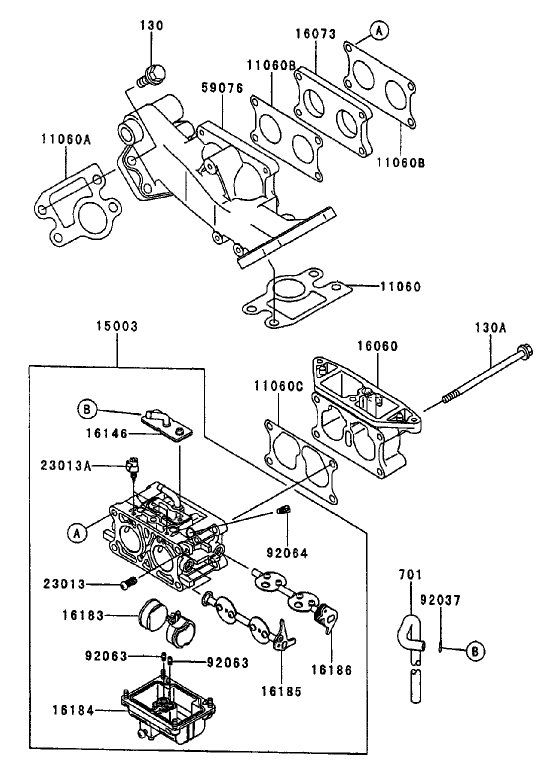
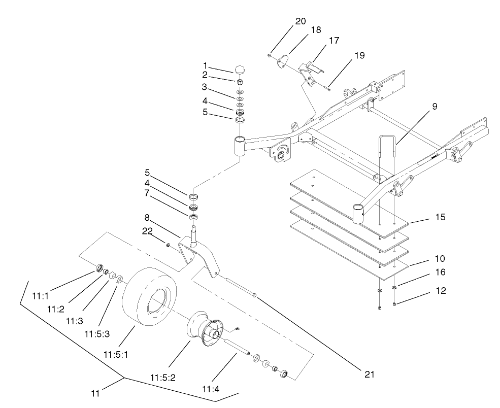
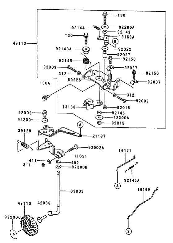
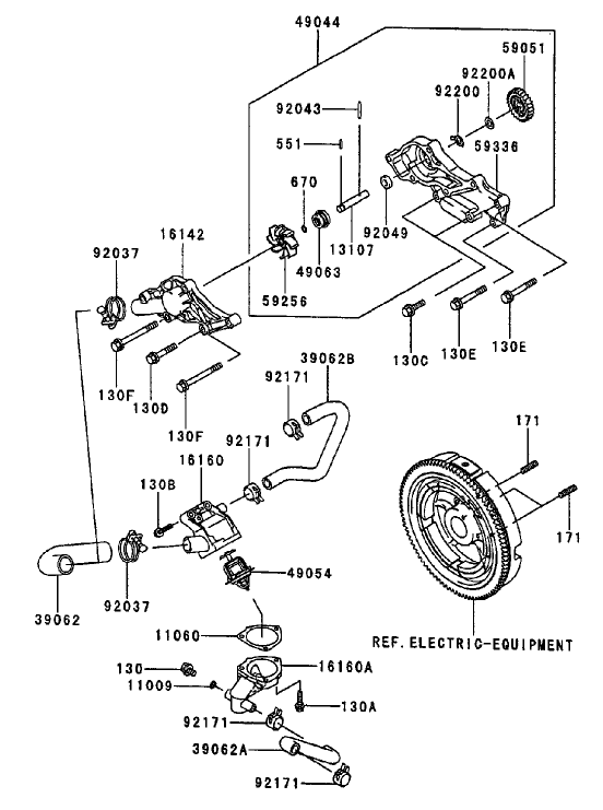
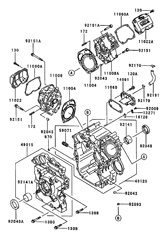
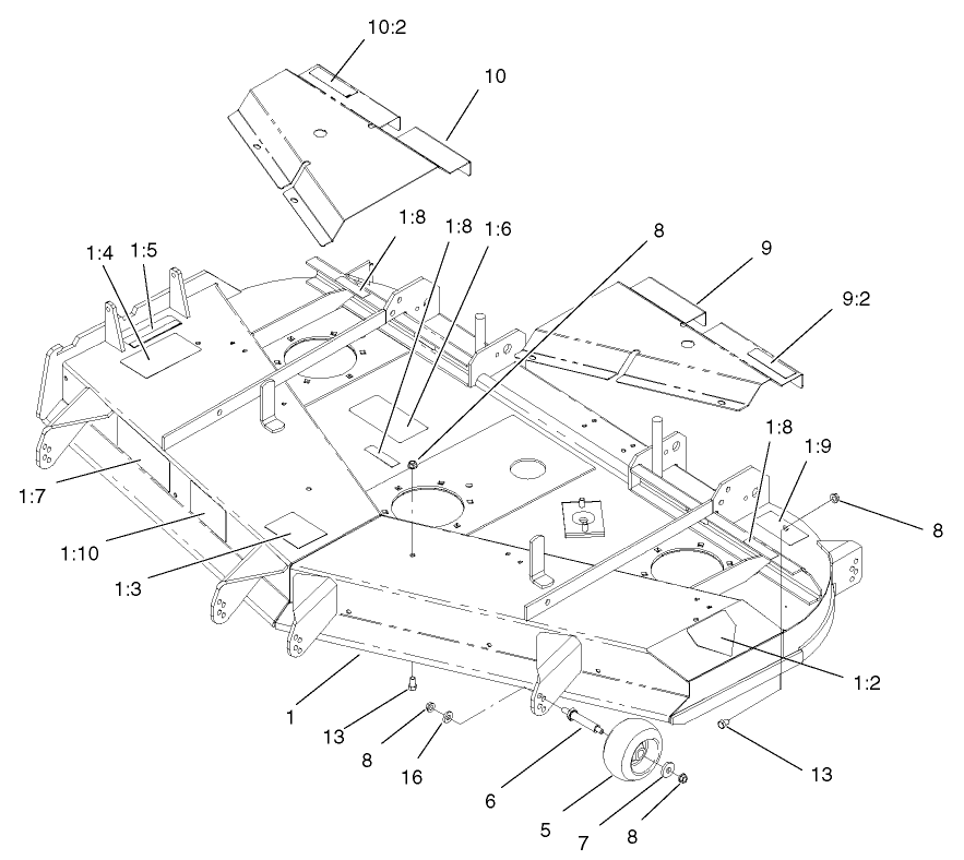
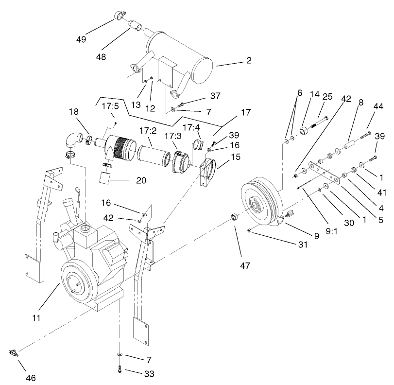
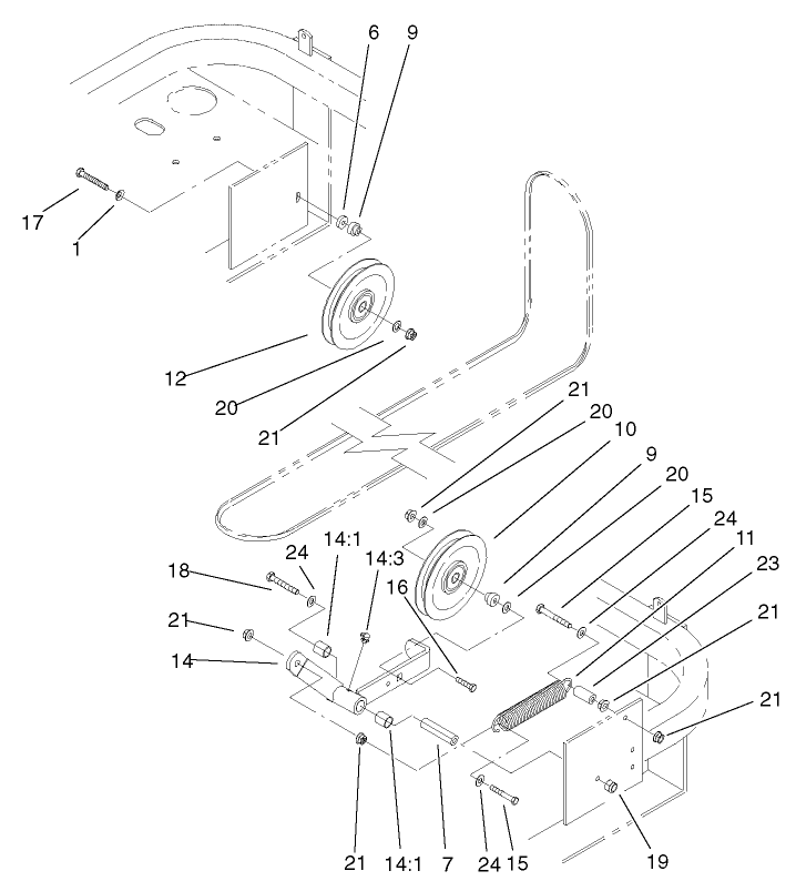
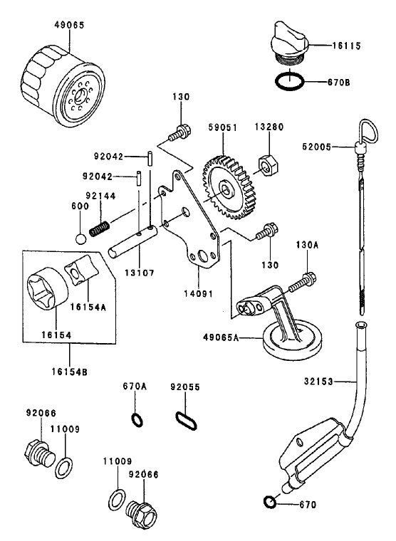
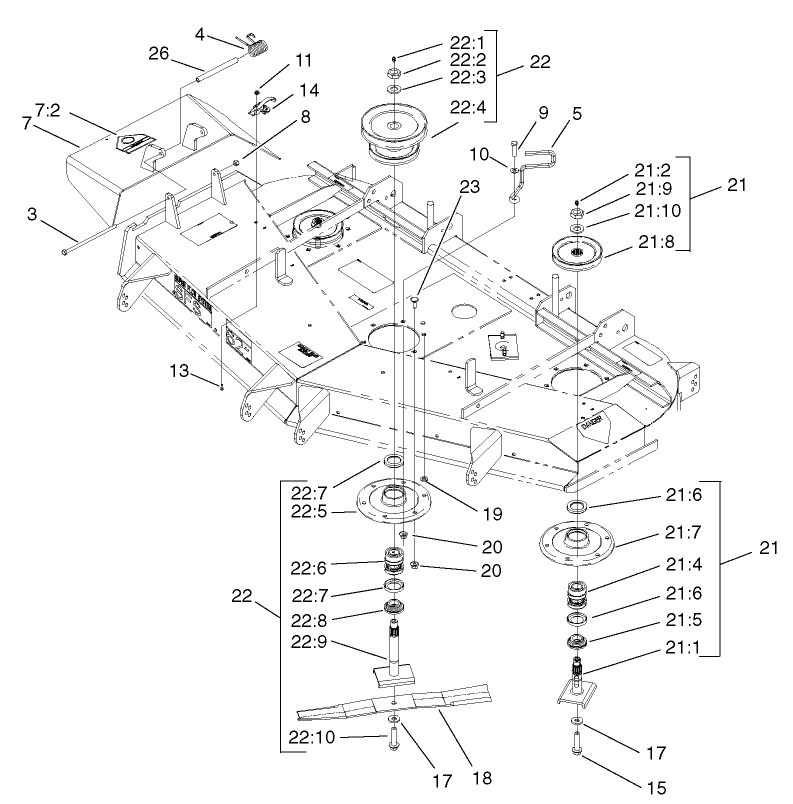
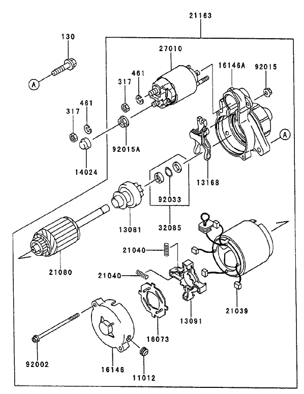
Assembly Drawings
Search for a part within assembly drawings:
-
Service Manual
-
Operator's Manual
-
Parts Catalog
62/72 inch Striping Kit (Part # 100-3252)
Genuine OEM Part
62 Inch Recycler Kit (Part # 100-9600)
Genuine OEM Part
21.5 Inch Atomic Blade (Part # 104-1303)
Toro OEM Atomic blade. The Toro Atomic blade is commonly referenced as a “Gator Style” or “Gator Blade”. Provides the best quality of cut while mulching. This Toro blade has multiple applications. Be sure to verify model and serial number to ensure the correct part.
Z Bagger Rops Assembly with Kit (Part # 106-5890)
Genuine OEM Part
Triple Bagger (60") (Part # 78456)
DFS Bagger, (200 Series) (Part # 78491)
Z200 Series 62" DFS Deck Kit (Part # 78495)
Z200 Series Triple Bagger Finishing Kit (Part # 78499)
Hitch Kit (Part # 99-8925)
Add versatility to your Toro Z-Master with this easy to install hitch kit . This genuine Toro part provides towing capability for spreaders, carts and other attachments.
-
Model #
74213 -
Serial #
220000001 - 220999999 -
Product Name
Z287L Z Master, With 62" SFS Side Discharge Mower -
Product Brand
Toro -
Product Type
Riding Products -
Product Series
Zero Radius Turn, 200 Series -
Swath
62 inch -
Discharge
Side -
Engine/Motor Manufacturer
Kawasaki -
Engine/Motor Size
27 hp -
Engine/Motor Type
4 Cycle CARB1, EPA1 -
Engine Starter
Electric -
Transmission Type
Hydrostatic
-
Engine: Engine Speed
3600±100 RPM -
Engine: Spark Plug Gap
.030"/ .76mm -
Drive System: Gearbox Lubricant
Mobil 1 15w-50 -
Drive System: Ground Speed
Infinite, 0 to 9.4 mph -
Engine: Battery
BCI Group U 1 -
Engine: Ignition Coil Air Gap
015-.020"/ .38-.5mm -
Engine: Spark Plug
NGK BPR2ES -
Chassis: Height of Cut Range
1.5" - 5" (38-127mm) -
Chassis: Tire Pressure
13 psi / 90 kPa






























