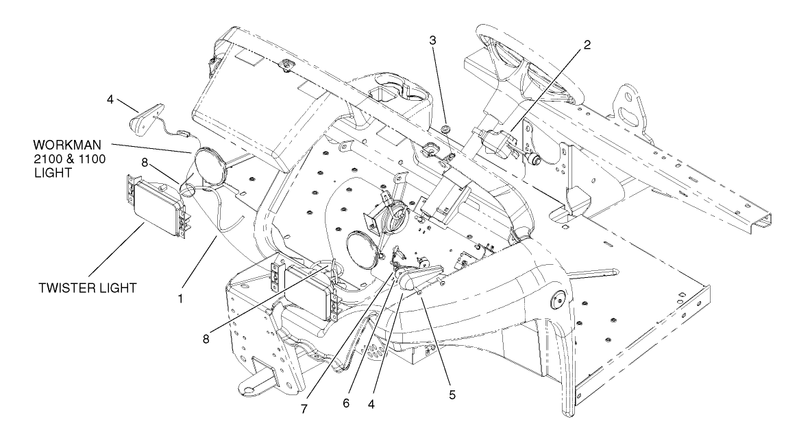
SIGNAL LIGHT KIT
Product Information
- Model #: 104-6953
- Serial #: None - None
- Product Type: Attachments
Loading...
Assembly Drawings
Search for a part within assembly drawings:
-
Parts Catalog
-
EU Declaration of Conformity
-
Installation Instructions
-
Service Bulletin
-
Model #
104-6953 -
Serial #
None - None -
Product Name
SIGNAL LIGHT KIT -
Product Brand
Toro -
Product Type
Attachments -
Product Series
Workman/Twister Accessories

