Image Not Found

Product Information

  • Model #: 31763
  • Serial #: 4000001 - 4999999
  • Product Type: Snowthrowers
  • Model #
    31763
  • Serial #
    4000001 - 4999999
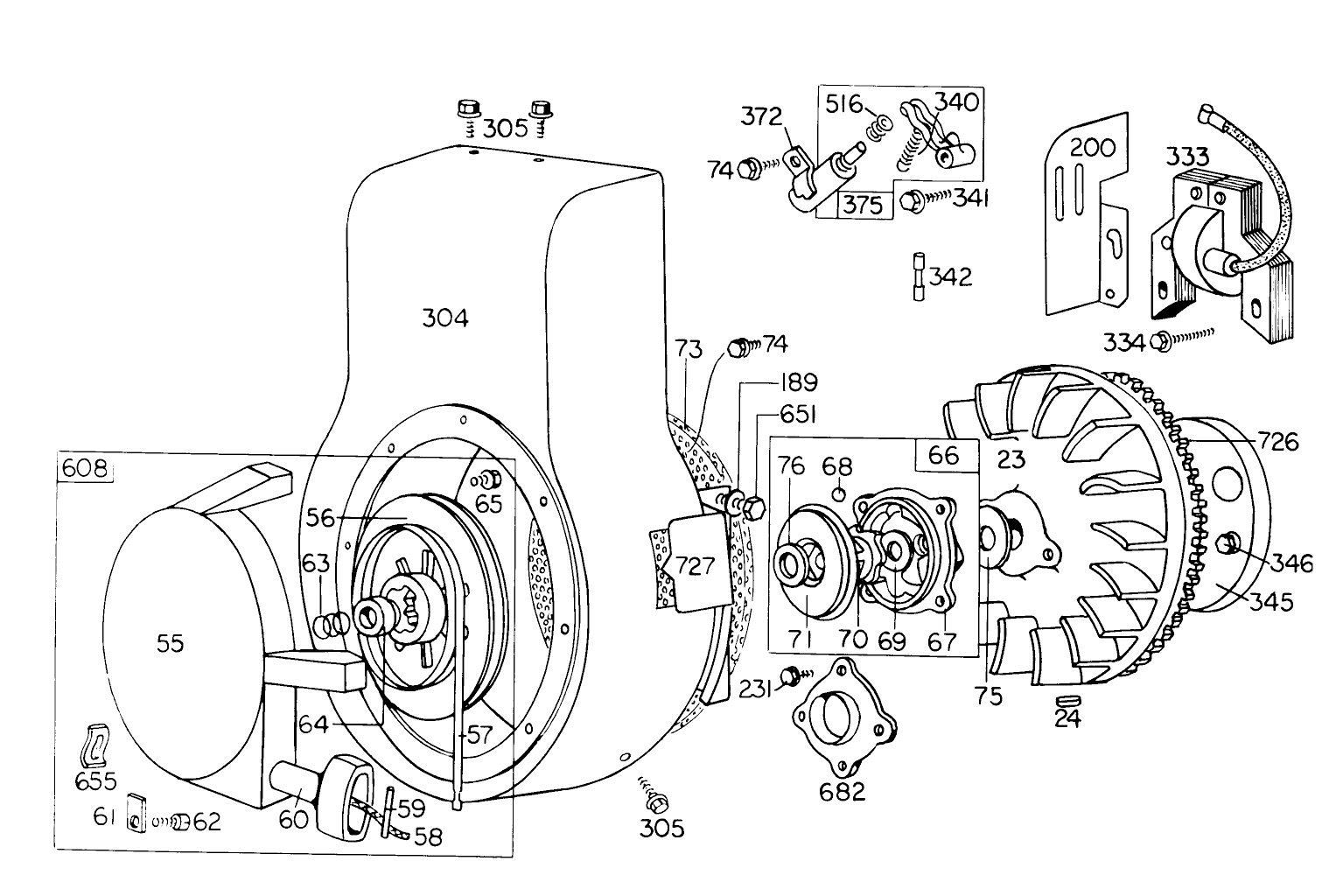
  • Product Name
    726 Snowthrower
  • Product Brand
    Toro
  • Product Type
    Snowthrowers
  • Product Series
    Snowthrower, Two Stage Large Frame
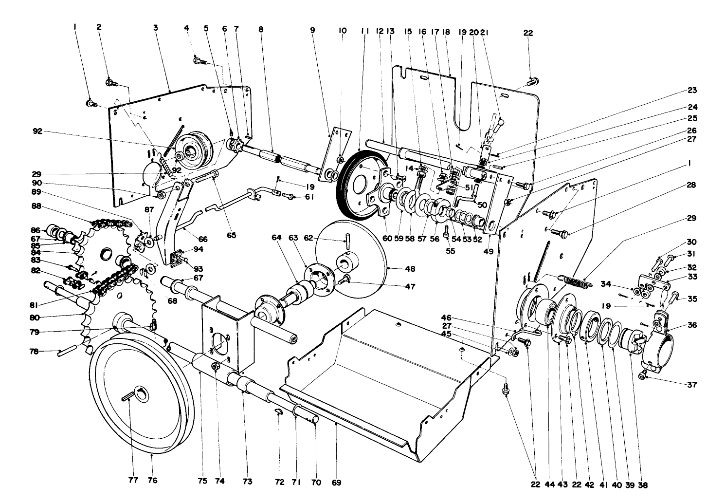
  • Swath
    26 inch
  • Discharge
    Two Stage
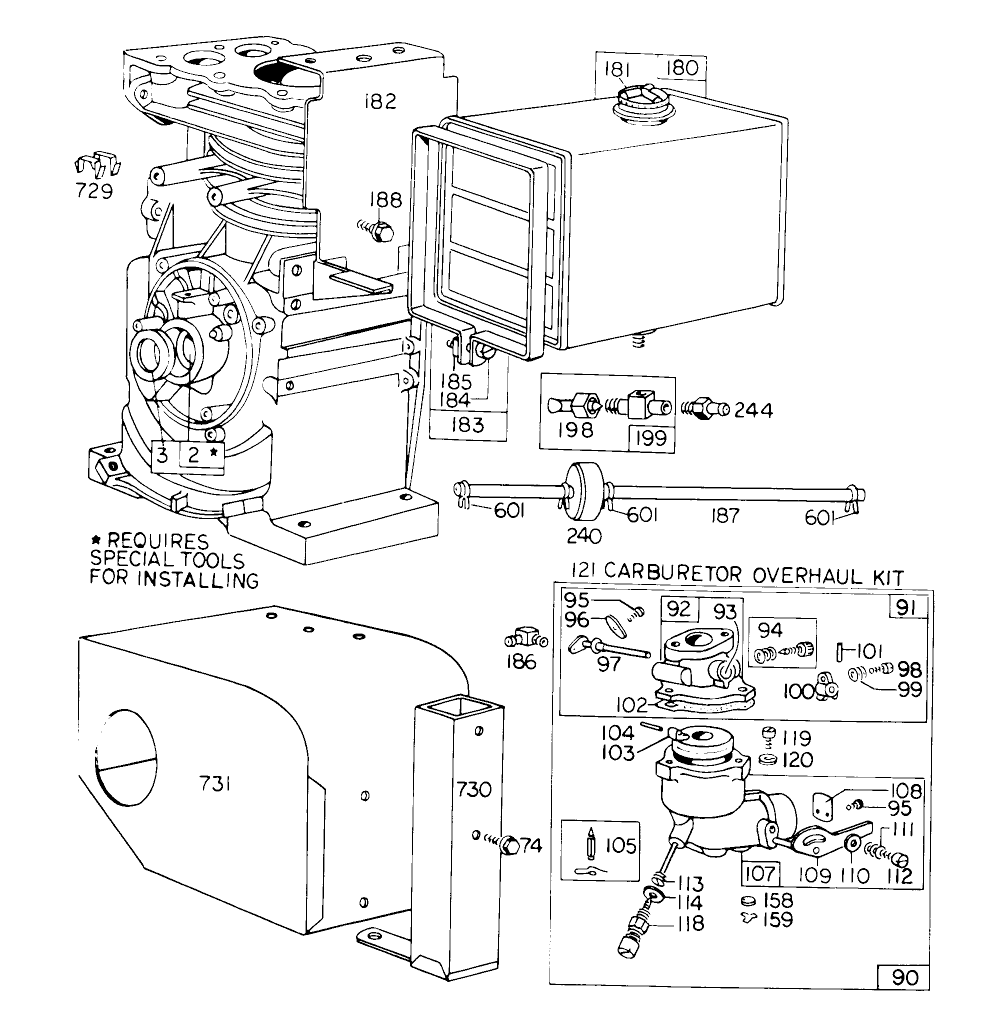
  • Engine/Motor Manufacturer
    Briggs & Stratton
  • Engine/Motor Size
    7 hp
  • Engine/Motor Type
    4 Cycle
  • Engine Starter
    Recoil
  • Transmission Type
    Friction Disc

Register your product

Registering your product will ensure notification of important updates and expedite warranty service should it be necessary.

Register Now