Dingo 322 Compact Utility Loader
Product Information
- Model #: 22305
- Serial #: 220000201 - 220999999
- Product Type: Compact Utility Loaders
Loading...
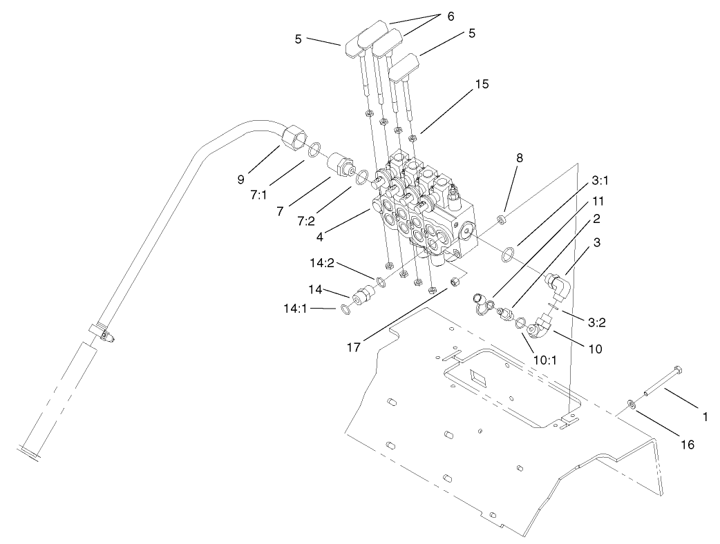
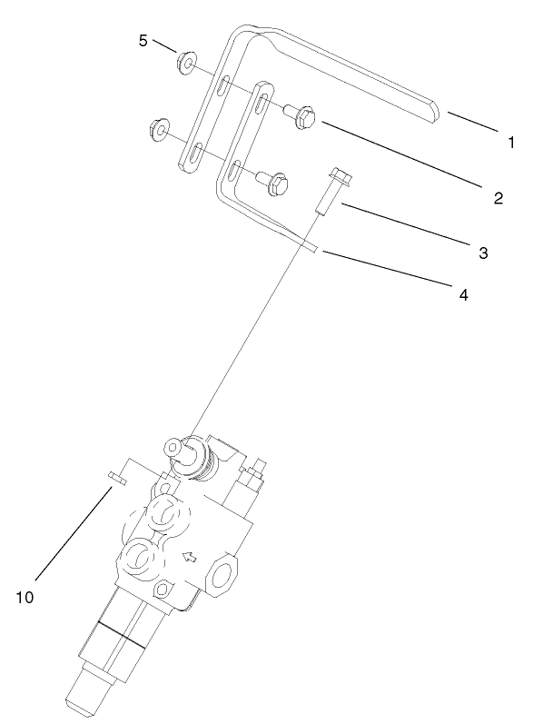
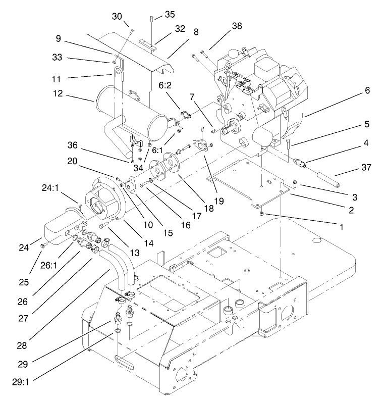
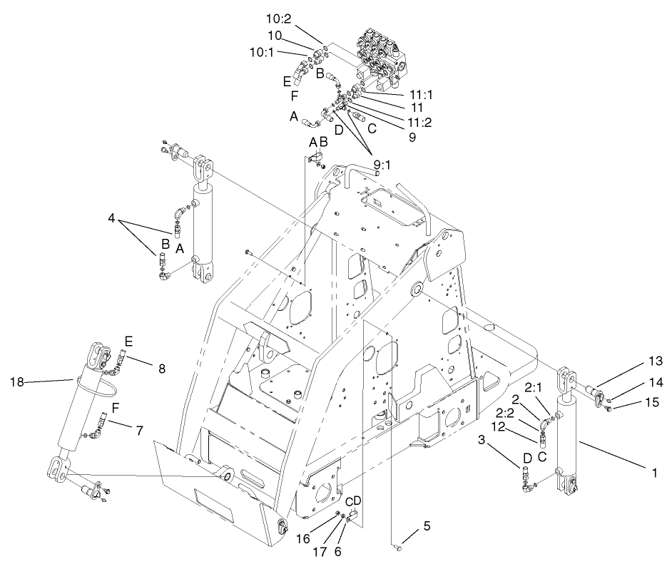
Assembly Drawings
Search for a part within assembly drawings:
-
Service Manual
-
Operator's Manual
-
Parts Catalog
Tire Chain Kit, Dingo (Part # 100-4140)
Hydraulic Cylinder Kit, Sitework Systems (Part # 100-4163)
Traction Unit Flush Face Adapter Kit, Dingo (Part # 100-4750)
Flush Face Converter Kit, Dingo (Part # 100-4789)
Light Kit for Dingo 323, TX 427, TX 525 (Part # 100-8840)
Light kit fits: Dingo 323, TX 427, TX 525 - LAMP 12V
Narrow Tire Assembly (Part # 104-0572)
Spool Carrier Kit, Dingo (Part # 104-2661)
Hydraulic Valve Kit, Dingo (Part # 104-4221)
KIT-VALVE, 4-SPOOL, HYD (Part # 104-7422)
Thigh Support Kit, Dingo Gas-Powered Wheel-Drive Traction Units (Part # 105-0330)
Inner Tube (Part # 105-4070)
Genuine OEM Part
Rubber Foot Mat (Part # 105-5805)
SEAL KIT (Part # 105-8396)
Snow Cab, Dingo (Part # 20035)
Auger Head, Dingo (Part # 22400)
6" Auger, Dingo (Part # 22402)
6" Auger 8-Pack, Dingo (Part # 22402B)
9" Auger, Dingo (Part # 22403)
9" Auger 5-Pack, Dingo (Part # 22403B)
12" Auger, Dingo (Part # 22404)
12" Auger 4-Pack, Dingo (Part # 22404B)
15" Auger, Dingo (Part # 22405)
18" Auger, Dingo (Part # 22406)
24" Auger, Dingo (Part # 22407)
30" Auger, Dingo (Part # 22408)
Loader Bucket Attachment (Part # 22409)
Use this standard bucket for moving rock, dirt, sand or other materials off and around the job site. The hardened steel cutting edge offers improved cutting and digging capability for better performance to handle tough digging conditions and affords superior wear. Capacity = 4 cubic feet (1 cu. m.).
Light Materials Loader Bucket Attachment (Part # 22410)
Designed for moving light materials like chip-bark, mulch, snow and loam. The larger capacity bucket, 6.4 cubic feet (.2 cu. m.), is great for handling larger loads of lighter materials. The hardened steel cutting edge allows for improved cutting and digging capability for better performance to handle tough digging conditions and affords superior wear.
Four In One Bucket, Dingo (Part # 22411)
Backhoe, Dingo (Part # 22412)
Rotary Broom, Dingo (Part # 22415)
Counterweight, Dingo (Part # 22417)
Adjustable Forks, Dingo (Part # 22418)
Leveler, Dingo (Part # 22419)
Bore Drive Head Attachment (Part # 22420)
The Toro® Dingo® boring unit allows you to dig under sidewalks and driveways to simplify irrigation and cable installations. Shorter rod lengths and the ability to lower the bore head below grade allow you to work in both confined and open areas, increasing your productivity.
Rod and Reamer Kit (Part # 22421)
Easily bore under driveways and sidewalks to simplify irrigation and cable installations. Use with Bore Drive Head attachment model 22420. Working depth: 19". Bits and reamers up to 3.5" in diameter.
Multi-Purpose Tool, Dingo (Part # 22423)
U-Blade, Dingo (Part # 22424)
Spare Wheel And Tire, Dingo (Part # 22428)
Stump Grinder Attachment (Part # 22429)
The Toro® Dingo® Stump Grinder easily attaches to either Dingo or Dingo TX compact utility loaders. Make grinding stumps quicker and more productive with the stump grinder attachment for your Toro Dingo.
Vibratory Plow, Dingo (Part # 22437)
Tree Fork Attachment (Part # 22438)
The Toro Dingo hydraulic tree forks can help you plant trees and large shrubs quickly and effortlessly, plus move all sorts of materials around your garden center or nursery. The Dingo Compact Utility Loader is especially easy to maneuver, helping you transport and position trees or shrubs exactly where you want them.
Two-Axle Trailer, Dingo (Part # 22439)
8" Auger, Dingo (Part # 22440)
Concrete Breaker, Dingo (Part # 22441)
Cement Mixer Attachment (Part # 22442)
This unique attachment will mix and pour up to 200 pounds (90.7 kg) of dry cement. The specially designed auger flighting inside the cement bowl keeps the cement in the bowl during mixing. This same auger design permits cement to be poured into fence post holes with the posts in place!
The Eliminator Scarifier/Groomer, Dingo (Part # 22443)
Tiller Attachment (Part # 22445)
The Toro Dingo tiller attachment greatly increases the productivity and performance of your Dingo system. Break through hard soil conditions up to 6" (15.2 cm) deep. Avoid clogging the tiller by using one easy hand control to reverse the direction of the tiller to clear jams from rocks and debris.
10" Auger, Dingo (Part # 22446)
Trencher Head, Dingo (Part # 22447)
12" Auger Extension, Dingo (Part # 22448)
24" Auger Extension, Dingo (Part # 22449)
Capstan Adaptor, Dingo (Part # 22450)
Screw Anchor Adaptor, Dingo (Part # 22451)
Rear Stablizer, Dingo (Part # 22452)
Rock Auger, Dingo (Part # 22454)
Snowthrower, Dingo and Dingo TX (Part # 22456)
Over-the-Tire-Tracks, Dingo (U.S.A. model) (Part # 22457)
Agricultural Tire, Left Hand, Dingo (Part # 22458)
Trencher Head, Dingo (Part # 22459)
Narrow Tire and Wheel, Dingo (Part # 22460)
Agricultural Tire, Right Hand, Dingo (Part # 22461)
4" x 3' Trencher Rock Chain, Dingo (Part # 22462)
6" x 3' Trencher Rock Chain, Dingo (Part # 22463)
Trencher Crumber (Part # 22464)
Spring design, trencher accessory to help clean out trenches
4" x 3' Trencher Chain, Dingo (Part # 22466)
6" x 3' Trencher Chain, Dingo (Part # 22467)
8" x 3' Trencher Chain, Dingo (Part # 22468)
12" x 3' Trencher Chain, Dingo (Part # 22469)
Narrow Loader Bucket Attachment (Part # 22520)
Handle compact construction and remodeling sites by moving through 36" (91.4 cm) gates without a problem. This 35" (88 cm) wide bucket allows you to get through narrow spaces, including gates and doorways. Move rock, dirt, sand or other materials off and around the job site. Great for use on any Dingo® model equipped with narrow wheels and tires.
Grapple Rake, Compact Utility Loaders (Part # 22521)
Over-Tire Rubber Tracks, Dingo (Part # 22662)
Steel Track Kit, Dingo (Part # 22665)
Universal Swivel Auger Head, Dingo and Dingo TX (Part # 22801)
Soil Cultivator, Dingo Compact Utility Loader (Part # 23101)
Soil Cultivator Attachment (Part # 23102)
The soil cultivator is the ultimate attachment for soil preparation! This incredibly versatile attachment can be used to cultivate and level soil as well as blend landscape materials, compost and fertilizer. This attachment will also bury debris such as stones, soil clods and grass. It transforms rough terrain into a perfect planting bed in one pass.
9" Backhoe Bucket, Dingo (Part # 23112)
12" Backhoe Bucket, Dingo (Part # 23113)
16" Backhoe Bucket, Dingo (Part # 23114)
Sunshade (Part # 30088)
Spark Arrestor (Part # 98-9099)
Toro OEM spark arrestor prevents carbon build ups from being ejected from the engine and igniting a fire.
Hydraulic Relief Valve Kit, Dingo (Part # 99-4360)
-
Model #
22305 -
Serial #
220000201 - 220999999 -
Product Name
Dingo 322 Compact Utility Loader -
Product Brand
Toro -
Product Type
Compact Utility Loaders -
Product Series
Compact Utility Loaders -
Chassis Type
CUL - Wheeled -
Engine/Motor Manufacturer
Kohler -
Engine/Motor Size
22 hp -
Engine/Motor Type
4 Cycle -
Engine Starter
Electric -
Transmission Type
Spool Valve -
Traction Type
4wd
-
Engine: Battery
12V 380CCA -
Engine: Spark Plug
Champion RC12YC -
Engine: Spark Plug Gap
.030"/ .76mm -
Chassis: Tire Pressure
15-20 PSI / 1-1.4kg sq. cm -
Drive System: Ground Speed
0-3 mph -
Engine: Engine Oil Type
2.1 qts. -
Engine: Engine Speed
3600±75 RPM -
Hydraulic: Hydraulic Pressure
3000 psi -
Hydraulic: Hydraulic Flow
3.7 gpm low flow circuit : 8.5 gpm high flow circuit -
Hydraulic: Hydraulic Reservoir
14.8 gallon -
Chassis: Wheels
Standard: 10x6.00, 5 bolt, drop center, heavy gauge steel -
Chassis: Tires
Std: 18x8.50-10_8-ply Skid Steer Trd. Opt: 18x9.50-8_8-ply Chevron Trd or 18x8.50-8_8-ply Turf Trd.






























