Image Not Found

Product Information

  • Model #: 20018
  • Serial #: 230000001 - 230999999
  • Product Type: Walk Behind Mowers
Empty Image Container
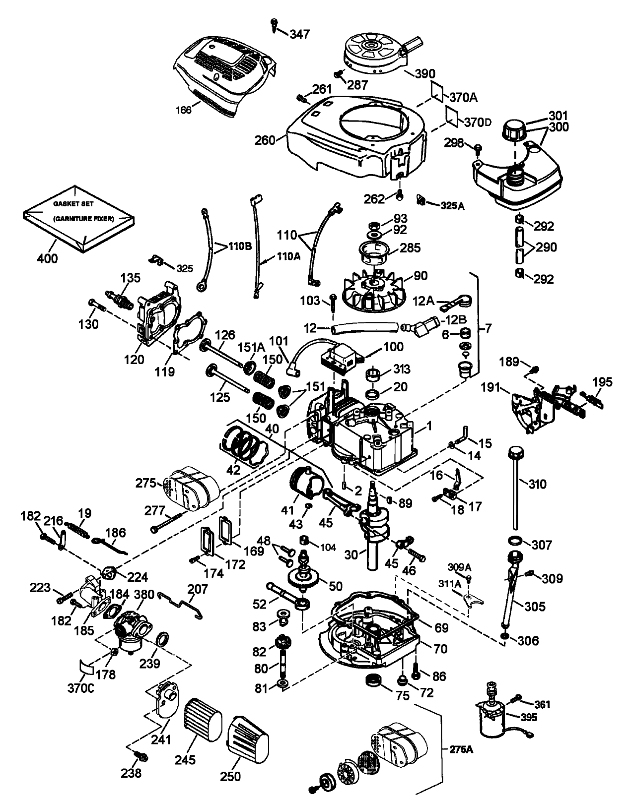
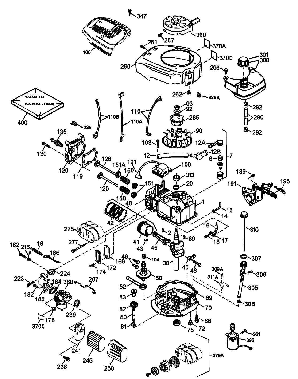
Cover for 20 to 22 Inch Walk-Behind Mowers
Cover for 20 to 22 Inch Walk-Behind Mowers (Part # 490-7462)
Empty Image Container
Empty Image Container
Please contact your local dealer
  • Model #
    20018
  • Serial #
    230000001 - 230999999
  • Product Name
    22" Recycler Lawnmower
  • Product Brand
    Toro
  • Product Type
    Walk Behind Mowers
  • Product Series
    22" Steel Deck
  • Chassis Type
    Steel Deck WPM
  • Swath
    22 inch
  • Discharge
    Recycler & Rear Bagger
  • Engine/Motor Manufacturer
    Tecumseh
  • Engine/Motor Size
    6.5 hp
  • Engine/Motor Type
    4 Cycle CARB2, EPA2
  • Engine Starter
    Electric
  • Transmission Type
    Gear
  • Engine: Engine Speed
    2900±150 RPM
  • Engine: Ignition Coil Air Gap
    .012" / .3mm
  • Engine: Spark Plug
    Champion RJ19LM
  • Engine: Spark Plug Gap
    .030"/ .76mm
  • Chassis: Height of Cut Range
    1.25-4.25", 3/8" increments
  • Drive System: Gearbox Lubricant
    1.5 oz. (43gm) #2 Lithium grease
  • Drive System: Ground Speed
    0-4.8 mph
  • Engine: Engine Oil Type
    20 oz. (.6l) 30w / API SH or higher

Register your product

Registering your product will ensure notification of important updates and expedite warranty service should it be necessary.

Register Now