1200 Power Curve Snowthrower
Product Information
- Model #: 38005
- Serial #: 0000001 - 0999999
- Product Type: Snowthrowers
Loading...
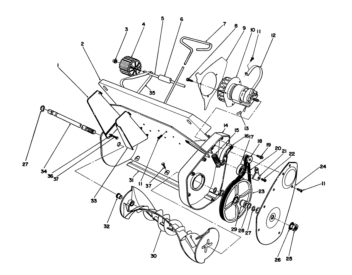
Assembly Drawings
Search for a part within assembly drawings:
-
Operator's Manual
-
Parts Catalog
-
Model #
38005 -
Serial #
0000001 - 0999999 -
Product Name
1200 Power Curve Snowthrower -
Product Brand
Toro -
Product Type
Snowthrowers -
Product Series
Snowthrower, Electric -
Chassis Type
Single Stage -
Swath
12 inch -
Discharge
Single Stage -
Engine/Motor Size
9.5 amp -
Engine/Motor Type
120 VAC -
Engine Starter
NA -
Transmission Type
NA

