Snow Master 20
Product Information
- Model #: 38020
- Serial #: 8000001 - 8999999
- Product Type: Snowthrowers
Loading...
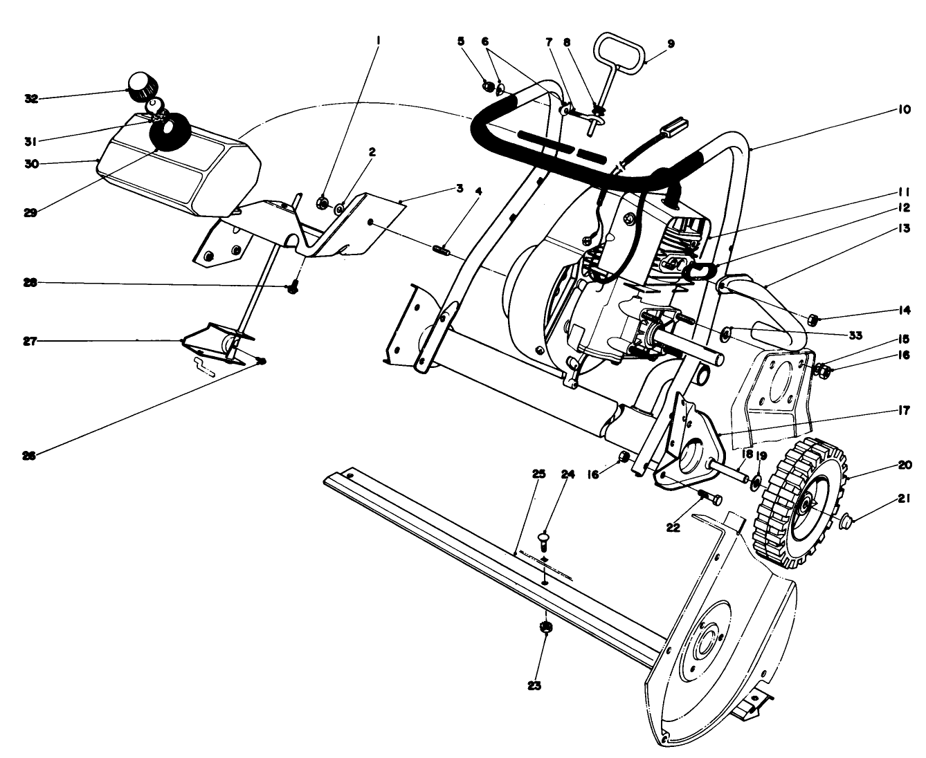
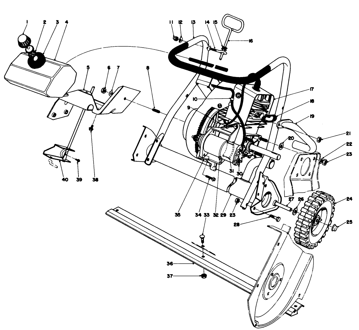
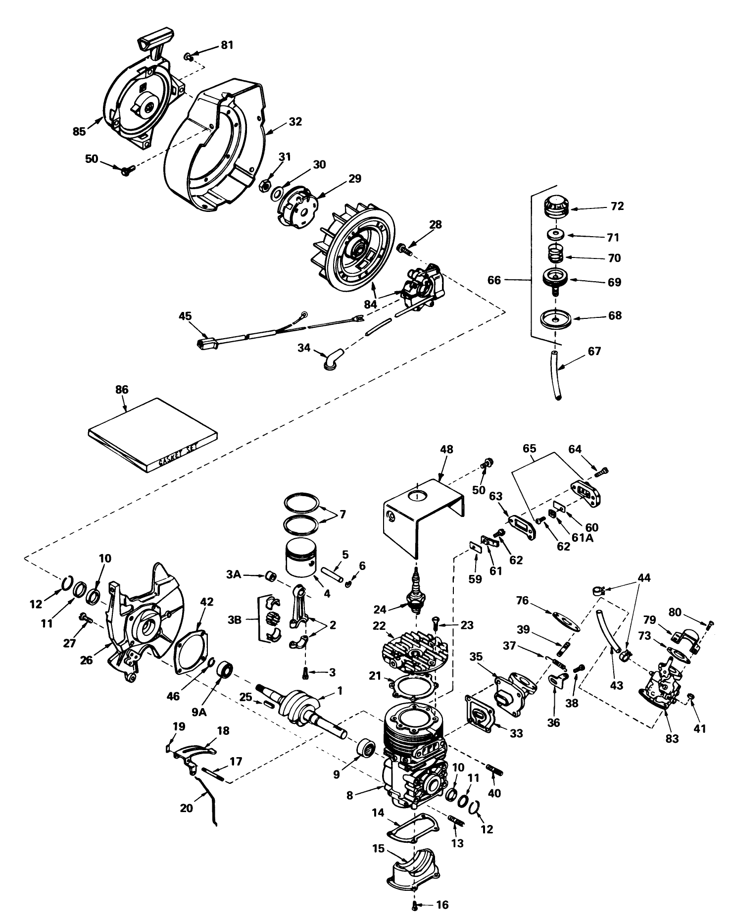
Assembly Drawings
Search for a part within assembly drawings:
-
Service Manual
-
Operator's Manual
-
Parts Catalog
-
Model #
38020 -
Serial #
8000001 - 8999999 -
Product Name
Snow Master 20 -
Product Brand
Toro -
Product Type
Snowthrowers -
Product Series
Snowthrower, Single Stage, CR/S140/S200/S620 -
Swath
20 inch -
Discharge
Single Stage -
Engine/Motor Manufacturer
Tecumseh -
Engine/Motor Size
2.5 hp -
Engine/Motor Type
2 Cycle -
Engine Starter
Recoil -
Transmission Type
NA










