Sand Pro 5020
Product Information
- Model #: 08886
- Serial #: 240000001 - 240999999
- Product Type: Riding Products
Loading...
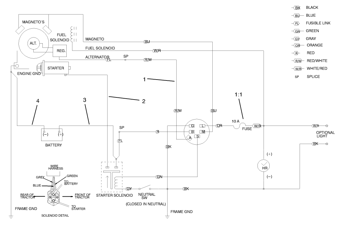
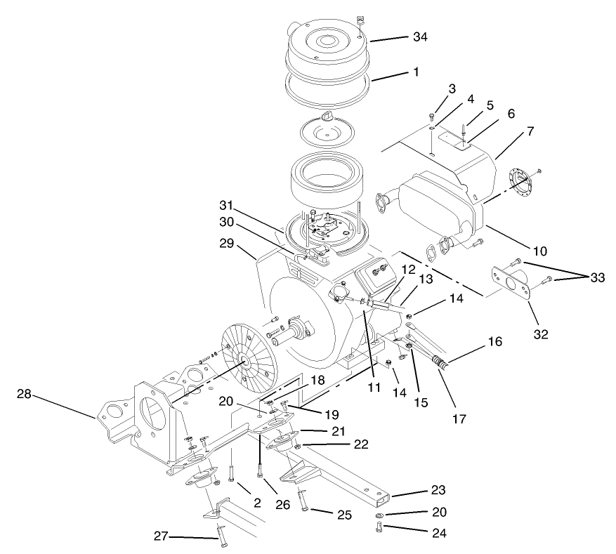
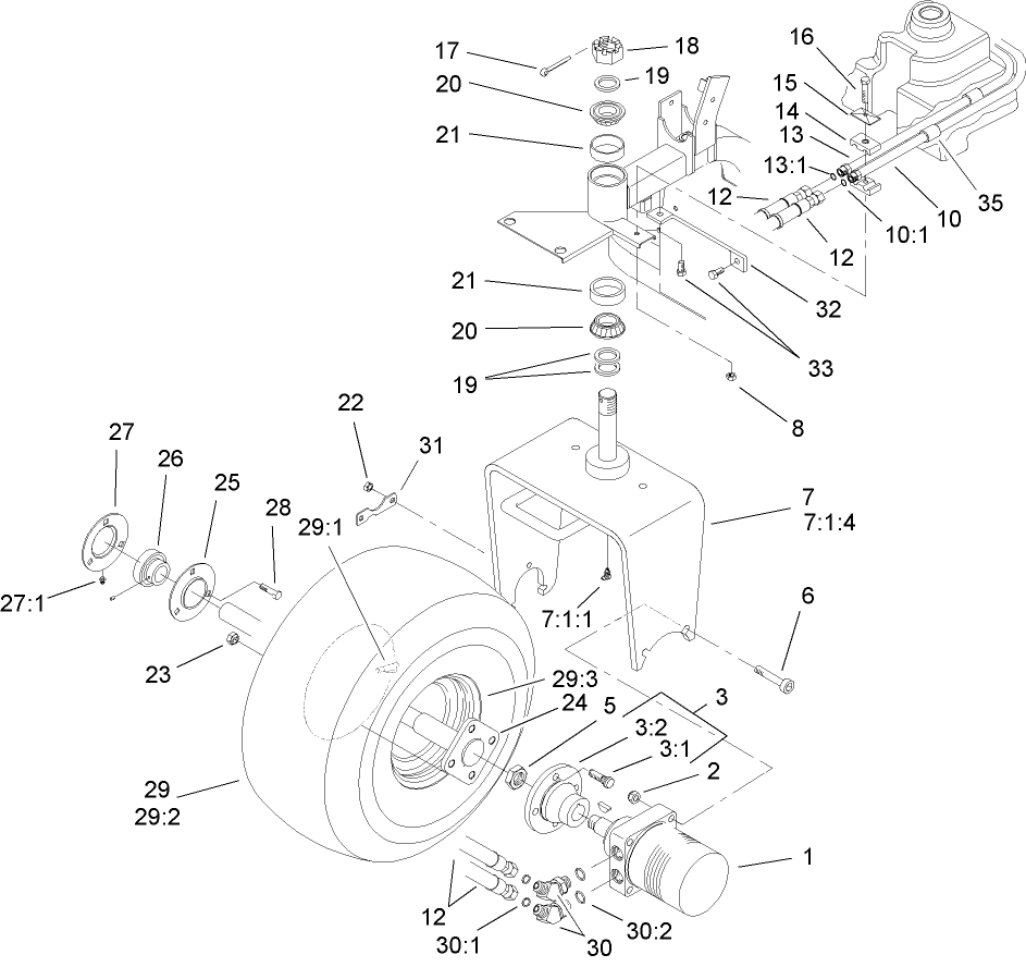
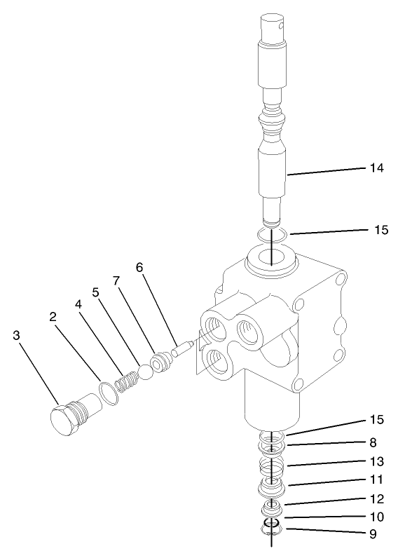
Assembly Drawings
Search for a part within assembly drawings:
-
Service Manual
-
Operator's Manual
-
Parts Catalog
-
EU Declaration of Conformity
-
Service Bulletin
Tooth Rake, Sand Pro (Part # 08812)
Spring Rake, Sand Pro (Part # 08813)
Mounting Kit, Sand Pro Rake (Part # 08814)
Weeder/Cultivator, Sand Pro (Part # 08815)
Brush Kit for Tooth Rake, Sand Pro (Part # 08816)
Front Blade Kit, Sand Pro Bunker Rakes (Part # 08821)
Drag Mat Kit, Sand Pro (Part # 08850)
Spiker, Sand Pro (Part # 08856)
Cyclone 1000 Debris Blower, Sand Pro (Part # 08857)
Debris Blower Installation Kit, Sand Pro 2020 and 3020 (Part # 08858)
Debris Blower Installation Kit, Sand Pro 500 and 5020 (Part # 08859)
Discharge Chute, Commercial Debris Blowers (Part # 08860)
Finish Grader, Sand Pro (Part # 08867)
Drag Weight (Part # 18-7570)
Scarifier Bar (Part # 23-2750)
Sand Blade 240, Sand Pro (Part # 44900)
240 Sand Blade Mounting Kit, Sand Pro 5000 Series (Part # 44901)
Bar-Draw (Part # 92-2330)
Scarifier Bar for Weeder/Cult. (Part # 92-7162-03)
PLATE - SEAT ADAPTER *B (Part # 92-7171)
*OBS* ASSEMBLY - WHEEL/TIRE (Part # 94-6126)
SCREEN - SPARK ARRESTOR (Part # 95-5819)
2 Speed Valve Kit, Sand Pro 3020 (Part # 95-5834)
Decal Kit (Part # 95-7861)
-
Model #
08886 -
Serial #
240000001 - 240999999 -
Product Name
Sand Pro 5020 -
Product Brand
Toro -
Product Type
Riding Products -
Product Series
Sand Pro 5000 Series

































