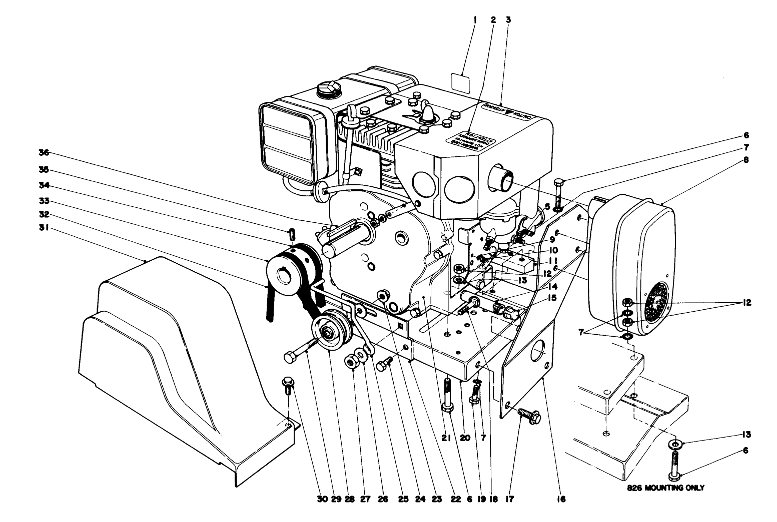
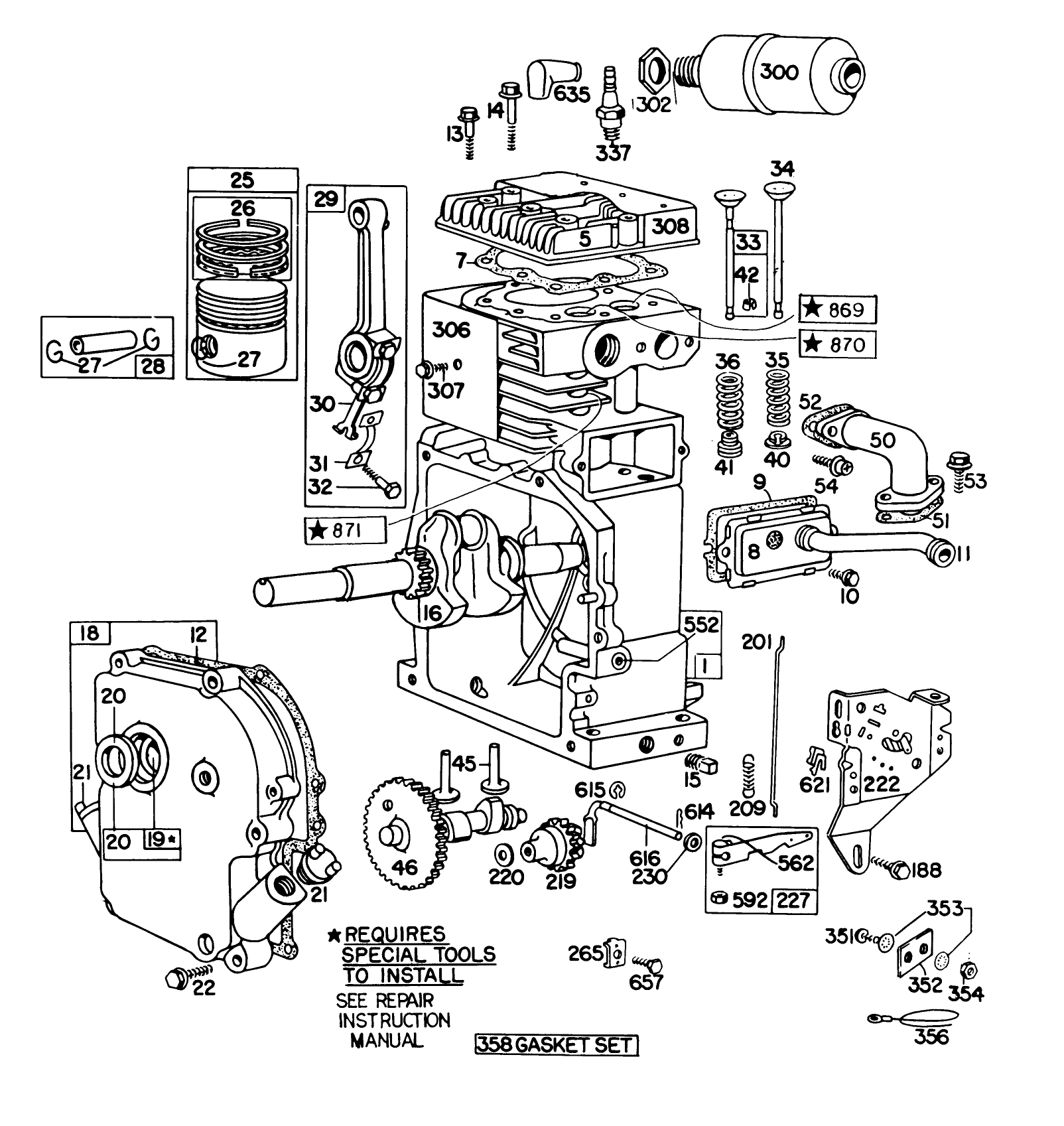
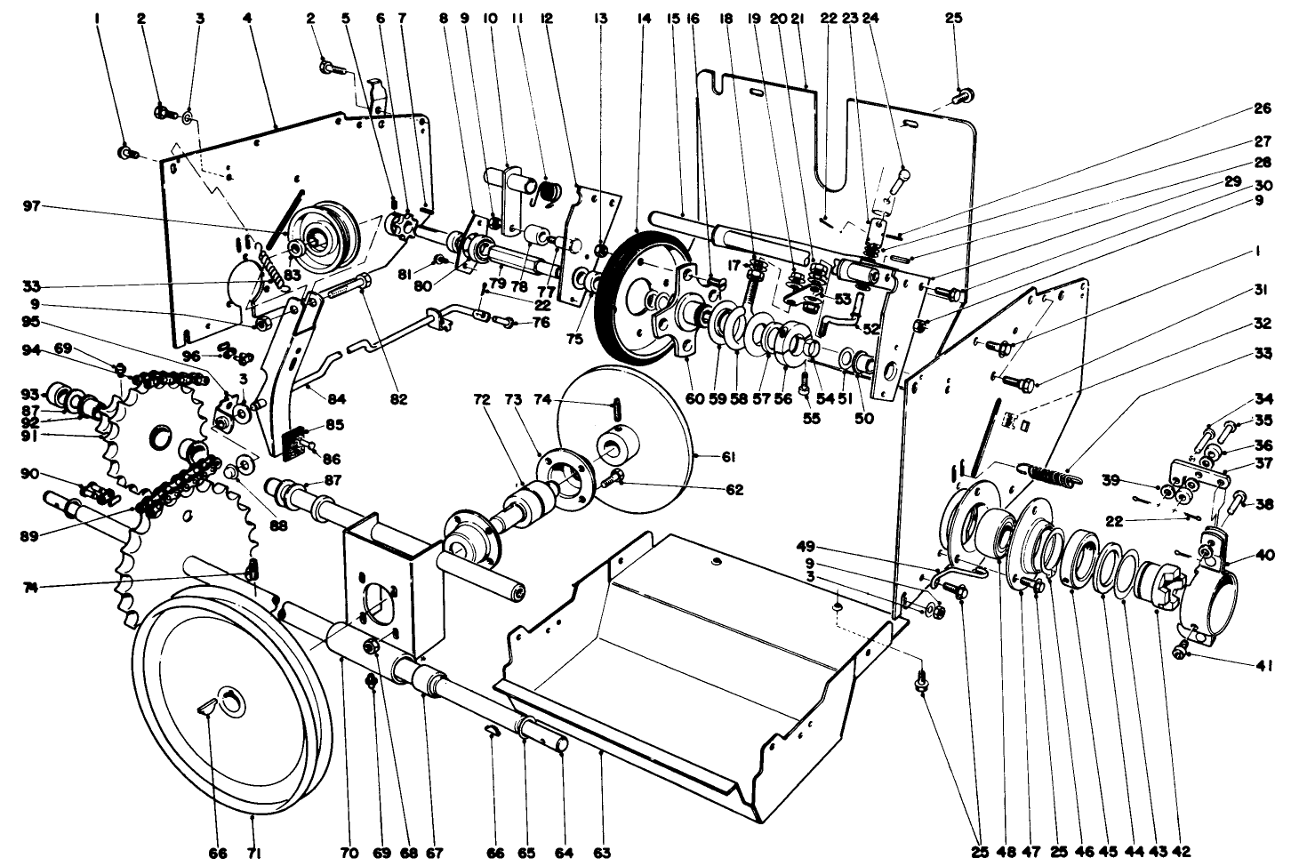
826 Snowthrower
Product Information
- Model #: 38150
- Serial #: 9000001 - 9999999
- Product Type: Snowthrowers
Loading...
Assembly Drawings
Search for a part within assembly drawings:
-
Operator's Manual
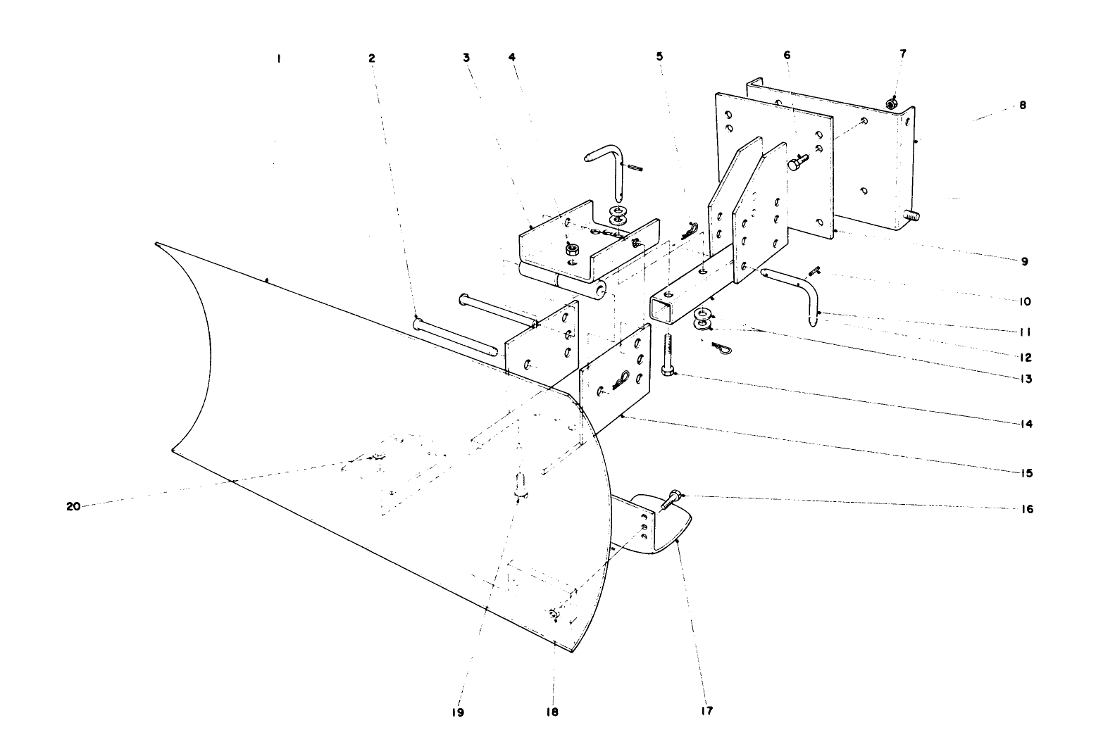
30" Grader Blade (Part # 39-8100)
Please contact your local dealer
-
Model #
38150 -
Serial #
9000001 - 9999999 -
Product Name
826 Snowthrower -
Product Brand
Toro -
Product Type
Snowthrowers -
Product Series
Snowthrower, Two Stage Large Frame -
Swath
26 inch -
Discharge
Two Stage -
Engine/Motor Manufacturer
Briggs & Stratton -
Engine/Motor Size
8 hp -
Engine/Motor Type
4 Cycle -
Engine Starter
Recoil -
Transmission Type
Friction Disc
















