TX 413 Compact Utility Loader
Product Information
- Model #: 22330
- Serial #: 250000001 - 250999999
- Product Type: Compact Utility Loaders
Loading...
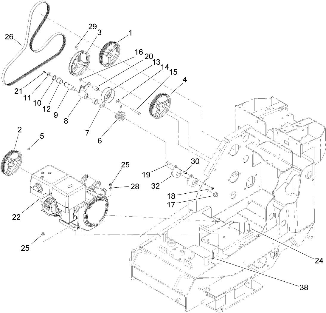
Assembly Drawings
Search for a part within assembly drawings:
-
Service Manual
-
Operator's Manual
-
Parts Catalog
Track Kit, Dingo TX 413 and 420 Compact Utility Loader (Part # 104-6106)
TX Road wheel kit (Part # 106-7620)
Road Wheel Kit for TX 427 and 525 models.
KIT-ROAD WHEEL, 5-PACK (Part # 106-7627)
TRACK-AGGRESSIVE TREAD, NARROW (Part # 108-5640)
ALIGNMENT TOOL F/A (Part # 110-0069)
-
Model #
22330 -
Serial #
250000001 - 250999999 -
Product Name
TX 413 Compact Utility Loader -
Product Brand
Toro -
Product Type
Compact Utility Loaders -
Product Series
Compact Utility Loaders -
Chassis Type
CUL - Tracked -
Engine/Motor Manufacturer
Honda -
Engine/Motor Size
13 hp -
Engine/Motor Type
4 Cycle CARB2, EPA2 -
Engine Starter
Electric -
Transmission Type
Hydrostatic






























