S-620 Snowthrower
Product Information
- Model #: 38165
- Serial #: 8000001 - 8999999
- Product Type: Snowthrowers
Loading...
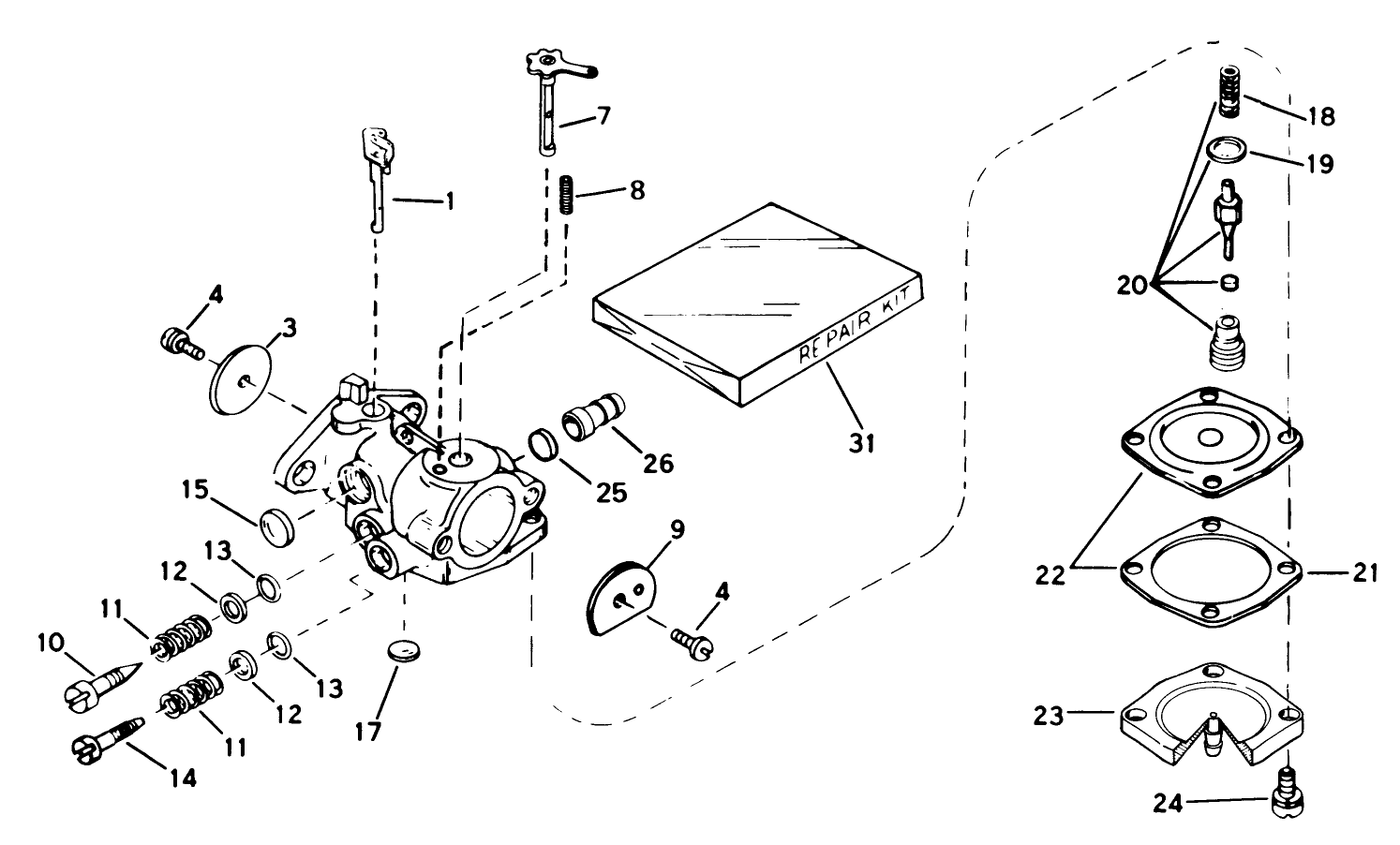
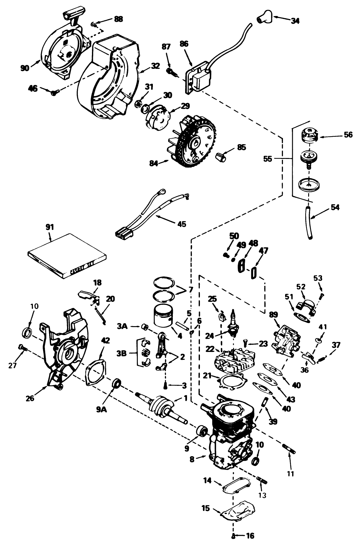
Assembly Drawings
Search for a part within assembly drawings:
-
Service Manual
-
Operator's Manual
-
Parts Catalog
-
Model #
38165 -
Serial #
8000001 - 8999999 -
Product Name
S-620 Snowthrower -
Product Brand
Toro -
Product Type
Snowthrowers -
Product Series
Snowthrower, Single Stage, CR/S140/S200/S620 -
Chassis Type
Single Stage -
Swath
20 inch -
Discharge
Single Stage -
Engine/Motor Manufacturer
Tecumseh -
Engine/Motor Size
3 hp -
Engine/Motor Type
2 Cycle -
Engine Starter
Recoil -
Transmission Type
NA
-
Engine: Engine Oil Type
Toro 2 cycle / NMMA-TCW3 -
Engine: Engine Speed
4500±200 RPM -
Engine: Ignition Coil Air Gap
.013" / .33mm -
Engine: Mix Ratio
50:1 (2.6 oz./gal.) Orig. 32:1 -
Engine: Spark Plug
Champion RCJ8Y -
Engine: Spark Plug Gap
.030"/ .76mm





