Power Max 6000 Snowthrower
Product Information
- Model #: 38610
- Serial #: 270000001 - 270999999
- Product Type: Snowthrowers
Loading...
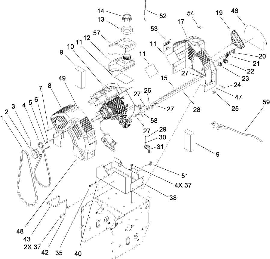
Assembly Drawings
Search for a part within assembly drawings:
-
Service Manual
-
Operator's Manual
-
Parts Catalog
Tire Chain Kit (Part # 107-3813)
Genuine OEM Part
Snow Blower Weight Kit (Part # 107-3815)
Toro genuine snow blower front weight kit equalizes weight distribution and holds the scraper blade closer to the ground. This kit is designed to enhance operator comfort, and adds extra weight to your snow blower allowing for a better balanced machine. recommended when used with Toro Snow Cab to keep machine balanced.
26 inch Drift Breaker Kit (Part # 107-3816)
Genuine OEM Part
Two Stage Snow Blower Cover (Part # 490-7466)
Toro genuine snow blower cover. Specifically designed for Toro 2-Stage Power Max and Power Max HD models
Water resistant backing for extra weather protection
Heavy-duty abrasion resistant 600 Denier polyester fabric
Maintains flexibility, even on the coldest days
-
Model #
38610 -
Serial #
270000001 - 270999999 -
Product Name
Power Max 6000 Snowthrower -
Product Brand
Toro -
Product Type
Snowthrowers -
Product Series
Snowthrower, Two Stage Power Max -
Chassis Type
Two Stage -
Swath
26 inch -
Discharge
Two Stage -
Engine/Motor Manufacturer
Briggs & Stratton -
Engine/Motor Size
141cc -
Engine/Motor Type
2 Cycle EPA2 -
Engine Starter
Electric/Recoil -
Transmission Type
Friction Disc
-
Drive System: Gearbox Lubricant
4.5 oz. (133ml) SAE 90 GL5 or higher -
Engine: Engine Oil Type
Toro 2 cycle / NMMA-TCW3 -
Engine: Engine Speed
4000±250 RPM -
Engine: Ignition Coil Air Gap
.010" / .25mm -
Engine: Mix Ratio
50:1 (2.6 oz./gal.) -
Engine: Spark Plug
NGK BPMR4A -
Engine: Spark Plug Gap
.030"/ .76mm -
Chassis: Tire Pressure
17-20 PSI / 116-137 kPa -
Drive System: Ground Speed
Fwd. .7 / 1.1 / 1.5 / 1.9 / 2.3 / 2.7 Rev. 1.0 / 1.6 mph












