724 Power Shift Snowthrower
Product Information
- Model #: 38520
- Serial #: 8000001 - 8999999
- Product Type: Snowthrowers
Loading...
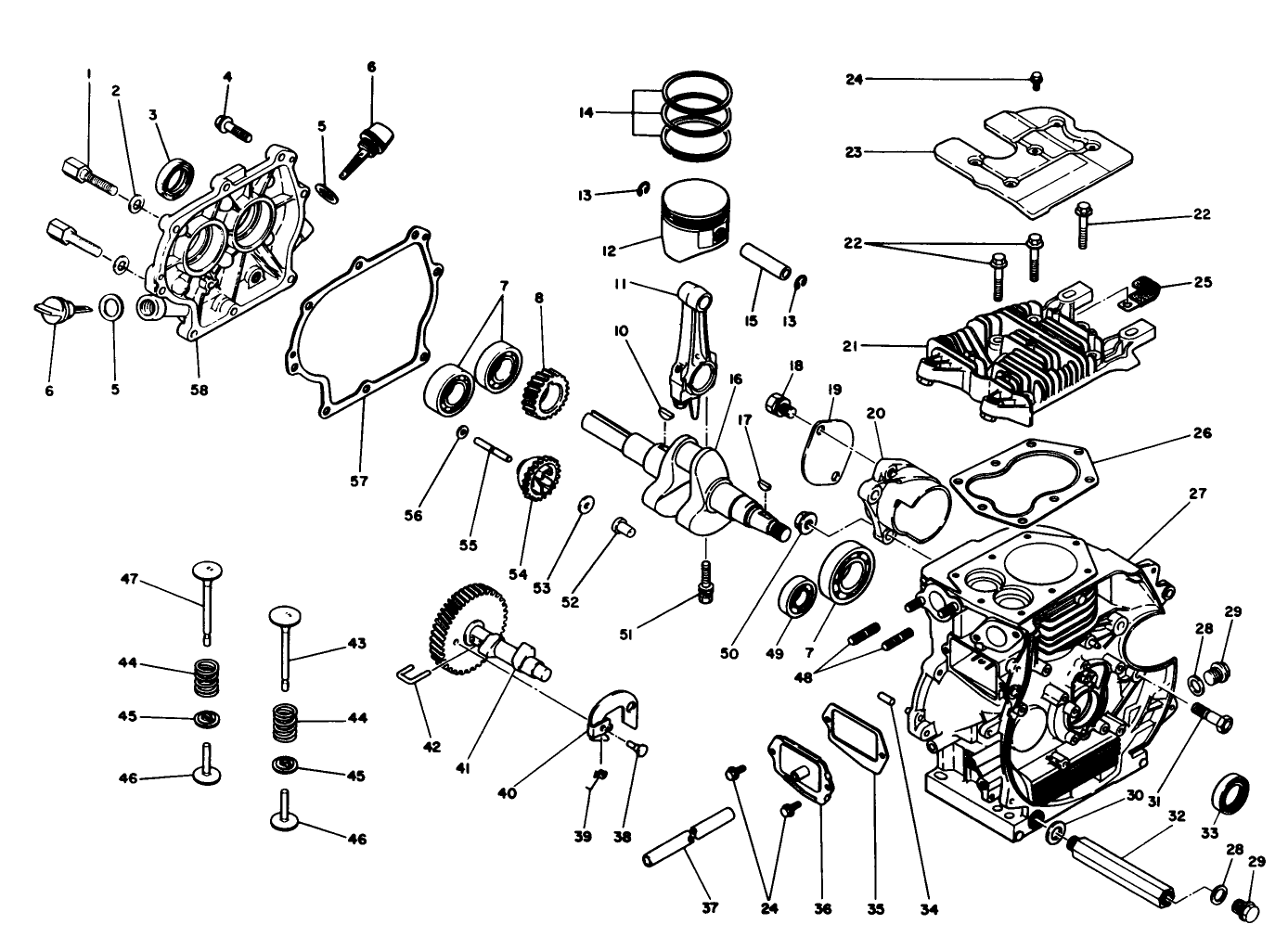
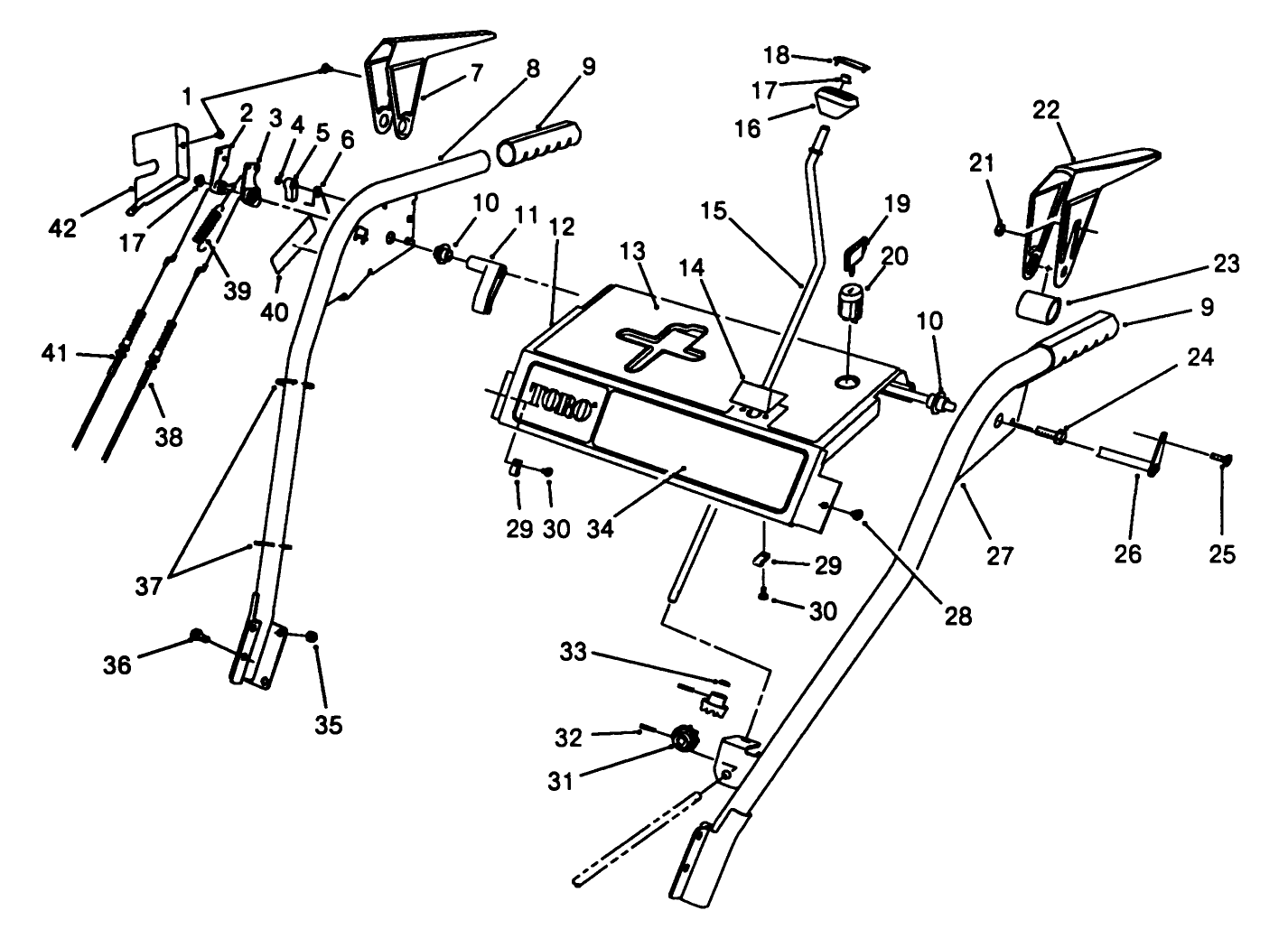
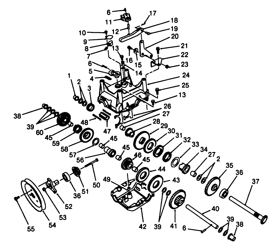
Assembly Drawings
Search for a part within assembly drawings:
-
Service Manual
-
Parts Catalog
Snowthrower Tire Chains (Part # 56-2700)
Genuine OEM Part
24 inch Drift Breaker (Part # 66-7960)
Genuine OEM Part
110 VAC Electric Starter Kit (Part # 66-7990)
-
Model #
38520 -
Serial #
8000001 - 8999999 -
Product Name
724 Power Shift Snowthrower -
Product Brand
Toro -
Product Type
Snowthrowers -
Product Series
Snowthrower, Two Stage Power Shift -
Chassis Type
Two Stage -
Swath
24 inch -
Discharge
Two Stage -
Engine/Motor Manufacturer
Mitsubishi -
Engine/Motor Size
7 hp -
Engine/Motor Type
4 Cycle -
Engine Starter
Recoil -
Transmission Type
Gear
-
Engine: Engine Oil Type
19 oz. (.55l) 5w-20 or 10w / API SE or higher -
Chassis: Tire Pressure
7-15 PSI / .5-1kg sq. cm -
Drive System: Gearbox Lubricant
4.5 oz. (133ml) SAE 90 GL5 or higher -
Engine: Engine Speed
High 4000, Low 1750±150 RPM -
Engine: Ignition Coil Air Gap
Not Adjustable -
Engine: Spark Plug
NGK BP4HS -
Engine: Spark Plug Gap
.030"/ .76mm -
Drive System: Ground Speed
Fwd. .55 / 1.3 / 2.0 / 2.9 Rev. 1.3 / 2.0 mph -
Drive System: Gearbox Lubricant
Auger 4.5 oz. (133ml) SAE 90 Gl-5 or 6 / Trans. 14.5 oz. (411.8 gm) Lubriplate Mag 1










