22in Recycler Lawn Mower
Product Information
- Model #: 20067
- Serial #: 270000001 - 270999999
- Product Type: Walk Behind Mowers
Loading...
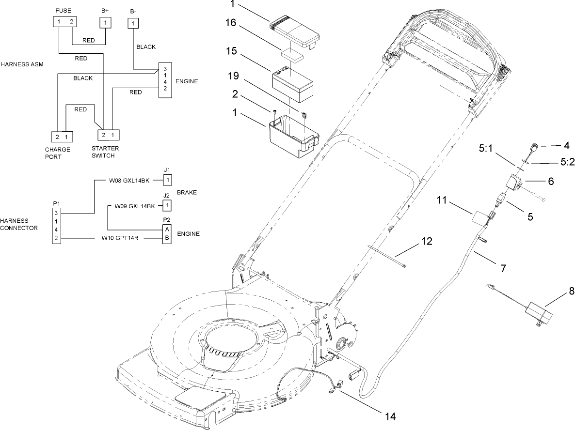
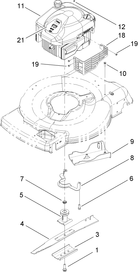
Assembly Drawings
Search for a part within assembly drawings:
-
Service Manual
-
Operator's Manual
-
Parts Catalog
Cover for 20 to 22 Inch Walk-Behind Mowers (Part # 490-7462)
The Toro Walk Power Mower Cover for 20 in. to 22 in. Walk-Behind Mowers offers all-season protection. This cover is constructed from tough, waterproof, tear and abrasion resistant 600-denier polyester.
Please contact your local dealer
22 Inch Atomic Blade (Part # 59534)
Genuine OEM Part
Please contact your local dealer
-
Model #
20067 -
Serial #
270000001 - 270999999 -
Product Name
22in Recycler Lawn Mower -
Product Brand
Toro -
Product Type
Walk Behind Mowers -
Product Series
22" Steel Deck -
Chassis Type
Steel Deck WPM -
Swath
22 inch -
Discharge
Recycler & Rear Bagger -
Engine/Motor Manufacturer
Briggs & Stratton -
Engine/Motor Size
GrossTorque 6.75f/lb -
Engine/Motor Type
4 Cycle EPA2 -
Engine Starter
Electric/Recoil -
Transmission Type
Gear -
Traction Type
Rear WD
-
Engine: Engine Oil Type
20 oz. (.6l) 30w or 10w-30 / API SH or higher -
Engine: Engine Speed
2900±100 RPM -
Engine: Ignition Coil Air Gap
.010" / .25mm -
Engine: Spark Plug
Champion RJ19LM -
Engine: Spark Plug Gap
.030"/ .76mm -
Chassis: Height of Cut Range
1.25-4.25", 3/8" increments -
Drive System: Gearbox Lubricant
1.5 oz. (43gm) #2 Lithium grease -
Drive System: Ground Speed
0-4.8 mph




















