CE Kit, Grass Collection System for Groundsmaster 7200 Series (60in)
Product Information
- Model #: 117-9249
- Serial #: None - None
- Product Type: Riding Products
Loading...
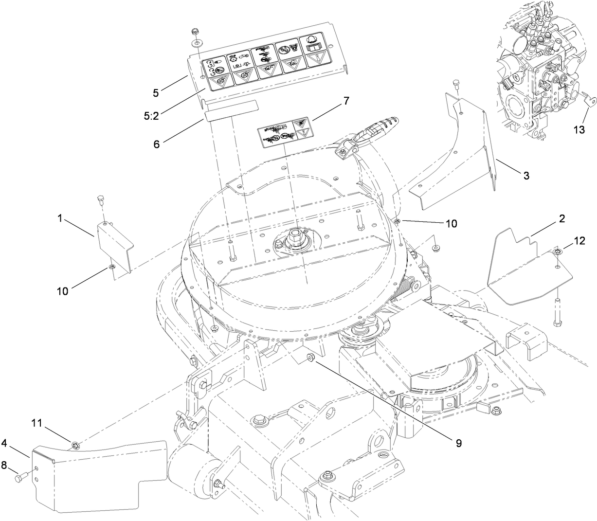
Assembly Drawings
Search for a part within assembly drawings:
-
Operator's Manual
-
Parts Catalog
-
Service Bulletin
-
Model #
117-9249 -
Serial #
None - None -
Product Name
CE Kit, Grass Collection System for Groundsmaster 7200 Series (60in) -
Product Brand
Toro -
Product Type
Riding Products -
Product Series
Attachments & Kits, Groundsmaster
