Power Clear 180 Snowthrower
Product Information
- Model #: 38272
- Serial #: 311003001 - 311999999
- Product Type: Snowthrowers
Loading...
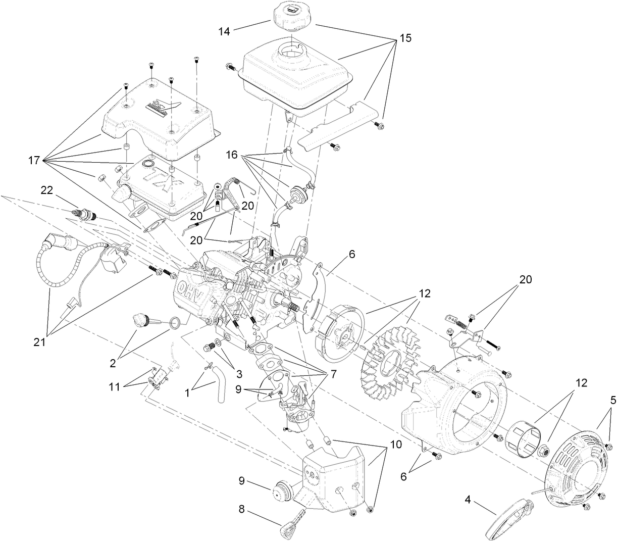
Assembly Drawings
Search for a part within assembly drawings:
-
Service Manual
-
Operator's Manual
-
Parts Catalog
Snow Blower 4 Cycle Engine Oil (Part # 38907)
Toro snow blower 4-Cycle engine oil 5W-30 motor oil designed specifically for cold weather applications. Keeps engine cool and lubricated for optimal performance.
-
Model #
38272 -
Serial #
311003001 - 311999999 -
Product Name
Power Clear 180 Snowthrower -
Product Brand
Toro -
Product Type
Snowthrowers -
Product Series
Snowthrower, Single Stage Power Clear 100 -
Chassis Type
Single Stage -
Swath
18 inch -
Discharge
Single Stage -
Engine/Motor Manufacturer
Toro -
Engine/Motor Size
87cc -
Engine/Motor Type
4 Cycle EPA3 -
Engine Starter
Recoil
-
Engine: Spark Plug Gap
.030"/ .76mm -
Engine: Engine Speed
4500±150 RPM -
Engine: Spark Plug
Champion RL87YC / NGK BPR6HS or 7HS / NHPS E7RTC (OEM China) -
Engine: Engine Oil Type
12 oz. (.35 L) 5w-30 synthetic or 5w-30 below 40F (4c) or 10w-30 above 0F (-20c)








