Groundsmaster 5900 Rotary Mower
Product Information
- Model #: 31598
- Serial #: 311000001 - 311000200
- Product Type: Riding Products
Loading...
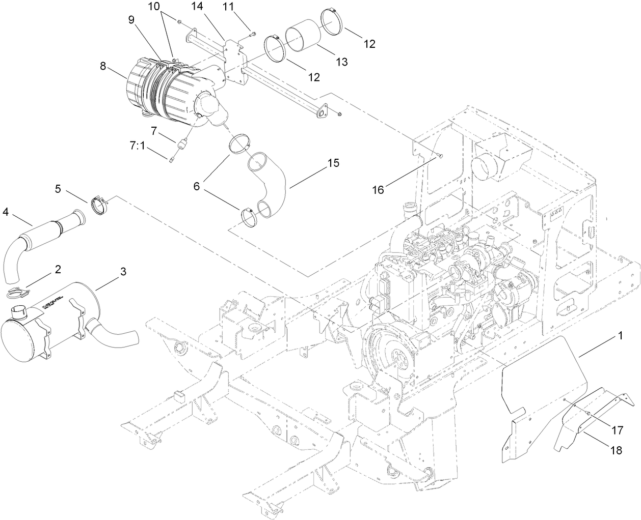
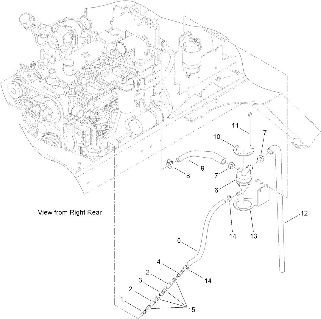
Assembly Drawings
Search for a part within assembly drawings:
-
Service Manual
-
Operator's Manual
-
Parts Catalog
-
Service Bulletin
Toro 55 Gallon Premium All-Season Hydraulic Fluid (Part # 108-1177)
Toro 55 Gallon Premium All-Season Hydraulic Fluid. Designed for use in Toro equipment created by Toro engineers. If you are unsure of your equipment needs, do a model extreme serial number search to verify that this is the correct oil type for your equipment.
Toro 5 Gallon Premium All Season Hydraulic Fluid (Part # 108-1178)
Toro 5 Gallon Premium All Season Hydraulic Fluid. Designed for use in Toro equipment created by Toro engineers. If you are unsure of your equipment needs, do a model extreme serial number search to verify that this is the correct oil type for your equipment.
PREMIUM ENGINE OIL 15W40 DRUM (Part # 108-1181)
PREMIUM ENGINE OIL 15W40 PAIL (Part # 108-1182)
Premium Heavy Duty All-Season Gear Lube (Part # 108-1188)
Toro 14 oz. All-Purpose Grease (Part # 108-1190)
Toro 14 oz. All-Purpose Grease. Designed for use in Toro equipment created by Toro engineers. If you are unsure of your equipment needs, do a model extreme serial number search to verify that this is the correct oil type for your equipment.
Toro 32 oz. Premium All-Season Gear Lube 85W-140 (Part # 108-1591)
Toro 32 oz. Premium All-Season Gear Lube 85W-140. Designed for use in Toro equipment created by Toro engineers. If you are unsure of your equipment needs, do a model extreme serial number search to verify that this is the correct oil type for your equipment.
11 Blade Service Pack- 20.00 Inch Atomic® Mulching Blade (Part # 114-0897)
Contains 110-5948-03 @ 11
Work Light Kit (Cab) (Part # 114-5610)
Provide extra light for everyday operations.
11 Blade Service Pack- 20.00 Inch Combination Blade (Part # 115-8896)
Contains 110-5946-03 @ 11
Blade and Belt Kit (Part # 115-8898)
Contains 112-7376 @ 1, 112-7377 @ 6 110-5946-03 @ 11
Tall Grass Kit, Groundsmaster 5900/5910 Cutting Units (Part # 117-2795)
Extension Kit for 2-Post ROPS, Groundsmaster 5900 Traction Unit (Part # 117-9430)
Windscreen Kit, Groundsmaster 5900 Traction Unit (Part # 117-9440)
CE Kit, 2010 and After Groundsmaster 5900/5910 Traction Unit (Part # 117-9449)
Vinyl Backrest Extension Kit (Part # 119-7718)
Made with comfort in mind.
Fabric Backrest Extension Kit, Grammer Seat (Part # 119-7719)
Enhance operator comfort.
MVP KIT-GM5900/5911 (Part # 30041)
Contains 130-8860 @ 2, 75-1310 @ 1, 86-6110 @ 1, 115-5471 @ 1, 117-2792 @ 1
Hardtop Sunshade, Groundsmaster and Reelmaster Traction Units (Part # 30359)
Leaf Mulching Kit, Groundsmaster 5900/5910 Mower (Part # 31581)
Center Replacement Deck (Part # 31591)
Right Replacement Deck (Part # 31592)
Left Replacement Deck (Part # 31593)
10 Inch Foam Filled Pneumatic Caster Wheel Assembly (Part # 93-5973)
10 Inch Foam Filled Pneumatic Caster Wheel Assembly. Pneumatic OEM replacement caster wheel features a smooth maneuvering pneumatic tire and metal wheel assembly with high-quality components. Pneumatic tires offer more shock absorption then solid ties which gives them a smoother ride. These tires are non-marking, foam filled and engineered for long service life.
-
Model #
31598 -
Serial #
311000001 - 311000200 -
Product Name
Groundsmaster 5900 Rotary Mower -
Product Brand
Toro -
Product Type
Riding Products -
Product Series
Attachments & Kits, Groundsmaster






























































































































