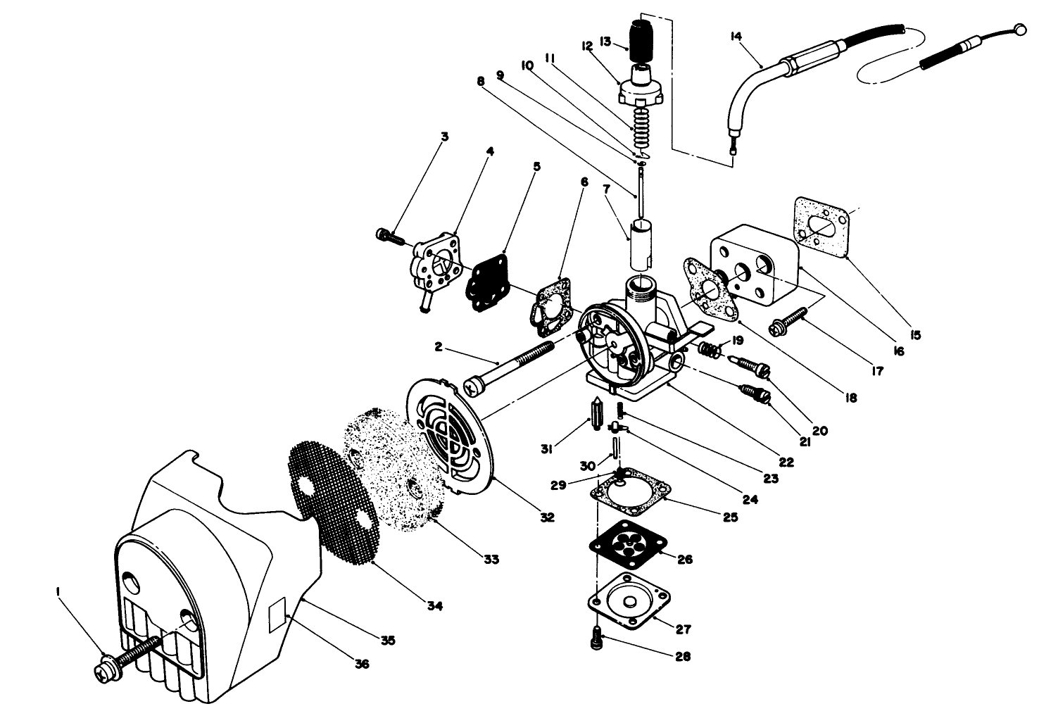
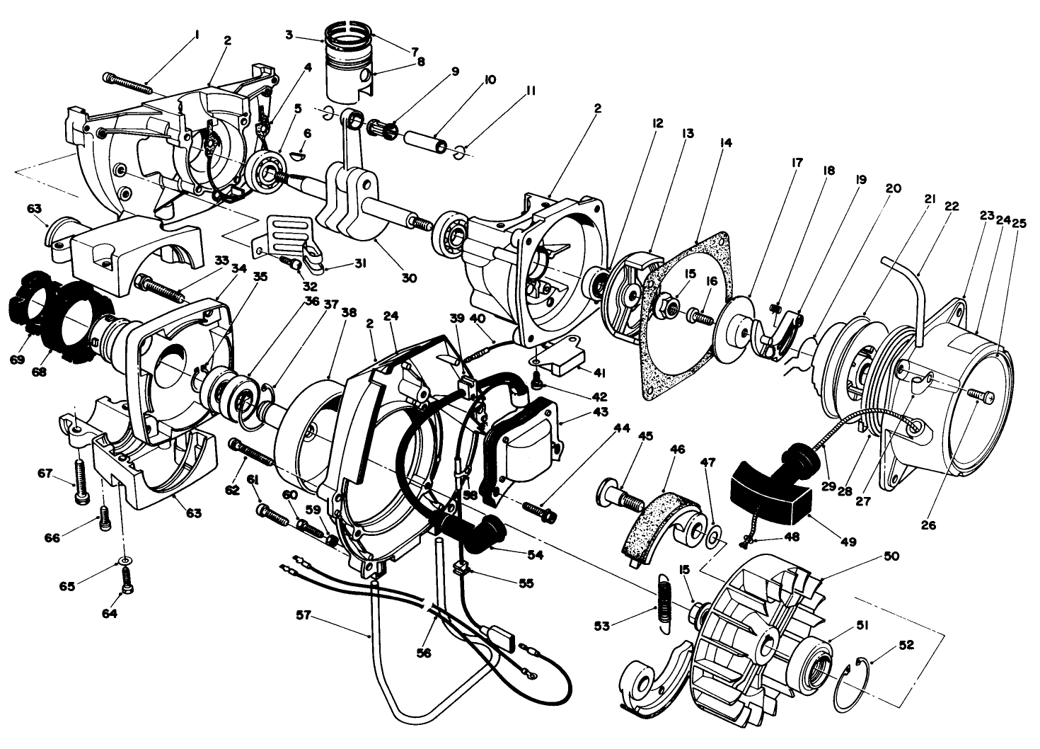
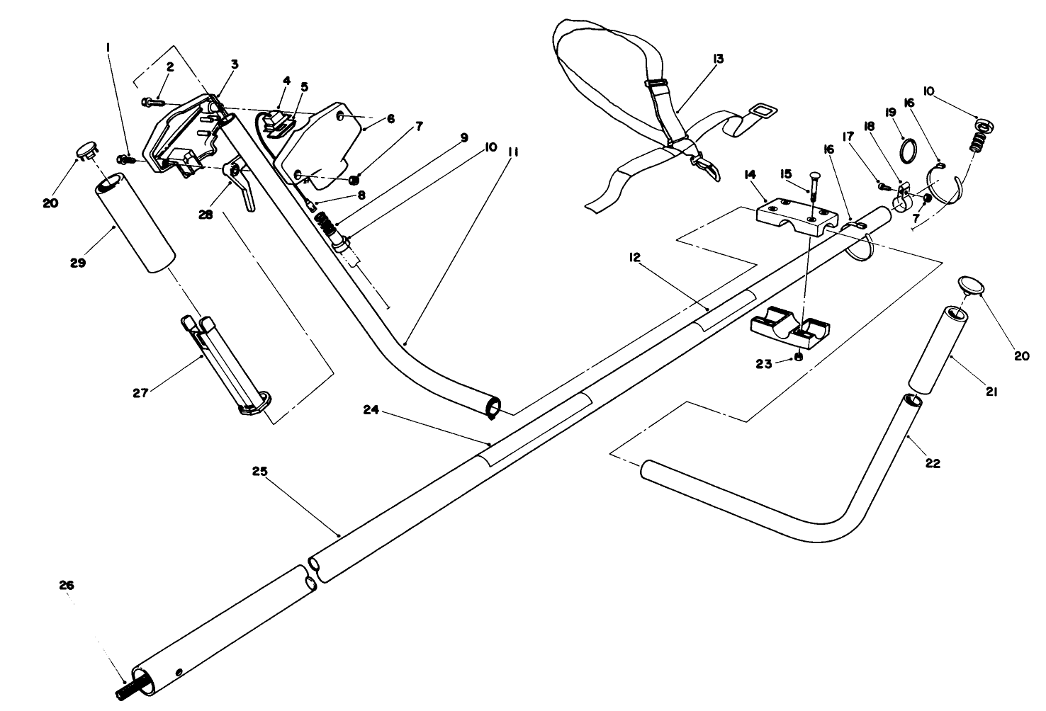
TC 5000 Gas Trimmer
Product Information
- Model #: 51645
- Serial #: 7000001 - 7999999
- Product Type: Trimmers
Loading...
Assembly Drawings
Search for a part within assembly drawings:
-
Service Manual
-
Parts Catalog
8 Inch Saw Blade (Part # 51-1230)
Genuine OEM Part
Please contact your local dealer
-
Model #
51645 -
Serial #
7000001 - 7999999 -
Product Name
TC 5000 Gas Trimmer -
Product Brand
Toro -
Product Type
Trimmers -
Product Series
Trimmer, Straight Shaft (Mitsubishi) -
Chassis Type
Gas Trimmer, Straight Sha -
Swath
18 inch -
Engine/Motor Manufacturer
Mitsubishi -
Engine/Motor Size
33cc -
Engine/Motor Type
2 Cycle -
Engine Starter
NA













