TITAN ZX6020 Zero-Turn-Radius Riding Mower
Product Information
- Model #: 74843
- Serial #: 312000001 - 312999999
- Product Type: Riding Products
Loading...
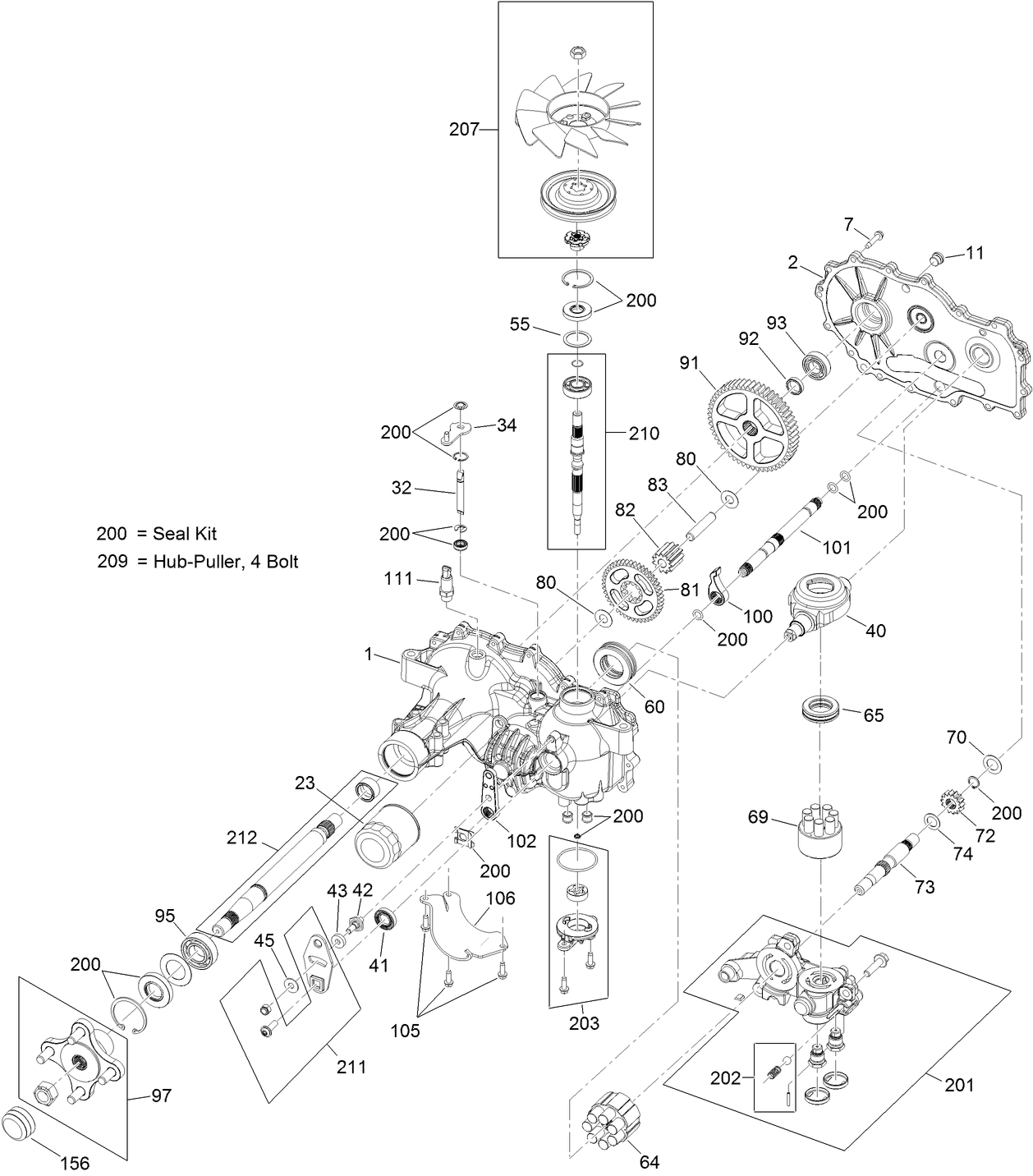
Assembly Drawings
Search for a part within assembly drawings:
-
Service Manual
-
Operator's Manual
-
Parts Catalog
-
Engine Evaporative Emission Warranty
Step Kit (Part # 117-5316)
Genuine OEM Part
Lights Kit (Part # 117-5317)
Genuine OEM Part
Seat Hold Down Kit (Part # 117-7251)
Genuine OEM Part
Please contact your local dealer
60 Inch Recycler Kit (Part # 119-3455)
Genuine OEM Part
Titan Hydraulic Filter and Service Kit (Part # 121-3783)
Hydraulic filters protect your Toro hydraulic system components from damage due to contamination, leakages, rust and damaged seals. Replacing these filters with a genuine Toro hydraulic filter prevents problems, protects the hydraulic system and keeps your Toro equipment at peak performance. When it comes to reliability, Toro delivers replacement parts designed to the exact engineering specifications of our equipment. For peace of mind, insist on Toro genuine parts.
Bagger Finishing Kit (Part # 121-5664)
Genuine OEM Part
Cargo Carrier, TITAN Series Riding Mower (Part # 79032)
Front Weight Kit (Titan) (Part # 79033)
Genuine OEM Part
Please contact your local dealer
Bagger, TITAN ZX and MX Series Riding Mower (Part # 79328)
E-Z Vac Twin Bagger, TITAN Zero-Turn-Radius Riding Mower (Part # 79330)
60in Blower and Drive Kit, E-Z Vac Twin Bagger for TITAN Zero-Turn-Rad (Part # 79342)
10 cu. ft. Poly Dump Cart (Part # 79991)
-
Model #
74843 -
Serial #
312000001 - 312999999 -
Product Name
TITAN ZX6020 Zero-Turn-Radius Riding Mower -
Product Brand
Toro -
Product Type
Riding Products -
Product Series
Zero Radius Turn, Consumer -
Chassis Type
ZRT - Consumer -
Swath
60 inch -
Discharge
Side Discharge -
Engine/Motor Manufacturer
Kawasaki -
Engine/Motor Size
24 hp -
Engine/Motor Type
4 Cycle -
Engine Starter
Electric -
Transmission Type
Hydrostatic -
Traction Type
Rear WD
-
Engine: Battery
12V 195CCA -
Engine: Engine Speed
3600±100 RPM -
Engine: Spark Plug
NGK BPR4ES -
Engine: Spark Plug Gap
.030"/ .76mm -
Chassis: Height of Cut Range
1.5-4.5"; 1/4" increments -
Engine: Ignition Coil Air Gap
.008-.016" / .2-.4mm -
Engine: Engine Oil Type
67 oz. (2.1 Liter) SAE 10W-30 or 10W-40 -
Drive System: Ground Speed
Fwd. 0 - 7.5 Rev. 0 - 3.8 mph -
Drive System: Gearbox Lubricant
HYPR-OIL 500 / 15w-50 Synthetic Motor Oil -
Chassis: Tire Pressure
Rear 13 psi; Front See Sidewall of Tire


















