Power Hoe
Product Information
- Model #: 51750
- Serial #: 2000001 - 2999999
- Product Type: Misc
Loading...
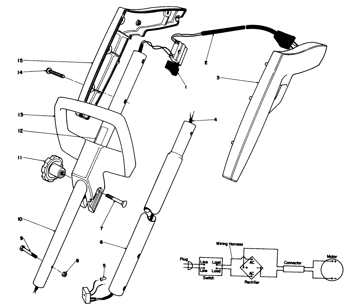
Assembly Drawings
Search for a part within assembly drawings:
-
Parts Catalog
-
Model #
51750 -
Serial #
2000001 - 2999999 -
Product Name
Power Hoe -
Product Brand
Toro -
Product Type
Misc -
Product Series
Miscellaneous -
Chassis Type
Hand Held Corded Electric -
Swath
7 inch -
Engine/Motor Type
120 VAC


